电脑桌面
添加小米粒文库到电脑桌面
安装后可以在桌面快捷访问

暖通空调施工方案

暖通空调施工方案_第1页
1/20
暖通空调施工方案_第2页
2/20
暖通空调施工方案_第3页
3/20
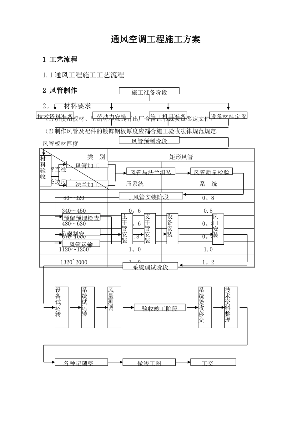
通风空调工程施工方案1 工艺流程1.1 通风工程施工工艺流程2 风管制作2。1 材料要求(1)所使用板材、型钢材料应具有出厂合格证书或质量鉴定文件。(2)制作风管及配件的镀锌钢板厚度应符合施工验收法律规范规定.风管板材厚度类 别风管直径或长边尺寸矩形风管中压低压系统高 压系 统80~3200。50。8340~4500。60.8480~6300。60。8670~10000.80。81120~12501。01.01320~20001。01。2施工准备阶段技术资料准备劳动力安排施工机具准备设备材料定货风管预制阶段风管加工法兰加工材料验收风管与法兰组装风管质量检验风管安装阶段预留预埋检查主干管安装支干管安装风口安装支吊架制安风管运输系统调试阶段设备试运转系统试运转风量测调验收竣工阶段系统验收移交技术资料整理各种记录整理做竣工图交工设备安装(3)风管法兰规格按下表选取.矩形风管法兰及螺栓规格风管长边尺寸 b(mm)法兰用料规格(角钢)螺栓规格b≤63025×3M6630〈b≤150030×3M81500

1、当您付费下载文档后,您只拥有了使用权限,并不意味着购买了版权,文档只能用于自身使用,不得用于其他商业用途(如 [转卖]进行直接盈利或[编辑后售卖]进行间接盈利)。
2、本站所有内容均由合作方或网友上传,本站不对文档的完整性、权威性及其观点立场正确性做任何保证或承诺!文档内容仅供研究参考,付费前请自行鉴别。
3、如文档内容存在违规,或者侵犯商业秘密、侵犯著作权等,请点击“违规举报”。

碎片内容

暖通空调施工方案

领读文化+ 关注
实名认证
内容提供者

传播文化,铸就未来

确认删除?
微信客服
  • 扫码咨询
会员Q群
  • 会员专属群点击这里加入QQ群