电脑桌面
添加小米粒文库到电脑桌面
安装后可以在桌面快捷访问

最新xx公司客户订单流程管理制度

最新xx公司客户订单流程管理制度_第1页
1/5
最新xx公司客户订单流程管理制度_第2页
2/5
最新xx公司客户订单流程管理制度_第3页
3/5
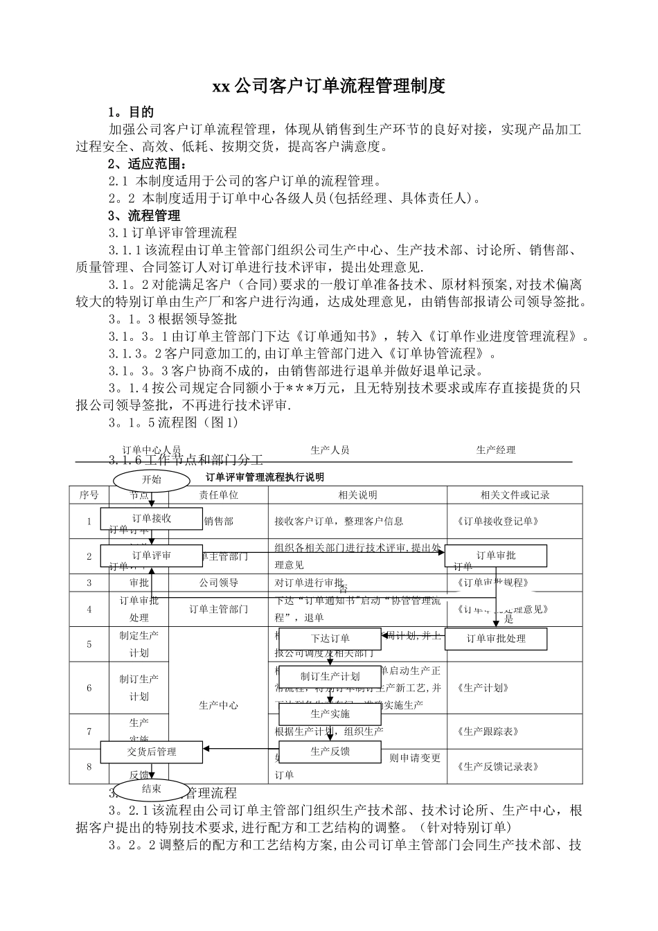
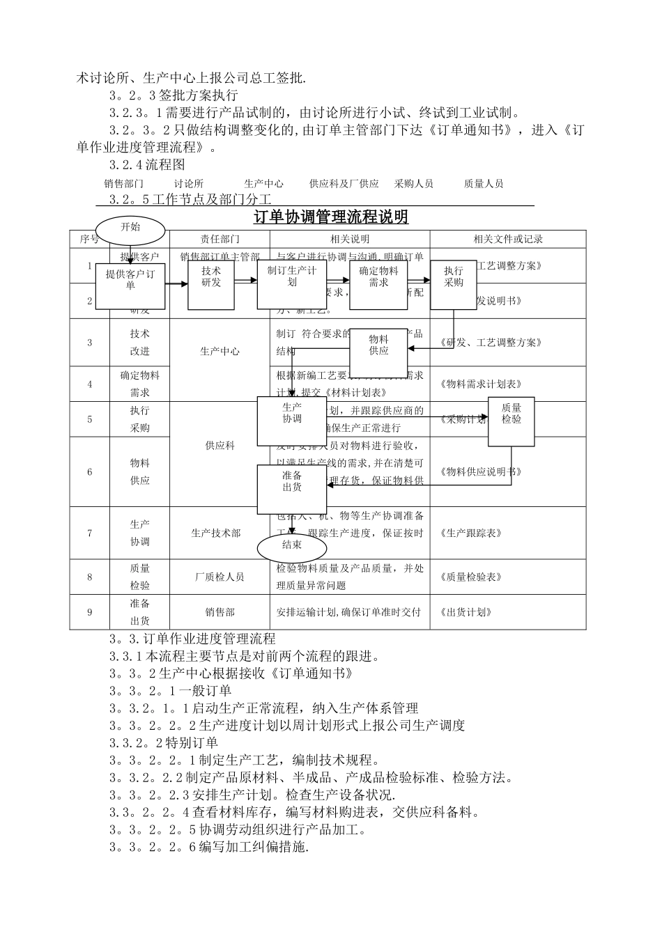
xx 公司客户订单流程管理制度1。目的加强公司客户订单流程管理,体现从销售到生产环节的良好对接,实现产品加工过程安全、高效、低耗、按期交货,提高客户满意度。2、适应范围:2.1 本制度适用于公司的客户订单的流程管理。2。2 本制度适用于订单中心各级人员(包括经理、具体责任人)。3、流程管理3.1 订单评审管理流程3.1.1 该流程由订单主管部门组织公司生产中心、生产技术部、讨论所、销售部、质量管理、合同签订人对订单进行技术评审,提出处理意见.3.1。2 对能满足客户(合同)要求的一般订单准备技术、原材料预案,对技术偏离较大的特别订单由生产厂和客户进行沟通,达成处理意见,由销售部报请公司领导签批。3。1。3 根据领导签批3.1。3。1 由订单主管部门下达《订单通知书》,转入《订单作业进度管理流程》。3.1.3。2 客户同意加工的,由订单主管部门进入《订单协管流程》。3.1。3。3 客户协商不成的,由销售部进行退单并做好退单记录。3。1.4 按公司规定合同额小于***万元,且无特别技术要求或库存直接提货的只报公司领导签批,不再进行技术评审.3。1。5 流程图(图 1)3.1.6 工作节点和部门分工订单评审管理流程执行说明序号节点责任单位相关说明相关文件或记录1接收订单销售部接收客户订单,整理客户信息《订单接收登记单》2订单评审订单主管部门组织各相关部门进行技术评审,提出处理意见《订单评审记录表》3审批公司领导对订单进行审批《订单审批规程》4订单审批处理订单主管部门下达“订单通知书"启动“协管管理流程”,退单《订单审批处理意见》5制定生产计划生产中心根据订单交期,制定生产周计划,并上报公司调度及相关部门《订单下达通知书》6制订生产计划根据订单要求,一般订单启动生产正常流程,特别订单制订生产新工艺,并下达到各生产车间。准确实施生产《生产计划》7生产实施根据生产计划,组织生产《生产跟踪表》8生产反馈如不能按订单要求完成,则申请变更订单《生产反馈记录表》3.2 订单协调管理流程3。2.1 该流程由公司订单主管部门组织生产技术部、技术讨论所、生产中心,根据客户提出的特别技术要求,进行配方和工艺结构的调整。(针对特别订单)3。2。2 调整后的配方和工艺结构方案,由公司订单主管部门会同生产技术部、技订单中心人员生产人员生产经理订单审批处理结束下达订单制订生产计划生产实施生产反馈交货后管理订单接收订单开始订单评审订单订单审批订单是否术讨论所、生产中心上报公司总工签批.3。...

1、当您付费下载文档后,您只拥有了使用权限,并不意味着购买了版权,文档只能用于自身使用,不得用于其他商业用途(如 [转卖]进行直接盈利或[编辑后售卖]进行间接盈利)。
2、本站所有内容均由合作方或网友上传,本站不对文档的完整性、权威性及其观点立场正确性做任何保证或承诺!文档内容仅供研究参考,付费前请自行鉴别。
3、如文档内容存在违规,或者侵犯商业秘密、侵犯著作权等,请点击“违规举报”。

碎片内容

最新xx公司客户订单流程管理制度

确认删除?
VIP
微信客服
  • 扫码咨询
会员Q群
  • 会员专属群点击这里加入QQ群
客服邮箱
回到顶部