电脑桌面
添加小米粒文库到电脑桌面
安装后可以在桌面快捷访问

2025年啤酒企业统计员岗岗位说明书VIP专享

2025年啤酒企业统计员岗岗位说明书_第1页
1/4
2025年啤酒企业统计员岗岗位说明书_第2页
2/4
2025年啤酒企业统计员岗岗位说明书_第3页
3/4
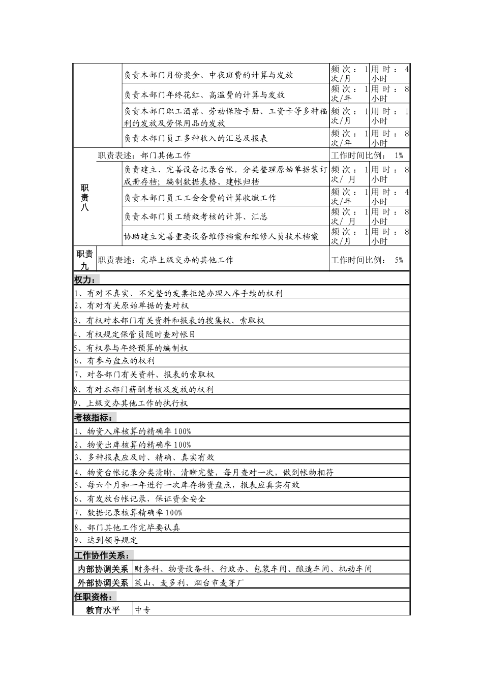
某啤酒企业记录员岗岗位阐明书岗位名称记录员岗岗位编号所在部门一厂物资设备科岗位定员1直接上级物资设备科科长岗位工资直接下级无分析人所辖人员无分析日期本职: 负责物资管理数据核算及运行职责与工作任务:职责一职责表述: 负责物资入库的核算工作时间比例: 27%工作任务负责检查辅料库、机电库、备件库、低耗库、劳保库、原材料库、包装物库、燃料库等所开具的发票手续与否真实有效频 次 : 30次/月用 时 : 10分钟负责查对辅料库、机电库、备件库、低耗库、劳保库、原材料库、包装物库、燃料库等发票所列的物资明细与仓库保管员所开具的物资临时入库单的数量频 次 : 30次/月 用 时 :1.5 小时负责根据手续齐全的发票与查对对的的物资临时入库单开具物资入库验收单频 次 : 30次/月 用 时 : 10分钟负责逐笔登记本部门所采购的一系列物资频 次 : 30次/ 月用 时 : 15分钟负责根据发票开具帐面存款单频 次 : 30次/月 用 时 : 5分钟职责二职责表述: 负责物资出库的核算工作时间比例:30 %工作任务负责检查辅料库、机电库、备件库、低耗库、劳保库、原材料库、包装物库、燃料库等的基本生产领料单手续与否齐全频 次 : 20次/月 用 时 : 2分钟负责按仓库、按部门将辅料库、机电库、备件库、低耗库、劳保库、原材料库、包装物库、燃料库的基本生产领料进行归纳、分类频 次 : 20次/月 用 时 : 15分钟负责辅料库、机电库、备件库、低耗库、劳保库、原材料库、包装物库、燃料库的基本生产领料单逐笔录入电脑频 次 : 20次/月 用 时 : 6小时负责分别与各车间、科室逐笔查对每张基本生产领料单 频 次 : 1次/ 月用 时 : 12小时职责三职责表述:负责编制报表上报工作时间比例:15 %工作任务负责汇总、编制辅料库、机电库、备件库、低耗库、劳保库、原材料库、包装物库、燃料库等材料的部门汇总领用表频 次 : 1次/月 用 时 : 8小时负责编制辅料库、机电库、备件库、低耗库、劳保库、原材料库、包装物库、燃料库等的库存所有状况报表及入库单、出库单的汇总报表频 次 : 1次/月 用 时 : 8小时负责编制本部门月份辅料采购计划表频 次 : 1次/月 用 时 : 2小时负责编制大宗物资的记录表频 次 : 1次/月 用 时 : 2小时及时上报设备检修、设备更新改造费用的执行状况频 次 : 1次/月 用 时 : 8小时负责提供精确数据为上级决策提供...

1、当您付费下载文档后,您只拥有了使用权限,并不意味着购买了版权,文档只能用于自身使用,不得用于其他商业用途(如 [转卖]进行直接盈利或[编辑后售卖]进行间接盈利)。
2、本站所有内容均由合作方或网友上传,本站不对文档的完整性、权威性及其观点立场正确性做任何保证或承诺!文档内容仅供研究参考,付费前请自行鉴别。
3、如文档内容存在违规,或者侵犯商业秘密、侵犯著作权等,请点击“违规举报”。

碎片内容

2025年啤酒企业统计员岗岗位说明书

您可能关注的文档

静心书店+ 关注
实名认证
内容提供者

专注于各类考试试卷和真题。

确认删除?
VIP
微信客服
  • 扫码咨询
会员Q群
  • 会员专属群点击这里加入QQ群
客服邮箱
回到顶部