电脑桌面
添加小米粒文库到电脑桌面
安装后可以在桌面快捷访问

模板及其支撑系统安全专项施工方案[1]

模板及其支撑系统安全专项施工方案[1]_第1页
1/14
模板及其支撑系统安全专项施工方案[1]_第2页
2/14
模板及其支撑系统安全专项施工方案[1]_第3页
3/14
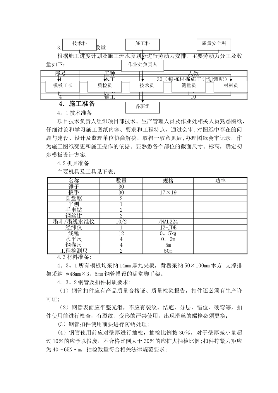
模板支撑系统专项安全施工方案1.工程概况:项目名称:新建和林县盛乐经济园区一小建设项目(教学楼、宿舍楼、食堂)2、建设单位:和林格尔县盛乐园区第一小学3、监理单位:内蒙古益泰工程建设监理有限责任公司 4、施工单位:内蒙古和林格尔县华蒙建筑有限责任公司地址:和林格尔县盛乐园区三铺村工程概况:序号项 目内 容1建筑面积/m2教学楼 5268 m2、食堂 1060m2、宿舍楼 3528 m22层数教学楼三层、宿舍楼三层、食堂二层3层高/m4结构形式教学楼、宿舍楼砖混结构;食堂框架结构5自然条件6抗震设计2。编制依据2.1 施工图纸新建和林县盛乐经济园区一小建设项目(教学楼、宿舍楼、食堂)图2。2 主要施工法律规范、规程《建筑结构可靠度设计统一标准》(GB50068—2001)《建筑结构荷载法律规范》(GB50009-2001)《混凝土结构设计法律规范》(GB50010—2024)《建筑地基基础设计法律规范》(GB50007-2024)《建筑工程抗震设防分类标准》(GB50223—2024)《高程建筑混凝土结构技术规程》(JGJ93-2024)《全国工业建筑工程设计技术措施》2024(结构)《建筑抗震设计法律规范》(GB50011-2001)《内蒙古建筑抗震设计审查法律规范》(DB34/153-2024)3.施工部署3.1 施工部位及工期安排(详见施工进度计划)3。2 管理人员组织架构3.3 工人分工及数量根据施工进度计划及施工流水段划分进行劳动力安排。主要劳动力分工及数量如下:序号工种人数1木工30(每栋根据施工计划调配)2电气焊工33电工14辅工104.施工准备4。1 技术准备项目技术负责人组织项目部技术、生产管理人员及作业处相关人员熟悉图纸,仔细讨论和学习施工图纸内容、要求和工程特点,通过会审,对图纸中存在的问题与建设、设计及监理单位协商解决,取得一致意见后,办理图纸会审记录,作为施工图纸变更和施工操作的依据。要熟悉各个部位的截面尺寸、标高,确定初步模板设计方案.4.2 机具准备 主要机具及工具见下表:名称数量规格功率锤子30扳手3017×19圆盘锯2平刨1手电钻2钢丝钳3墨斗/墨线水准仪10/2/NAL224经纬仪1J2-JDE线锤120。5㎏水平尺40。6m钢卷尺45m工程检测尺250m4.3 材料准备:4。3。1 所有模板均采纳 14mm 厚九夹板,背楞采纳 50×100mm 木方,支撑排架采纳 φ48mm×3。5mm 钢管搭设的满堂脚手架。4。3。2 钢管及扣件材质要求:(1)钢管扣件应有产品质量合格证、质量检验报告,扣件还必须有生产许可证;(2)钢管表面应平整光滑,不应有裂纹、结疤、分层、错位、硬弯等...

1、当您付费下载文档后,您只拥有了使用权限,并不意味着购买了版权,文档只能用于自身使用,不得用于其他商业用途(如 [转卖]进行直接盈利或[编辑后售卖]进行间接盈利)。
2、本站所有内容均由合作方或网友上传,本站不对文档的完整性、权威性及其观点立场正确性做任何保证或承诺!文档内容仅供研究参考,付费前请自行鉴别。
3、如文档内容存在违规,或者侵犯商业秘密、侵犯著作权等,请点击“违规举报”。

碎片内容

模板及其支撑系统安全专项施工方案[1]

您可能关注的文档

确认删除?
VIP
微信客服
  • 扫码咨询
会员Q群
  • 会员专属群点击这里加入QQ群
客服邮箱
回到顶部