电脑桌面
添加小米粒文库到电脑桌面
安装后可以在桌面快捷访问

2025年制药企业全套检验记录

2025年制药企业全套检验记录_第1页
1/84
2025年制药企业全套检验记录_第2页
2/84
2025年制药企业全套检验记录_第3页
3/84
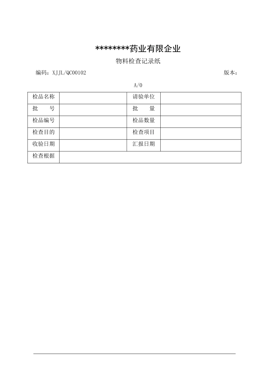
********药业有限企业物料检查记录纸编码:XJJL/QC00102 版本:A/0检品名称请验单位批 号批 量检品编号检品数量检查目的检查项目收验日期汇报日期检查根据 检查人: 复核人:性状、外观、重(装)量差异检查原始记录编码:XJJL/QC00202 版本:A/0样品名称批 号样品编号规 格数 量检查日期温 度相对湿度汇报日期检查根据□中国药典 部附录( )□其他性状外观重(装)量差异天平型号仪器编号检查项目□重量差异□装量差异 □最低装量标示量差异程度± %g~ g± % g~ g实测成果平均重量不少于标示装量的 %原则规定超过重量差异程度的不得多于 2份,并不得有 1 份超过程度 1 倍。超过装量差异程度的不得多于 2 份,并不得有 1 份超过程度 1 倍。结 论□ (均)符合规定 □ (均)不符合规定检查人: 复核人:崩解时限(溶散时限)检查原始记录编码:XJJL/QC00302 版本:A/0样品名称批 号样品编号规 格数 量检查日期温 度相对湿度汇报日期检查项目□崩解时限 □溶散时限检查根据□中国药典一部附录Ⅻ A/二部附录Ⅹ A□其他仪器型号仪器编号筛网直径□0.42mm □1.0mm □2.0mm □其他介 质□水 □ 0.1mol/L 盐酸 □ 人工胃液 □其他挡 板□ 加 □ 不加水浴温度(℃)实测成果□在 分钟内均崩解(溶散)完全。□其他原则规定□应在________分钟内崩解(溶散)完全。结 论□ (均)符合规定 □ (均)不符合规定检查人: 复核人:水分测定检查原始记录编码:XJJL/QC00402 版本:A/0样品名称批 号样品编号规 格数 量检查日期温 度相对湿度汇报日期检查根据□中国药典一部附录Ⅸ H/二部附录Ⅷ M□其他□烘干法仪器型号仪器编号天平型号仪器编号干燥条件温度: ℃干燥时间□ 小时□至恒重测定编号称量瓶恒重W0(g)样品称重W1(g)干燥后恒重或称重W2(g)水分(%)计算公式水分(%)=(W0+W1-W2)/W1×100%□甲苯法样品称重 W(g)水的体积 V(ml)水分(%)计算公式水分(%)=V/W×100%□迅速水分测定法仪器型号仪器编号干燥条件温度: ℃干燥时间□15 分钟□30 分钟水分(%)原则规定结 论□ (均)符合规定 □ (均)不符合规定检查人: 复核人:卡尔费休水分测定检查原始记录编码:XJJL/QC00502 版本:A/0样品名称批 号样品编号规 格数 量检查日期温 度相对湿度汇报日期检查根据□ 中国药典二部Ⅷ M 第一法 A□ 其他仪器型号仪器编号天平型号仪器编号费休氏试剂标定取样量(mg)消耗...

1、当您付费下载文档后,您只拥有了使用权限,并不意味着购买了版权,文档只能用于自身使用,不得用于其他商业用途(如 [转卖]进行直接盈利或[编辑后售卖]进行间接盈利)。
2、本站所有内容均由合作方或网友上传,本站不对文档的完整性、权威性及其观点立场正确性做任何保证或承诺!文档内容仅供研究参考,付费前请自行鉴别。
3、如文档内容存在违规,或者侵犯商业秘密、侵犯著作权等,请点击“违规举报”。

碎片内容

2025年制药企业全套检验记录

您可能关注的文档

确认删除?
VIP
微信客服
  • 扫码咨询
会员Q群
  • 会员专属群点击这里加入QQ群
客服邮箱
回到顶部