电脑桌面
添加小米粒文库到电脑桌面
安装后可以在桌面快捷访问

民用船舶修理价格表

民用船舶修理价格表_第1页
1/52
民用船舶修理价格表_第2页
2/52
民用船舶修理价格表_第3页
3/52
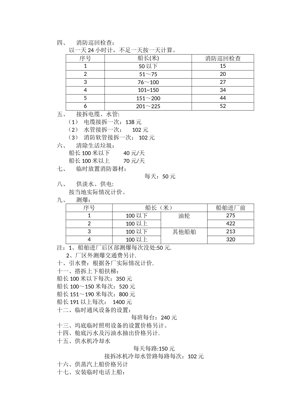
《国内民用船舶修理价格表》使用说明一、本《价格表》系参照我中国船舶工业总公司系统各船厂的历史资料并结合修船产品实际情况和现行市场价格水平,经测算整理汇编成册,供我总公司系统各单位使用。二、本《价格表》仅适用于民用常规船舶的修理。海洋钻井平台、工程船舶及其它特种船舶中的特别设施修理价格另计。三、本《价格表》中已包括材料的项目,其材料费按 91 年现行价格测算的,如遇材料市场价格有较大变动时,各厂可按实际情况适当调整其差价部分。四、本《价格表》各分项说明中均已明确修换范围,其它附带工程及可能产生的零部件换新以及施工工艺所需的专用工具、模具、胎架、专用设备等费用另计.五、凡单一性技术劳务,如柴油机的喷油器、高压油泵、调速器、冰机、空调等的修理其价格可作适当上浮。六、本《价格表》所列的各当规格,凡在两档之间者均按高一档价格计。七、本《价格表》中各部分的系数,凡遇多个同时出现时,应将系数相加后计算.八、本《价格表》所列之价格,均系出厂价格。九、凡工厂委托外单位加工、借用设备、外购器材等、应按工厂实际支付费用加上运杂费、管理费及法定利润、现金。十、本《价格表》之价格仅适用于厂区作业,离厂区作业及出差施工其价格另行计算。十一、本《价格表》适用于正常工作日的日班作业,若船方要求特急需逾时加班者,则应增收加班费。十二、船舶在工厂修理期间,其因修换而拆下的旧件、旧料,均归船厂所有。服务项目一、船舶靠离码头系解缆:序号船长(米)价格150 以下158251~75191376~1002564101~1503425151~2004326201~225515注:上述价格不包括拖轮费。二、码头费:以船长每米 24 小时一天计,不足一天按一天计算。每天每米:5 元注:特别船型价格另计。三、消防值班:以一天 24 小时计,不足一天按一天计算。每人每天:85 元四、消防巡回检查:以一天 24 小时计,不足一天按一天计算。序号船长(米)消防巡回检查150 以下15251~7520376~100274101~150345151~200446201~22552五、接拆电缆、水管:(1) 电缆接拆一次:138 元(2) 水管接拆一次: 102 元(3) 消防软管接拆一次: 102 元六、清除生活垃圾:船长 100 米以下 40 元/天船长 100 米以上 70 元/天七、临时放置消防器材:每天:50 元八、供淡水、供电:按当地实际情况计价。九、测爆:序号船长(米)船舶进厂前1100 以下油轮2752100 以上4223100 以下其他船舶2134100 以上320注:1、船舶进厂后区部...

1、当您付费下载文档后,您只拥有了使用权限,并不意味着购买了版权,文档只能用于自身使用,不得用于其他商业用途(如 [转卖]进行直接盈利或[编辑后售卖]进行间接盈利)。
2、本站所有内容均由合作方或网友上传,本站不对文档的完整性、权威性及其观点立场正确性做任何保证或承诺!文档内容仅供研究参考,付费前请自行鉴别。
3、如文档内容存在违规,或者侵犯商业秘密、侵犯著作权等,请点击“违规举报”。

碎片内容

民用船舶修理价格表

确认删除?
VIP
微信客服
  • 扫码咨询
会员Q群
  • 会员专属群点击这里加入QQ群
客服邮箱
回到顶部