电脑桌面
添加小米粒文库到电脑桌面
安装后可以在桌面快捷访问

氧化铝企业安全生产标准化评定标准

氧化铝企业安全生产标准化评定标准_第1页
1/63
氧化铝企业安全生产标准化评定标准_第2页
2/63
氧化铝企业安全生产标准化评定标准_第3页
3/63
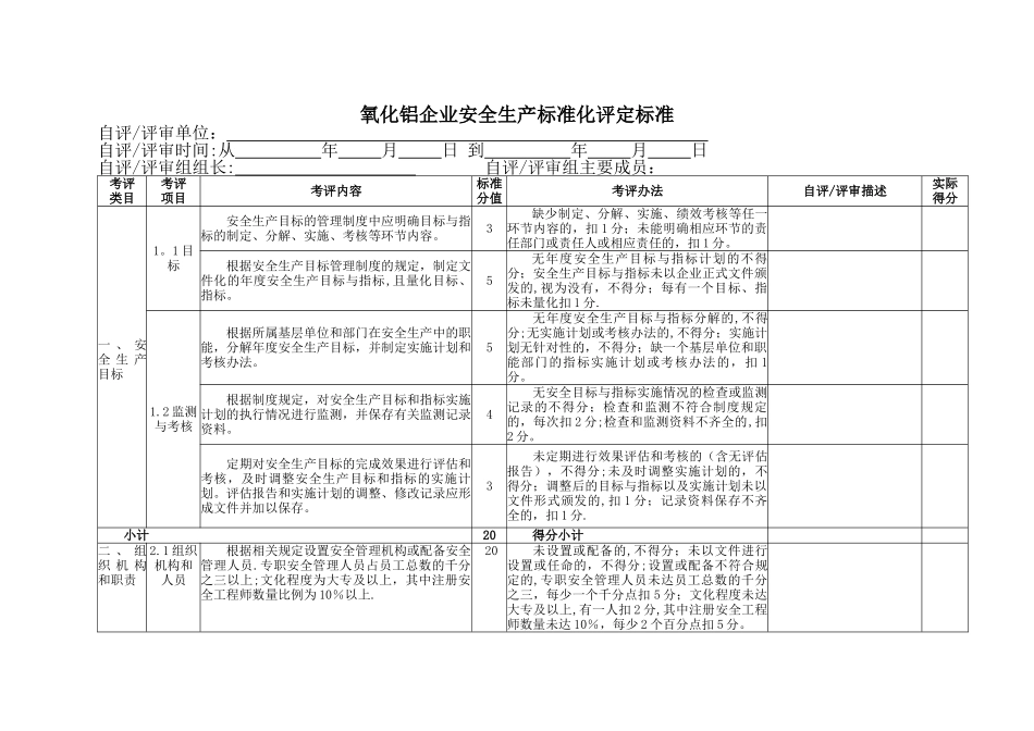
附件 1:氧化铝企业安全生产标准化评定标准考评说明1.本标准所指的氧化铝企业包括联合企业中的氧化铝生产单元及独立氧化铝生产企业,适用于氧化铝企业开展安全生产标准化等级评定的自评、申请、外部评审及各级安全监管部门监督审核等相关工作。2.依法生产的氧化铝企业,在考核年度内未发生较大及以上生产安全事故的,可以参加氧化铝企业安全生产标准化等级考评。3。本标准共有 13 项考评类目(A 级元素)、46 项考评项目(B 级元素)和 194 条考评内容(核心内容)。4。在评定标准表中的自评/评审描述列中,企业及评审单位应根据评定标准的有关要求,针对企业实际情况,如实进行得分及扣分点说明、描述,并在自评扣分点及原因说明汇总表(见附表)中逐条列出。5。本评定标准中累计扣分的,直到该考评内容分数扣完为止,不得出现负分.有特别说明扣分的(在考评办法中加粗内容),在该类目内进行扣分。6.本评定标准共计 1000 分,最终标准化得分换算成百分制。换算公式如下:标准化得分(百分制)=标准化工作评定得分÷(1000-不参加考评内容分数之和)×100。最后得分采纳四舍五入,取小数点后一位数。7.标准化等级共分为一级、二级、三级,其中一级为最高。评定所对应的等级须同时满足标准化得分和安全绩效等要求,取最低的等级来确定标准化等级(见下表).评定等级标准化得分安全绩效一级≥90考核年度内无人员死亡的生产安全事故,千人负伤率≤1;无 100 万元以上直接经济损失的事故;无新增职业病发生。二级≥75考核年度内千人工亡率≤ 0.1,千人负伤率≤3;无 500 万元以上直接经济损失的事故;新增职业病发病率≤1‰。三级≥60考核年度内千人工亡率≤0.3,无较大以上事故,千人负伤率≤5;无 500 万元以上直接经济损失的事故;新增职业病发病率≤2‰.氧化铝企业安全生产标准化评定标准自评/评审单位: 自评/评审时间:从 年 月 日 到 年 月 日自评/评审组组长: 自评/评审组主要成员: 考评类目考评项目考评内容标准分值考评办法自评/评审描述实际得分一 、 安全 生 产目标1。1 目标安全生产目标的管理制度中应明确目标与指标的制定、分解、实施、考核等环节内容。3缺少制定、分解、实施、绩效考核等任一环节内容的,扣 1 分;未能明确相应环节的责任部门或责任人或相应责任的,扣 1 分。根据安全生产目标管理制度的规定,制定文件化的年度安全生产目标与指标,且量化目标、指标。5无年度安全生产目标与指标计划的...

1、当您付费下载文档后,您只拥有了使用权限,并不意味着购买了版权,文档只能用于自身使用,不得用于其他商业用途(如 [转卖]进行直接盈利或[编辑后售卖]进行间接盈利)。
2、本站所有内容均由合作方或网友上传,本站不对文档的完整性、权威性及其观点立场正确性做任何保证或承诺!文档内容仅供研究参考,付费前请自行鉴别。
3、如文档内容存在违规,或者侵犯商业秘密、侵犯著作权等,请点击“违规举报”。

碎片内容

氧化铝企业安全生产标准化评定标准

您可能关注的文档

人从众+ 关注
实名认证
内容提供者

欢迎光临小店,本店以公文和教育为主,希望符合您的需求。

确认删除?
VIP
微信客服
  • 扫码咨询
会员Q群
  • 会员专属群点击这里加入QQ群
客服邮箱
回到顶部