电脑桌面
添加小米粒文库到电脑桌面
安装后可以在桌面快捷访问

水利工程测量综合练习及解答

水利工程测量综合练习及解答_第1页
1/7
水利工程测量综合练习及解答_第2页
2/7
水利工程测量综合练习及解答_第3页
3/7
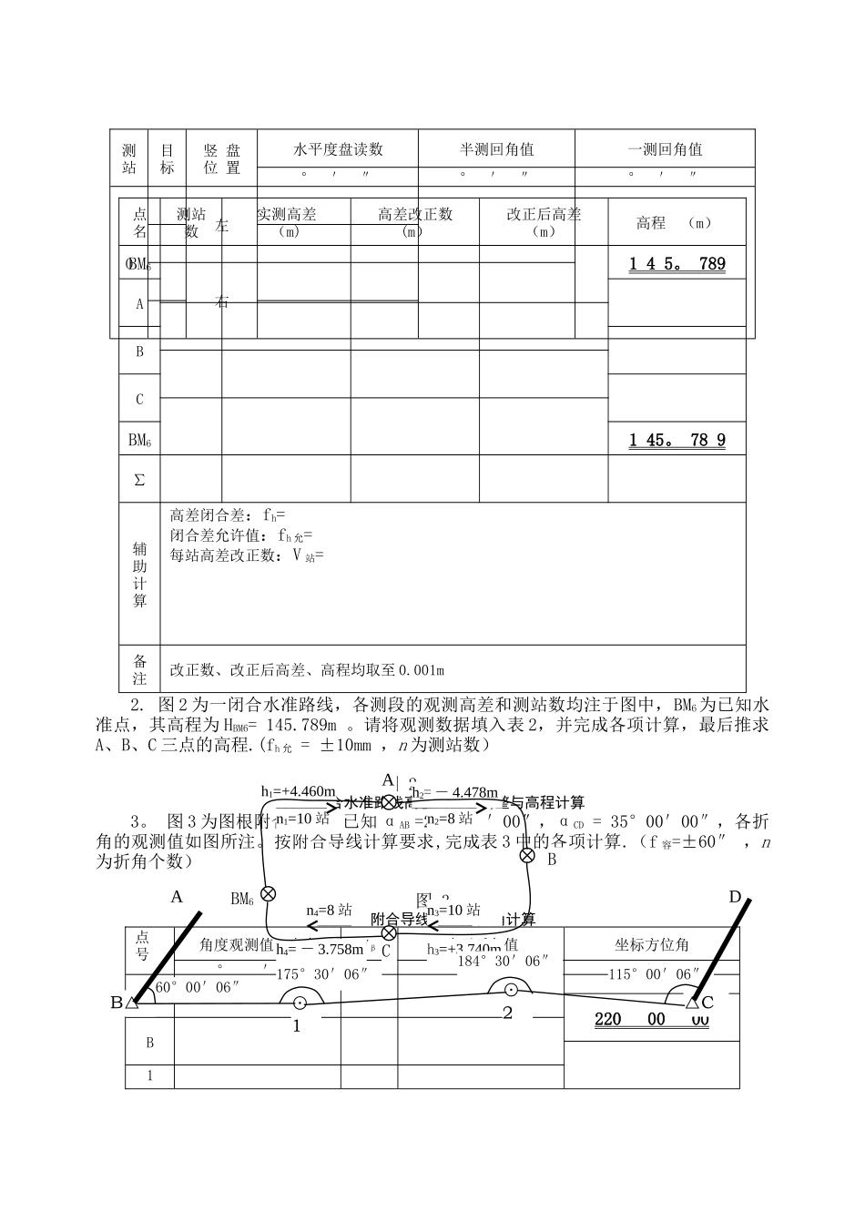
水利工程测量综合练习(2)及解答一、单选题1.某地面点的经度为东经116°46′,则其所在高斯投影六度带的带号为( ).A. 19 B。 20 C。 37 D. 382。已知 P 点至 A 点的真方位角为 68°15′10″,坐标方位角为 68°25′00″,则其子午线收敛角是( )。A。﹢40′10″ B。﹣40′10″ C. ﹢9′50″ D。 ﹣9′50″ 3。视差产生的原因是()。A.调焦不完善 B。标尺倾斜 C。气泡不居中 D.观测者视力差4.用 DJ6型经纬仪对某水平角观测 4 测回,第 3 测回水平度盘的起始位置为( ).A. 0° B。 45° C。 90° D。 135°5.M 点的高斯平面直角坐标 XM=3 276 000m, YM=19643 800m,该点所在六度投影带的带号为( )。A。 3 B。 19 C。 20 D。 326。已知 E、F 两点的高程分别为 HE=155.60m,HF=154。60m,E、F 两点的水平距离为50m,若用百分比来表示 F→E 的坡度,则 iFE应为:( )。A。 +2% B。 +0。2% C.–2% D。–0.2%7。地面两点间的高差与高程基准面的选择()。A。有关 B.无关 C。关系不大 D。 关系很大 8.在 1︰1000 比例尺地形图上,量得某坝轴线设计长度为 d=635.5mm,其中误差为±0.2mm,则该坝轴线实地长度的中误差 MD为 ( )。A.±0.2m B。 ±0.1m C。 ±0.02m D。 ±0。01m9。在水平角观测中,设方向值读数中误差 M 读=±6.0″,则任意两方向夹角的中误差 M 角为( )。A. 8.0″ B。 ±12.0″ C。 12.0″ D。 ±8。5″10.在下列误差中,()属于系统误差. A. 读数误差 B. 照准误差 C.钢尺尺长改正 D。对中误差11。在四等水准测量中,设 K 后=4。 687,K 前=4。 787,测得某站的黑面高差为+0.002m ,红面高差为—0.098m,则高差中数为().A。 —0。002m B。 +0。002m C. -0.004m D。 +0。004m 12. 等 精 度 观 测 某 水 平 角 , 设 测 角 中 误 差 为 ±8″, 欲 使 其 算 术 平 均 值 中 误 差小于±4″,则该水平角至少应该观测( )。A。 4 测回 B。 5 测回 C. 6 测回 D。 7 测回二、简答题1。何谓偶然误差? 2 .何谓竖直角?3。在测量工作中常用的方位角有哪几种?4.测站点与不同高度的两点连线所组成的夹角是不是水平角 ? 为什么 ?三、计算题1。 如图 1 所示,在 O 点安置经纬仪对 A、B 两方向采纳测回法进行水平角观测,一测回的观测数据均注于图中,请将观测数据填入表...

1、当您付费下载文档后,您只拥有了使用权限,并不意味着购买了版权,文档只能用于自身使用,不得用于其他商业用途(如 [转卖]进行直接盈利或[编辑后售卖]进行间接盈利)。
2、本站所有内容均由合作方或网友上传,本站不对文档的完整性、权威性及其观点立场正确性做任何保证或承诺!文档内容仅供研究参考,付费前请自行鉴别。
3、如文档内容存在违规,或者侵犯商业秘密、侵犯著作权等,请点击“违规举报”。

碎片内容

水利工程测量综合练习及解答

您可能关注的文档

确认删除?
VIP
微信客服
  • 扫码咨询
会员Q群
  • 会员专属群点击这里加入QQ群
客服邮箱
回到顶部