电脑桌面
添加小米粒文库到电脑桌面
安装后可以在桌面快捷访问

水泥稳定土基层专项施工方案

水泥稳定土基层专项施工方案_第1页
1/6
水泥稳定土基层专项施工方案_第2页
2/6
水泥稳定土基层专项施工方案_第3页
3/6
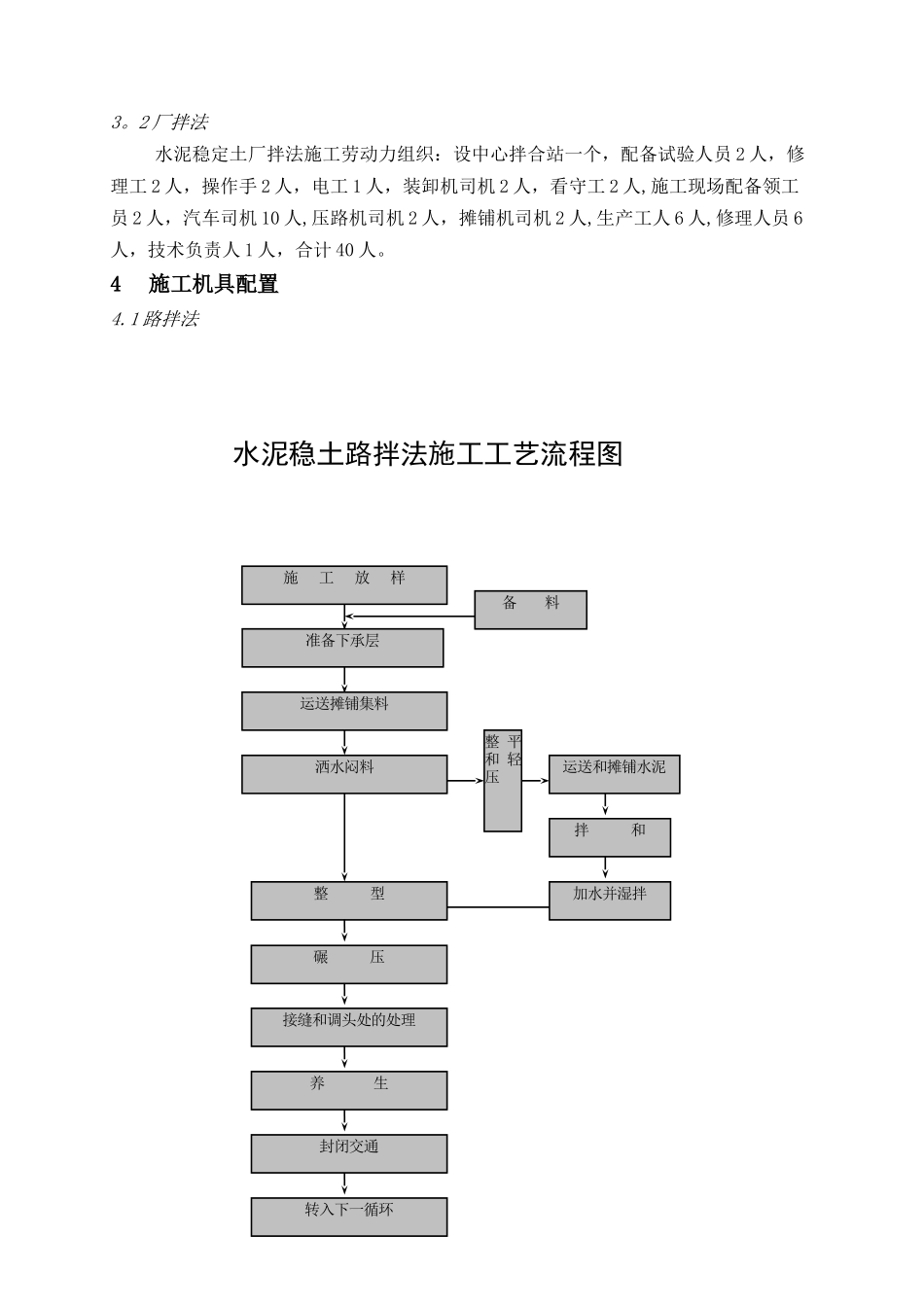
高速公路水泥稳定土基层(底基层)施工 1。施工方法 1.1 施工准备1.1.1 准备下承层 用 12~15 吨的三轮压路机或等效的碾压机械进行碾压,一般压 3~4遍.在碾压过程中,如发现土过干,表层松散,则适当洒水;如土过湿,发生“弹簧”现象,则实行挖干晾晒、换土、掺石灰或粒料等经监理工程师同意的措施进行处理。对底基层还要进行弯沉测定,凡不符合设计要求的路段,必须根据具体情况,分别采纳补充碾压、换填好的材料、挖开晾晒等措施,使其达到标准,符合平整度要求和具有规定的路拱。在槽式断面的路段,两侧路肩上每隔一定距离交错开挖泄水沟(或做盲沟)。1.1。2 施工放样在土基上恢复中线,直线段每 15~20 米设一桩,平面曲线每 10~15 米设一桩,并在两侧路肩边缘外设指示桩进行水平测量,在两侧指示桩上用明显标记标出水泥稳定土层边缘的设计高程。1。1.3 备料在所定料场中取有代表性的土样进行颗粒分析、液限及塑性指数、相对密度、重型击实等试验,必要时进行有机质含量、硫酸盐含量试验,土样经试验证明符合要求后才能采纳。选用不同的水泥剂量制成混合料试件,养生 7 天后进行无侧限抗压强度试验后选出合适的水泥剂量。1。2 施工工艺及要求1.2.1 路拌法1。2.1.1 铺土:用平地机将土均匀地摊铺在预定宽度上,表面力求平整,并有规定的路拱。摊料过程中,将土块、超尺寸颗粒及其它杂物拣除。1.2.1。2 洒水闷料:如土过干,则事先洒水闷料,使土的含水量接近最佳值。1.2.1。3 整平和轻压:在人工摊铺的集料层上,整平后用 6~8 吨两轮压路机碾压 1~2遍,使其表面平整,并有一定的密实度。1。2.1。4 摆放和摊铺水泥:按计算好的每袋水泥的纵横间距卸置水泥,打开水泥袋,将水泥倒在集料层上,并用刮将水泥均匀摊开.1.2.1.5 拌合:用稳定土拌合机进行拌合,拌合深度达到稳定层底部。拌合过程中有专人跟随拌合机检查拌合深度.1.2.1。6 补充洒水和拌合:用喷管式撒水车洒水后,再次进行拌合,混合料拌合均匀后色泽一致,没有灰条、灰团和花面,没有粗细颗粒“窝",且水分合适和均匀。1。2.1.7 整型:混合料拌合均匀后,用平地机进行初步整平和整型.在直线段,平地机由两侧向路中心进行刮平;在平曲线段,平地机由内侧向外侧进行刮平。对于局部低洼处,人工用齿耙将其表面 5 厘米以上耙松,用新拌的混合料进行找补平整.1。2。1.8 碾压:用振动压路机在路基全宽内进行碾压。压路机的碾压速度:头两遍1。7km/h,以后用 2.0~2。...

1、当您付费下载文档后,您只拥有了使用权限,并不意味着购买了版权,文档只能用于自身使用,不得用于其他商业用途(如 [转卖]进行直接盈利或[编辑后售卖]进行间接盈利)。
2、本站所有内容均由合作方或网友上传,本站不对文档的完整性、权威性及其观点立场正确性做任何保证或承诺!文档内容仅供研究参考,付费前请自行鉴别。
3、如文档内容存在违规,或者侵犯商业秘密、侵犯著作权等,请点击“违规举报”。

碎片内容

水泥稳定土基层专项施工方案

您可能关注的文档

确认删除?
VIP
微信客服
  • 扫码咨询
会员Q群
  • 会员专属群点击这里加入QQ群
客服邮箱
回到顶部