电脑桌面
添加小米粒文库到电脑桌面
安装后可以在桌面快捷访问

水电工岗位说明书

水电工岗位说明书_第1页
1/2
水电工岗位说明书_第2页
2/2
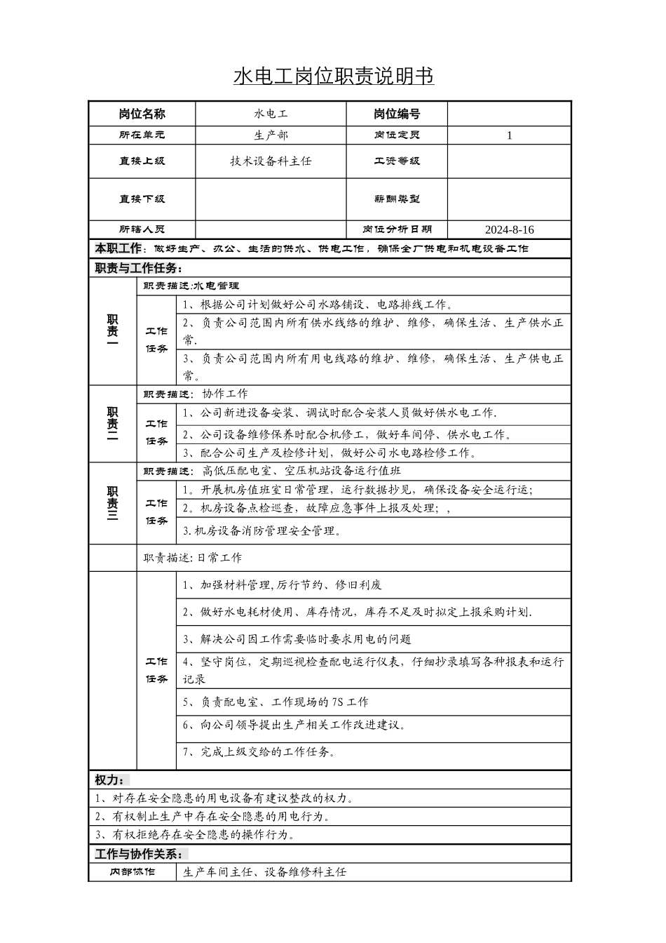
水电工岗位职责说明书岗位名称水电工岗位编号所在单元生产部岗位定员1直接上级技术设备科主任工资等级直接下级薪酬类型所辖人员岗位分析日期2024-8-16本职工作:做好生产、办公、生活的供水、供电工作,确保全厂供电和机电设备工作职责与工作任务:职责一职责描述:水电管理工作任务1、根据公司计划做好公司水路铺设、电路排线工作。2、负责公司范围内所有供水线络的维护、维修,确保生活、生产供水正常.3、负责公司范围内所有用电线路的维护、维修,确保生活、生产供电正常。职责二职责描述:协作工作工作任务1、公司新进设备安装、调试时配合安装人员做好供水电工作.2、公司设备维修保养时配合机修工,做好车间停、供水电工作。3、配合公司生产及检修计划,做好公司水电路检修工作。职责三职责描述:高低压配电室、空压机站设备运行值班工作任务1。开展机房值班室日常管理,运行数据抄见,确保设备安全运行运;2。机房设备点检巡查,故障应急事件上报及处理;,3.机房设备消防管理安全管理。职责描述:日常工作工作任务1、加强材料管理,厉行节约、修旧利废2、做好水电耗材使用、库存情况,库存不足及时拟定上报采购计划.3、解决公司因工作需要临时要求用电的问题4、坚守岗位,定期巡视检查配电运行仪表,仔细抄录填写各种报表和运行记录5、负责配电室、工作现场的 7S 工作6、向公司领导提出生产相关工作改进建议。7、完成上级交给的工作任务。权力:1、对存在安全隐患的用电设备有建议整改的权力。2、有权制止生产中存在安全隐患的用电行为。3、有权拒绝存在安全隐患的操作行为。工作与协作关系:内部协作生产车间主任、设备维修科主任外部协作研发部/品控部、物流部、综合办任职资格:教育水平专业培训经历受过专业的电工、用电知识培训经验知识有电工证技能技巧个人素养其它使用工具工作环境配电室、生产车间等时间特征正常工作时间,根据需要加班记录文档考核指标:(参照岗位绩效考核指标)备注:

1、当您付费下载文档后,您只拥有了使用权限,并不意味着购买了版权,文档只能用于自身使用,不得用于其他商业用途(如 [转卖]进行直接盈利或[编辑后售卖]进行间接盈利)。
2、本站所有内容均由合作方或网友上传,本站不对文档的完整性、权威性及其观点立场正确性做任何保证或承诺!文档内容仅供研究参考,付费前请自行鉴别。
3、如文档内容存在违规,或者侵犯商业秘密、侵犯著作权等,请点击“违规举报”。

碎片内容

水电工岗位说明书

确认删除?
VIP
微信客服
  • 扫码咨询
会员Q群
  • 会员专属群点击这里加入QQ群
客服邮箱
回到顶部