电脑桌面
添加小米粒文库到电脑桌面
安装后可以在桌面快捷访问

水资源论证报告表

水资源论证报告表_第1页
1/8
水资源论证报告表_第2页
2/8
水资源论证报告表_第3页
3/8
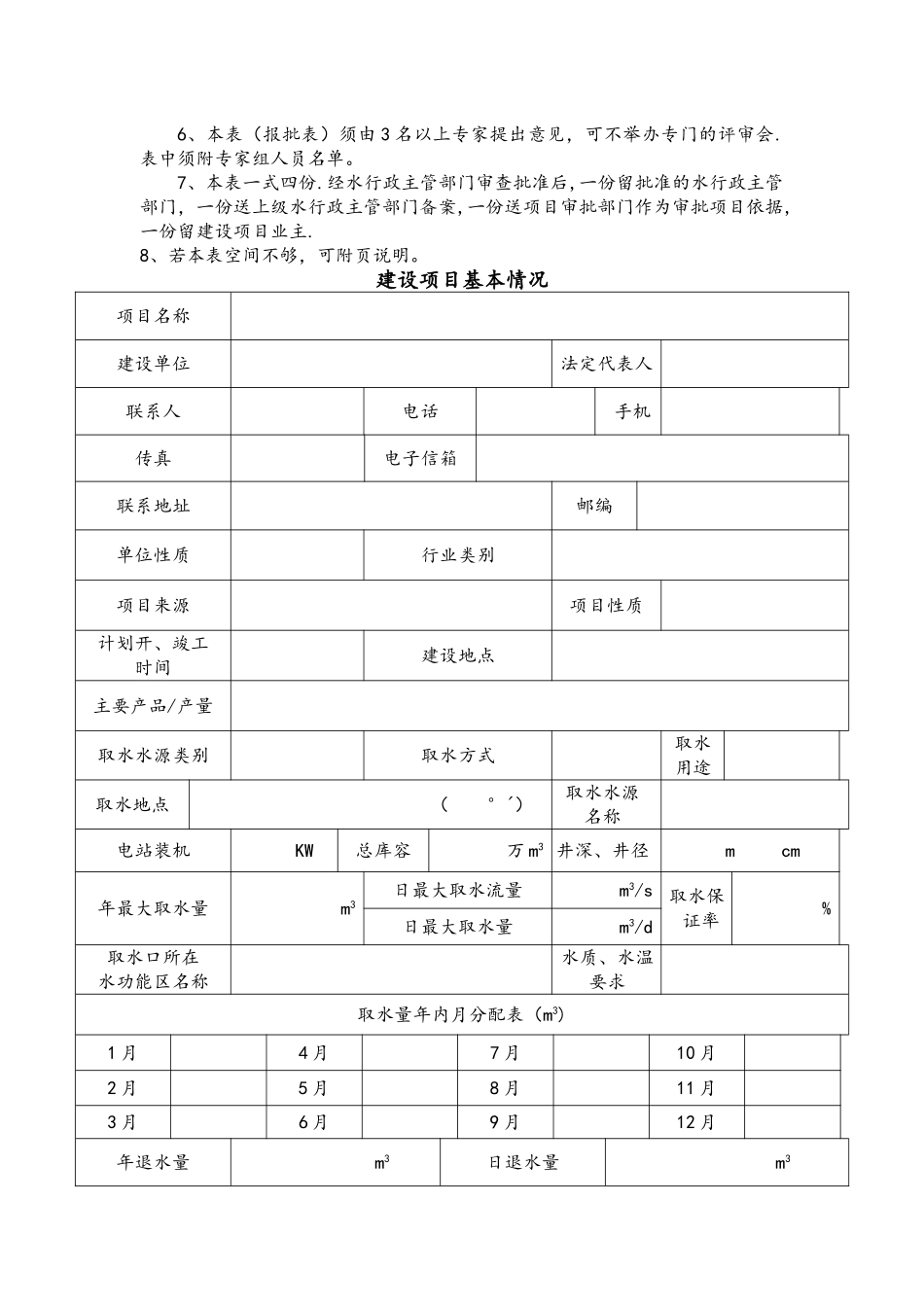
附件建设项目水资源论证报告表(试行)项目名称:申请人(盖章、签字):编制单位(盖章):编制时间:年月日——---省水利厅二〇一六年三月填 表 说 明1、根据《取水许可管理办法》,对于取水量较少且对周边环境影响较小的建设项目,申请人可不编制建设项目水资源论证报告书,但应当填写建设项目水资源论证表。2、本表须由建设项目水资源论证甲级或乙级资质单位填写。3、“建设项目基本情况”页有关内容说明:(1)“建设单位或个人”:填写建设工程的所有权人。(2)“联系地址”:个人填写户籍所在地或常常居住地;法人或者其它组织填写主要办事机构所在地。(3)“项目性质”:指新建、改建、扩建。(4)“取水地点”:是指取水工程所在地点的名称,须填写到村镇或街道办一级,并填写经纬度坐标.(5)“取水水源名称":取地表水的填写取水的江河湖库名称;取地下水的名称可不填;取再生水与矿井疏干水的填相应的再生水供应单位和矿坑名称。(6)“取水水源类别”:根据湖泊、水库、河道、浅层地下水、深层地下水填写;(7)“取水方式”:取地表水为蓄、引、提;取地下水为单井、自流。(8)“取水用途”:根据城市生活、农村生活、工业和农业等填写,多种用途的一并注明。(9)“取水量年内月分配表":水电项目可根据年内发电量分配比例填写。(10)“退水地点”:填写退入江河湖泊的地方,具体填写到村镇一级,并填写经纬度坐标.退入市政污水处理厂的,须填写污水处理厂的名称。4、对于改、扩建工程,在相应栏目说明已建工程情况,内容包括:工程概况、取水许可情况(含取水许可证编号,批准取水水源、水量及取排水口位置)、历年实际取用排水量情况、水资源费缴纳情况、用水水平分析、节水和水资源保护措施等,可附页说明.5、本表还需提供下列附图及附件:(1)附图:建设项目所在流域水系及位置图;水资源论证范围及分析范围图;项目所在位置水功能区划图。(2)附件:论证表编制委托书(函);如有受影响的单位,附受影响方的意见或补偿协议。6、本表(报批表)须由 3 名以上专家提出意见,可不举办专门的评审会.表中须附专家组人员名单。7、本表一式四份.经水行政主管部门审查批准后,一份留批准的水行政主管部门,一份送上级水行政主管部门备案,一份送项目审批部门作为审批项目依据,一份留建设项目业主.8、若本表空间不够,可附页说明。建设项目基本情况项目名称建设单位法定代表人联系人电话手机传真电子信箱联系地址邮编单位性质行业类别项目来源项...

1、当您付费下载文档后,您只拥有了使用权限,并不意味着购买了版权,文档只能用于自身使用,不得用于其他商业用途(如 [转卖]进行直接盈利或[编辑后售卖]进行间接盈利)。
2、本站所有内容均由合作方或网友上传,本站不对文档的完整性、权威性及其观点立场正确性做任何保证或承诺!文档内容仅供研究参考,付费前请自行鉴别。
3、如文档内容存在违规,或者侵犯商业秘密、侵犯著作权等,请点击“违规举报”。

碎片内容

水资源论证报告表

您可能关注的文档

确认删除?
VIP
微信客服
  • 扫码咨询
会员Q群
  • 会员专属群点击这里加入QQ群
客服邮箱
回到顶部