电脑桌面
添加小米粒文库到电脑桌面
安装后可以在桌面快捷访问

沥青上面层试验段总结报告

沥青上面层试验段总结报告_第1页
1/11
沥青上面层试验段总结报告_第2页
2/11
沥青上面层试验段总结报告_第3页
3/11
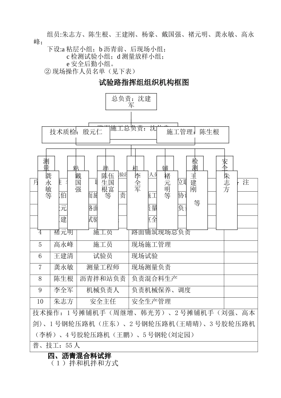
合肥市蒙城北路沥青砼路面工程B、C 标沥青上面层试验路段总结报告浙江登峰交通集团有限公司2007 年 7 月 21 日目 录1、试验路段概况2、批准的目标配合比和生产配合比3、机械设备和人员组成4、沥青混合料试拌5、沥青混合料摊铺6、沥青混合料压实方案7、中面层松铺系数8、施工缝处理方法9、试铺路段各项技术指标检查结果10、 结论和意见一、试验段概况浙江登峰交通集团有限公司承建,浙江江南工程管理股份有限公司、上海斯美科汇建设工程咨询有限公司共同监理的合肥市蒙城北路沥青砼 B、C 标路面工程。施工桩号为 B 标(K3+240-K5+900)、C 标(K5+900-K8+700),全长 5。46km。快车道面层结构类型:7cm 厚 AC-25(C)沥青混凝土+6cm 厚AC-20(C)改性沥青混凝土+5 厚 AC16(C)-改性沥青混凝土(上面层碎石采纳玄武岩,其余各层均采纳石灰岩);试验段桩号 K7+600~K8+000 长400m。本次试验路仅施工上面层即厚 5cmAC—16(C)改性沥青混凝土.施工日期:2024 年 7 月 19 日,施工天气情况:晴,气温:33℃,施工最高气温:37℃,最低气温:25℃,风力:小于 3 级。 在试铺前,项目部按已编制的实施性施工组织设计制定了实施细则,对车辆与摊铺机进行了防离析技术小改造.在机械设备的维修和保养、原材料的组织进场与检测、混合料配合比的申报、拌和机的调试、试拌岗位责任的明确、施工人员的技术交底、上面层的自检及报检等方面做好了各项准备工作,并在人员组织、机械设备、原材料检测等方面严格根据指挥部和监理组下发的技术性文件及交通部颁发《公路沥青路面施工技术法律规范》(JTJ F40 2024)中的要求来组织施工,以确保沥青下面层的施工质量.在指挥部、驻地办、市质检站检测工程师的全过程督导下,经项目部全体员工的努力,于2024 年 7 月 19 日,顺利完成了沥青上面层的试铺工作。本次沥青中面层试验路段铺筑段落桩号为:K7+600-K8+000 快车道右幅,铺筑长度 400m,试验段铺筑时间为:2007—7—19 上午 8:30 至下午 1:00。通过试验段试铺施工,主要确定并检验了采纳的施工设备能否满足备料、拌和、摊铺和碾压及施工质量、进度等方面的要求,以及达到规定压实度的压实工艺与压实程序,明确了碾压时间、压实顺序、碾压温度、碾压速度、静压与振压最佳遍数,压路机类型组合,压路机型号与吨位、压路机振幅、频率与行走的组合等,并确定了沥青中面层松铺系数。为沥青上面层大面积施工提供了相应的试验检测数据...

1、当您付费下载文档后,您只拥有了使用权限,并不意味着购买了版权,文档只能用于自身使用,不得用于其他商业用途(如 [转卖]进行直接盈利或[编辑后售卖]进行间接盈利)。
2、本站所有内容均由合作方或网友上传,本站不对文档的完整性、权威性及其观点立场正确性做任何保证或承诺!文档内容仅供研究参考,付费前请自行鉴别。
3、如文档内容存在违规,或者侵犯商业秘密、侵犯著作权等,请点击“违规举报”。

碎片内容

沥青上面层试验段总结报告

您可能关注的文档

确认删除?
VIP
微信客服
  • 扫码咨询
会员Q群
  • 会员专属群点击这里加入QQ群
客服邮箱
回到顶部