电脑桌面
添加小米粒文库到电脑桌面
安装后可以在桌面快捷访问

油品切换管理规定

油品切换管理规定_第1页
1/10
油品切换管理规定_第2页
2/10
油品切换管理规定_第3页
3/10
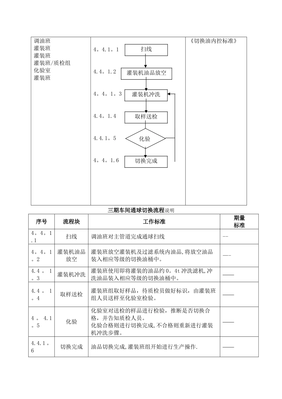
文件编号:QEOZG/YP 3 50 003—2024油品切换管理规定(D 版)发布日期:2015 年 07 月 28 日 实施日期:2015 年 07 月 28 日 1 目的加强油品切换的法律规范管理,优化切换油使用,减少切换油库存堆积,降低生产成本。2 适用范围适应于广西北海玉柴马石油高级润滑油有限公司日常灌装生产过程进行的油品切换。3 职责3。1 生产部3.1。1 灌装班负责油品切换和切换油的标识,做好《生产部切换油统计表》,指定人员每天 17:30 前 OA 给技术研发中心研发员,并及时将切换油送达指定地点分类分区摆放。3。1。2 调油班负责切换油的回调使用,明确各类切换油的种类,数量以及摆放位置,做好《切换油领用明细表》。3.2 技术研发中心3。2。1 研发员负责指导、协调和督促调油班进行切换油回调。4 切换油各项规定4。1 油品切换规定油品切换规定粘度等级质量等级是否产生切换油是否取样化验如何处理原灌装油品现灌装油品相同低高是是1、将切换油作为低等级油装入低等级成品油中,即在低等级成品油灌装接近尾声时,将高等级油品直接灌装入低等级成品油包装中,直至油品经化验后符合高等级油品指标,再改换高等级油品包装开始灌装。2、将切换油装入切换油桶中。受控状态受控分发编号高低否否在低等级油品灌装初始时,直接装将切换油装入低等级成品油中,即直接换包装开始灌装。不同低高是是切换油不能直接进行灌装,切换出来的油品按规定进行分类装入指定用桶,并做好相应标识。高低是注:气体机油、船用油与其他油品切换时,无论粘度等级是否相同,均要产生切换油,并取样化验。4.2 切换油的切换方式分类4.2.1 三期车间切换方式通球切换:使用通球对管线油进行切换.4.2。2 一期车间切换方式4。2。2。1 根据一期的切换方式可分为以下三种:灌装机切换、高位罐切换、全管线切换4。2.2.2 灌装机切换:对高位罐至灌装机过程中的油品进行切换。4。2.2.3 高位罐切换:对灌装泵房至灌装机过程中的油品进行切换。4。2.2.4 全管线切换:对调和罐至灌装机过程中的油品进行切换.4.4 切换过程操作规定4。4。1 三期车间通球切换流程图、三期车间通球切换流程图说明4.4。2 一期车间灌装机切换流程图、一期车间灌装机切换流程说明4.4。3 一期车间高位罐切换流程图、一期车间高位罐切换流程说明4。4.4 一期车间全管线切换流程图、一期车间全管线切换流程说明三期车间通球切换流程图职责岗位流程作业指导书、记录等调油班灌装班灌装班灌装班/质检组化...

1、当您付费下载文档后,您只拥有了使用权限,并不意味着购买了版权,文档只能用于自身使用,不得用于其他商业用途(如 [转卖]进行直接盈利或[编辑后售卖]进行间接盈利)。
2、本站所有内容均由合作方或网友上传,本站不对文档的完整性、权威性及其观点立场正确性做任何保证或承诺!文档内容仅供研究参考,付费前请自行鉴别。
3、如文档内容存在违规,或者侵犯商业秘密、侵犯著作权等,请点击“违规举报”。

碎片内容

油品切换管理规定

您可能关注的文档

确认删除?
VIP
微信客服
  • 扫码咨询
会员Q群
  • 会员专属群点击这里加入QQ群
客服邮箱
回到顶部