电脑桌面
添加小米粒文库到电脑桌面
安装后可以在桌面快捷访问

消防设施维修保养记录

消防设施维修保养记录_第1页
1/3
消防设施维修保养记录_第2页
2/3
消防设施维修保养记录_第3页
3/3
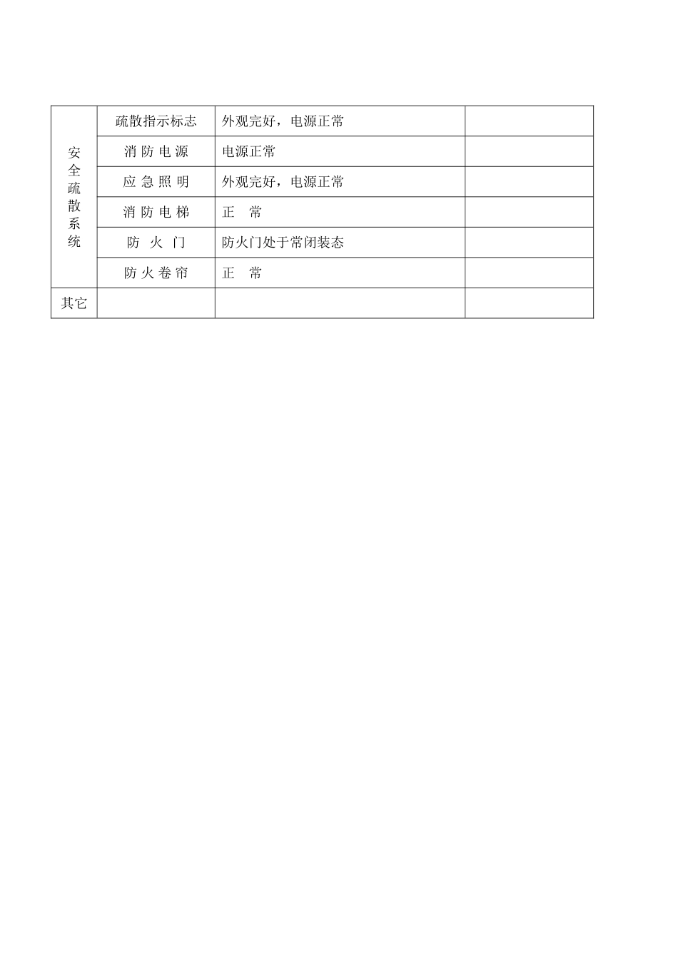
江苏省建筑消防设施维修保养记录委托单位: (盖章)维修保养单位: (盖章)江苏省公安消防部队统一制建筑消防设施维修保养记录委 托 单 位维修保养单位维 修 保 养 人维修保养日期年 月 日建 筑 名 称项 目维 修 保 养 情 况备 注消火栓系统室内消火栓恒压 4。5Map;试水,启动水泵,充实水柱达10 米;设备器材完好。 室外消火栓 设备完好 消防水泵 运转正常、联动正常 水泵接合器 设备完好 消防水池 满 水 屋顶水箱 满 水 通风空调风 机 正 常 防 火 阀 正 常 防烟排防 火 阀 正 常 送 风 机 正 常 烟系排 烟 阀 正 常 排 烟 机 正 常 火灾自动报警系统集中报警器 自检正常,报警正常,联动正常 楼 层 警 铃 模拟火警试验,报警正常 感烟探测器 模拟火警试验,报警正常感温探测器 模拟火警试验,报警正常 应急广播 模拟火警试验,报警正常 手动按钮 模拟火警试验,报警正常 其它探测器 建筑消防设施维修保养记录项 目维 修 保 养 情 况备 注自动喷水灭火系统喷 洒 头外观完好,恒压 405Mpa报警控制阀放水试验,报警正常水流指示器放水试验,报警正常压 力 开 关放水试验,报警正常,联动水泵水 泵运转正常,联动正常稳 压 泵运转正常,联动正常其 它气体灭火系统喷 头瓶 头 阀分 配 阀远程启动装置联动开启装置手动开启装置紧 急 启 动储 罐其 它安全疏散系统疏散指示标志外观完好,电源正常消 防 电 源电源正常应 急 照 明外观完好,电源正常消 防 电 梯正 常防 火 门防火门处于常闭装态防 火 卷 帘正 常其它

1、当您付费下载文档后,您只拥有了使用权限,并不意味着购买了版权,文档只能用于自身使用,不得用于其他商业用途(如 [转卖]进行直接盈利或[编辑后售卖]进行间接盈利)。
2、本站所有内容均由合作方或网友上传,本站不对文档的完整性、权威性及其观点立场正确性做任何保证或承诺!文档内容仅供研究参考,付费前请自行鉴别。
3、如文档内容存在违规,或者侵犯商业秘密、侵犯著作权等,请点击“违规举报”。

碎片内容

消防设施维修保养记录

确认删除?
VIP
微信客服
  • 扫码咨询
会员Q群
  • 会员专属群点击这里加入QQ群
客服邮箱
回到顶部