电脑桌面
添加小米粒文库到电脑桌面
安装后可以在桌面快捷访问

清表施工专项技术方案

清表施工专项技术方案_第1页
1/10
清表施工专项技术方案_第2页
2/10
清表施工专项技术方案_第3页
3/10
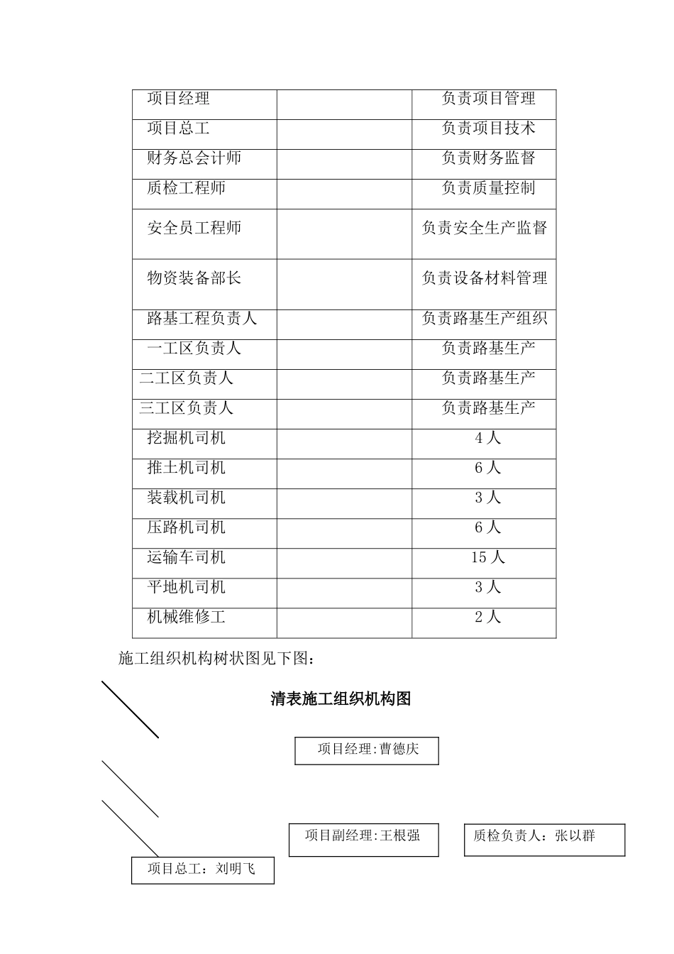
目 录一、工程概况:.....................................1二、前期准备 ...................................... 1 三、施工组织 : .................................... 1 四、主要工程数量 : ................................ 5 五、施工方案 : ..................................... 5 六、腐质土处理措施 : ............................... 7 七、安全管理体系 : ................................ 7 八、工程质量保证 : ................................. 8 九、文明施工: ................................... 10 路基清表及填前碾压施工方案一、工程概况:高速公路(一期)全长 106。3 公里,起点位于拟建商登高速公路上,通过枢纽互通与拟建商登高速相连,先后和兰南高速、永登等多条高速便捷相连,终点在周口市西北接商周高速公路.项目位于开封市尉氏县、许昌市鄢陵县及周口市扶沟县、西华县境内。工程按四车道高速公路标准设计,荷载等级为公路—Ⅰ级,设计速度 120 公里/小时,路基宽 28 米.我项目部计划施工的郑州机场至周口西华高速公路(一期)A类 JXZT-3 合同段,路基起点桩号为 K42+600,终点桩 K52+700,全长 10.1KM。二、前期准备1、熟悉设计图纸,对图纸中提供的相关数据与现场核对,目前已发现的问题已经向上级领导申报.2 清表工作实施前,先对设计图纸中定出的控制点进行检查、加固等保护措施,确保施工过程中不惊扰、不松动、位移.3、测量放线,根据设计图定出场区边界,确定清表范围.三、施工组织:(一)、人员组织根据试验段具体特点和施工内容,我项目部人员组织如下:设现场施工负责人 3 人,技术管理人员 6 人,辅助工人 30 人,试验人员 3 人,测量人员 3 人,机驾人员 30 人,维修人员 3 人。表一 人员岗位一览表职务姓名职责 项目经理负责项目管理 项目总工负责项目技术 财务总会计师负责财务监督 质检工程师负责质量控制 安全员工程师负责安全生产监督 物资装备部长负责设备材料管理 路基工程负责人负责路基生产组织 一工区负责人负责路基生产二工区负责人负责路基生产三工区负责人负责路基生产 挖掘机司机4 人推土机司机6 人装载机司机3 人压路机司机6 人运输车司机15 人平地机司机3 人机械维修工2 人施工组织机构树状图见下图: 清表施工组织机构图项目总工:刘明飞质检负责人:张以群项目经理:曹德庆项目副经理:王根强 (...

1、当您付费下载文档后,您只拥有了使用权限,并不意味着购买了版权,文档只能用于自身使用,不得用于其他商业用途(如 [转卖]进行直接盈利或[编辑后售卖]进行间接盈利)。
2、本站所有内容均由合作方或网友上传,本站不对文档的完整性、权威性及其观点立场正确性做任何保证或承诺!文档内容仅供研究参考,付费前请自行鉴别。
3、如文档内容存在违规,或者侵犯商业秘密、侵犯著作权等,请点击“违规举报”。

碎片内容

清表施工专项技术方案

确认删除?
VIP
微信客服
  • 扫码咨询
会员Q群
  • 会员专属群点击这里加入QQ群
客服邮箱
回到顶部