电脑桌面
添加小米粒文库到电脑桌面
安装后可以在桌面快捷访问

炼钢2#转炉更换烟道方案

炼钢2#转炉更换烟道方案_第1页
1/17
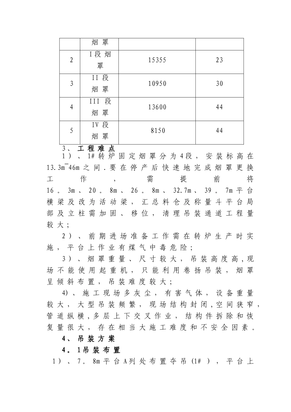
炼钢2#转炉更换烟道方案_第2页
2/17
炼钢2#转炉更换烟道方案_第3页
3/17
炼 钢 2 # 转 炉 烟 罩 更 换 施 工 方 案1 、 编 制 依 据1 ) 德 胜 公 司 炼 钢 厂 要 求 ;2)80t 转 炉 技 术 、 图 纸 资 料 ;3 ) 国 家 、 行 业 相 关 施 工 及 验 收 法 律 规 范 ;4) 我 公 司 的 技 术 、 机 具 、 人 员 结 构 和 履 约 能力 .2 、 工 程 概 况2 。 1 施 工 现 场 概 况炼 钢 厂 2 # 转 炉 此 次 检 修 拟 更 换 活 动 烟 罩 、I-Ⅳ段 固 定 汽 化 冷 却 烟 罩 、 炉 壳 挡 渣 罩 、 水 冷 炉口 . 由 于 是 施 工 与 生 产 同 步 进 行 , 环 境 重 尘 , 有 害气 体 。 工 程 工 期 紧 张 , 设 备 重 量 较 大 , 大 型 吊 装频 繁 , 现 场 结 构 封 闭 , 空 间 狭 窄 , 管 道 纵 横 , 多层 上 下 交 叉 作 业 , 结 构 件 拆 除 和 恢 复 量 很 大 , 存在 相 当 大 施 工 难 度 和 不 安 全 因 素 , 各 施 工 单 位务 必 做 好 充 分 的 准 备 , 检 修 过 程 中 精 心 组 织 , 合理 安 排 , 确 保 优 质 、 高 效 、 按 期 完 成 此 次 检 修 任务 。2 。 2 设 备 检 修 主 要 内 容 :1) 、 活 动 烟 罩 的 拆 除 与 恢 复 ;2 ) 、 更 换 I ~ Ⅳ 段 固 定 汽 化 冷 却 烟 罩 (36 人*15 天 、 其 中 起 重 工 8 人 ) ;3) 、 1# 刮 渣 器 的 拆 除 与 恢 复 (4 人 *3 天 ) ;4 ) 、 更 换 2 # 炉 汽 化 冷 却 烟 道 路 口 段 及 斜直 段 排 污 阀 (2 人 *3 天 ) ;5 ) 、 2# 炉 活 动 烟 罩 水 封 槽 加 装 挡 灰 板 (4 人*2 天 ) ;6 ) 、 2 # 炉 烟 道 汽 包 上 升 、 下 降 管 的 拆 除与 恢 复 、 并 加 装 吊 挂 ( 6 人 * 8 天 ) ;7) 、 更 换 2# 炉 一 、 二 文 除 尘 排 污 管 道 并 加装 人 孔 ( 6 人 *8 天 ) ;8 ) 、 更 换 汇 总 斗 至 炉 体 段 的 下 料 管 和 氮 封( 4 人 *4 天 ) ;9) 、 更 换 合 金 旋 转 溜 槽 、 检 查 处 理 传 动 机构 及 其 基 ...

1、当您付费下载文档后,您只拥有了使用权限,并不意味着购买了版权,文档只能用于自身使用,不得用于其他商业用途(如 [转卖]进行直接盈利或[编辑后售卖]进行间接盈利)。
2、本站所有内容均由合作方或网友上传,本站不对文档的完整性、权威性及其观点立场正确性做任何保证或承诺!文档内容仅供研究参考,付费前请自行鉴别。
3、如文档内容存在违规,或者侵犯商业秘密、侵犯著作权等,请点击“违规举报”。

碎片内容

炼钢2#转炉更换烟道方案

您可能关注的文档

确认删除?
VIP
微信客服
  • 扫码咨询
会员Q群
  • 会员专属群点击这里加入QQ群
客服邮箱
回到顶部