电脑桌面
添加小米粒文库到电脑桌面
安装后可以在桌面快捷访问

爬架提升使用验收表

爬架提升使用验收表_第1页
1/1
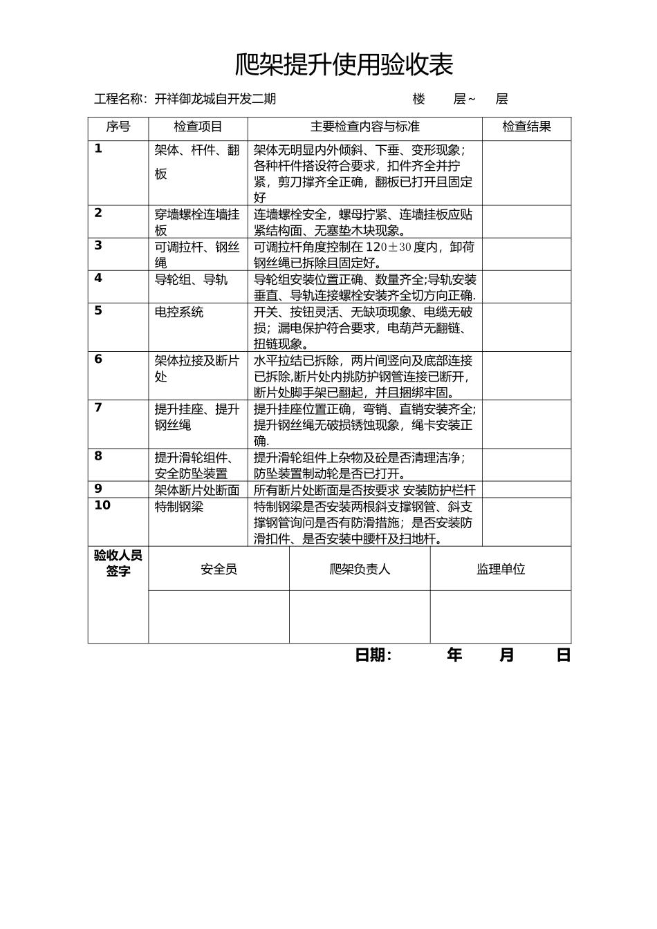
爬架提升使用验收表工程名称:开祥御龙城自开发二期 楼 层~ 层序号检查项目主要检查内容与标准检查结果1架体、杆件、翻板架体无明显内外倾斜、下垂、变形现象;各种杆件搭设符合要求,扣件齐全并拧紧,剪刀撑齐全正确,翻板已打开且固定好2穿墙螺栓连墙挂板连墙螺栓安全,螺母拧紧、连墙挂板应贴紧结构面、无塞垫木块现象。3可调拉杆、钢丝绳可调拉杆角度控制在 120±30 度内,卸荷钢丝绳已拆除且固定好。4导轮组、导轨导轮组安装位置正确、数量齐全;导轨安装垂直、导轨连接螺栓安装齐全切方向正确.5电控系统开关、按钮灵活、无缺项现象、电缆无破损;漏电保护符合要求,电葫芦无翻链、扭链现象。6架体拉接及断片处水平拉结已拆除,两片间竖向及底部连接已拆除,断片处内挑防护钢管连接已断开,断片处脚手架已翻起,并且捆绑牢固。7提升挂座、提升钢丝绳提升挂座位置正确,弯销、直销安装齐全;提升钢丝绳无破损锈蚀现象,绳卡安装正确.8提升滑轮组件、安全防坠装置提升滑轮组件上杂物及砼是否清理洁净;防坠装置制动轮是否已打开。9架体断片处断面所有断片处断面是否按要求 安装防护栏杆10特制钢梁特制钢梁是否安装两根斜支撑钢管、斜支撑钢管询问是否有防滑措施;是否安装防滑扣件、是否安装中腰杆及扫地杆。验收人员签字安全员爬架负责人监理单位日期: 年 月 日

1、当您付费下载文档后,您只拥有了使用权限,并不意味着购买了版权,文档只能用于自身使用,不得用于其他商业用途(如 [转卖]进行直接盈利或[编辑后售卖]进行间接盈利)。
2、本站所有内容均由合作方或网友上传,本站不对文档的完整性、权威性及其观点立场正确性做任何保证或承诺!文档内容仅供研究参考,付费前请自行鉴别。
3、如文档内容存在违规,或者侵犯商业秘密、侵犯著作权等,请点击“违规举报”。

碎片内容

爬架提升使用验收表

确认删除?
VIP
微信客服
  • 扫码咨询
会员Q群
  • 会员专属群点击这里加入QQ群
客服邮箱
回到顶部