电脑桌面
添加小米粒文库到电脑桌面
安装后可以在桌面快捷访问

特种作业人员职业健康体检项目标准

特种作业人员职业健康体检项目标准_第1页
1/2
特种作业人员职业健康体检项目标准_第2页
2/2
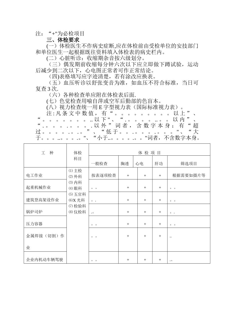
特种作业人员体检项目及标准 一、有下列疾病或生理缺陷者,不合格(一)内科1、器质性心、肝、肾疾病:(1) 器质性心脏血管病,包括风湿性心脏病、先天性心脏病(经手术治愈者除外)、心肌病、心电图明显异常者。(2) 急性肝炎和慢性肝炎、肝硬化。(3) 急性肾炎和慢性肾炎。2、血压超过 160/90 毫米汞柱(21.3/12.0 千帕斯卡),低于 86/56毫米汞柱(11。5/7.5 千帕斯卡),包括单项血压数值,船舶驾驶,血压超过 140/90 毫米汞柱(18。6/12.0 千帕斯卡),低于 90/60 毫米汞柱(12/8.0 千帕斯卡)。3、严重的心律失常:期前收缩每分钟 6 次以上者。4、活动性结核(包括肺外结核)。5、支气管哮喘(反复发作)。6、支气管扩张症(反复感染、咯血).7、精神病、癫痫8、重症神经官能症及脑外伤后遗症。9、晕厥(近一年内有晕厥发作者)。10、恶性肿瘤、内分泌疾病、血液病.11 、 血 红 蛋 白 男 性 低 于 9 克 % ( 90g/L), 女 性 低 于 8 克 %(80g/L)。(二)外科1、肢体残废、畸形、功能受限者。2、慢性骨髓炎。3、各种脉管炎(不包括表浅性静脉炎)。4、企业内机动车辆驾驶,大型车身高不足 155 厘米,小型车身高不足 150 厘米。(三)五官科1、耳全聋及发音不清者。2、企业内机动车辆驾驶听力不足 5 米者.(四)眼科1、双眼裸眼视力均低于 0。3 者。2、双眼裸眼视力均在 0。4 以上,矫正视力不足 0。7 者,企业内机动车驾驶不合格。3、色盲. 二、健康检查科目及项目规定:注:“+"为必检项目三、体检要求(一)体检医生不作病史症断,应在体检前由受检单位的安技部门和单位医生一起根据既往资料填入体检表的病史栏内。(二)心脏听诊:收缩期杂音按六级划分。(三)偶发期前收缩每分钟六次以下应立即做下蹲试验,运动后减少到二次以下,心电图正常者可作正常结论。(四)表格填写应字迹清楚,若有涂改应换表。(五)血压听诊以舒张变音为准,如血压不符合标准,当日可复查 3 次.(六)各种检查单应附在体检表后面.(七)色觉检查用喻自萍或空军后勤部的色盲本。(八)视力检查统一用 E 字型视力表(国际标准视力表)。注 : 凡 条 文 中 数 值 , 有 “ 。 。 。 。 。 。 。 。 。 以 上 ” 、“ 。 。 。 。 。 。 。 .. 以 下 " 、 “ . 。 。 。 。 .. 。 。 以 内 ” 、“ . 。 。 。 . 。 。 。 . 以 外 ” 词 者 , 含 数...

1、当您付费下载文档后,您只拥有了使用权限,并不意味着购买了版权,文档只能用于自身使用,不得用于其他商业用途(如 [转卖]进行直接盈利或[编辑后售卖]进行间接盈利)。
2、本站所有内容均由合作方或网友上传,本站不对文档的完整性、权威性及其观点立场正确性做任何保证或承诺!文档内容仅供研究参考,付费前请自行鉴别。
3、如文档内容存在违规,或者侵犯商业秘密、侵犯著作权等,请点击“违规举报”。

碎片内容

特种作业人员职业健康体检项目标准

您可能关注的文档

确认删除?
VIP
微信客服
  • 扫码咨询
会员Q群
  • 会员专属群点击这里加入QQ群
客服邮箱
回到顶部