电脑桌面
添加小米粒文库到电脑桌面
安装后可以在桌面快捷访问

特种设备维修保养记录

特种设备维修保养记录_第1页
1/10
特种设备维修保养记录_第2页
2/10
特种设备维修保养记录_第3页
3/10
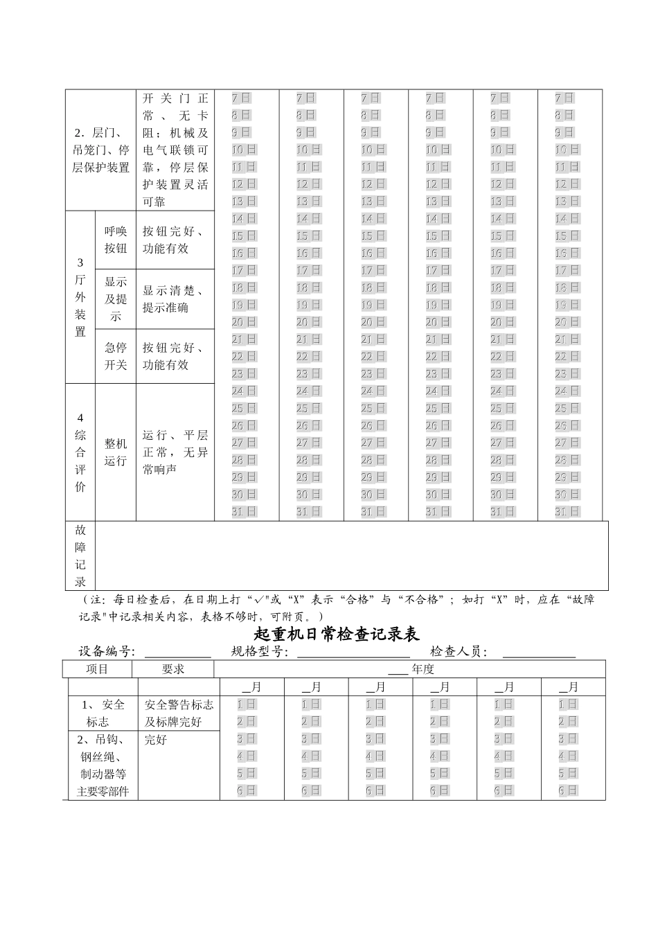
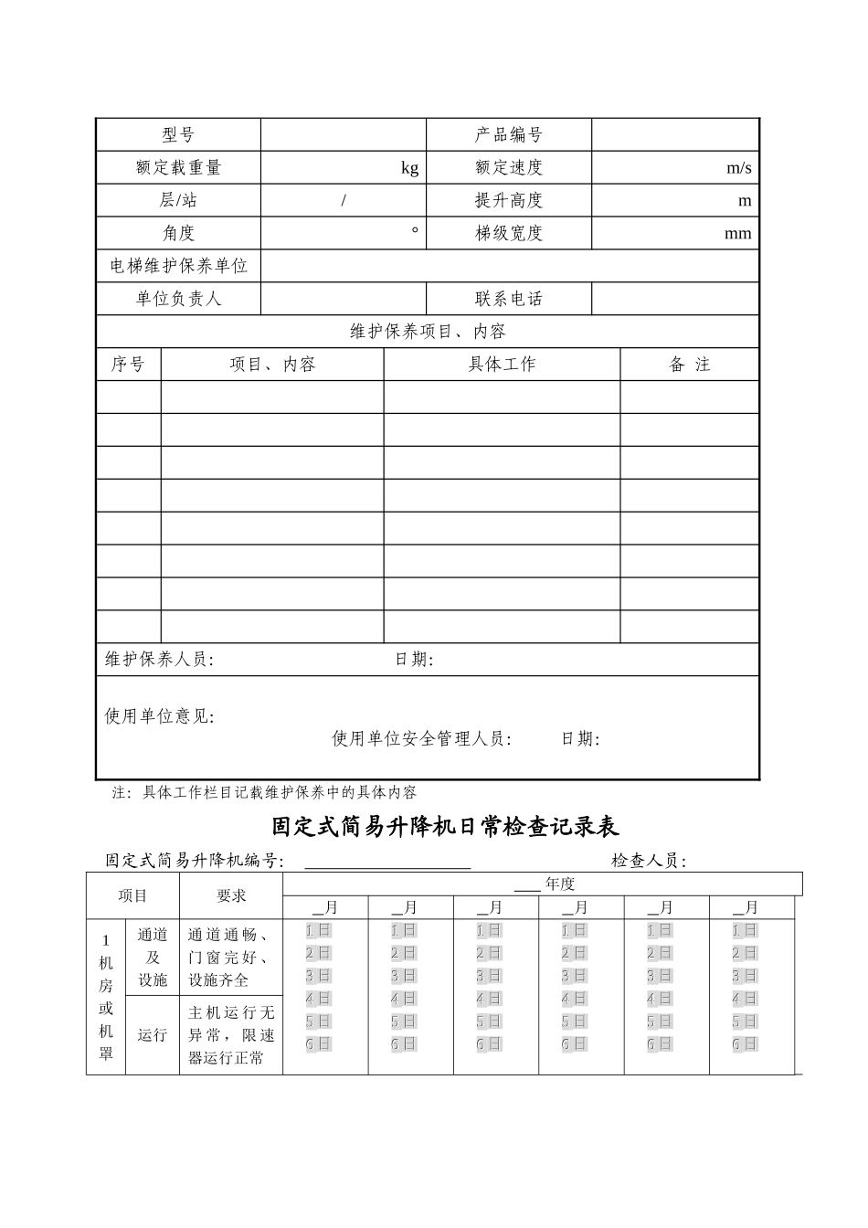
特种设备维修保养记录时 间维修保养内容责任维修人电梯日常维护保养纪录 编号:使用单位使用地点设备代码使用单位电梯编号制造单位电梯类别电梯品种型号产品编号额定载重量kg额定速度m/s层/站/提升高度m角度°梯级宽度mm电梯维护保养单位单位负责人联系电话维护保养项目、内容序号项目、内容具体工作备 注维护保养人员: 日期:使用单位意见:使用单位安全管理人员: 日期: 注:具体工作栏目记载维护保养中的具体内容固定式简易升降机日常检查记录表固定式简易升降机编号: 检查人员: 项目要求 年度 月 月 月 月 月 月1机房或机罩通道及设施通 道 通 畅 、门 窗 完 好 、设施齐全11 日日 22 日日 33 日日 44 日日 55 日日 66 日日 11 日日 22 日日 33 日日 44 日日 55 日日 66 日日 11 日日 22 日日 33 日日 44 日日 55 日日 66 日日 11 日日 22 日日 33 日日 44 日日 55 日日 66 日日 11 日日 22 日日 33 日日 44 日日 55 日日 66 日日 11 日日 22 日日 33 日日 44 日日 55 日日 66 日日 运行主 机 运 行 无异 常 , 限 速器运行正常77 日日 88 日日 99 日日 1010 日日 1111 日日 1212 日日 1313 日日 1414 日日 1515 日日 1616 日日 1717 日日 1818 日日 1919 日日 2020 日日 2121 日日 2222 日日 2323 日日 2424 日日 2525 日日 2626 日日 2727 日日 2828 日日 2929 日日 3030 日日 3131 日日 77 日日 88 日日 99 日日 1010 日日 1111 日日 1212 日日 1313 日日 1414 日日 1515 日日 1616 日日 1717 日日 1818 日日 1919 日日 2020 日日 2121 日日 2222 日日 2323 日日 2424 日日 2525 日日 2626 日日 2727 日日 2828 日日 2929 日日 3030 日日 3131 日日 77 日日 88 日日 99 日日 1010 日日 1111 日日 1212 日日 1313 日日 1414 日日 1515 日日 1616 日日 1717 日日 1818 日日 1919 日日 2020 日日 2121 日日 2222 日日 2323 日日 2424 日日 2525 日日 2626 日日 2727 日日 2828 日日 2929 日日 3030 日日 3131 日日 77 日日 88 日日 99 日日 1010 日日 1111 日日 1212 日日 1313 日日 1414 日日 1515 日日 1616 日日 1717 日日 1818 日日 1919 ...

1、当您付费下载文档后,您只拥有了使用权限,并不意味着购买了版权,文档只能用于自身使用,不得用于其他商业用途(如 [转卖]进行直接盈利或[编辑后售卖]进行间接盈利)。
2、本站所有内容均由合作方或网友上传,本站不对文档的完整性、权威性及其观点立场正确性做任何保证或承诺!文档内容仅供研究参考,付费前请自行鉴别。
3、如文档内容存在违规,或者侵犯商业秘密、侵犯著作权等,请点击“违规举报”。

碎片内容

特种设备维修保养记录

确认删除?
VIP
微信客服
  • 扫码咨询
会员Q群
  • 会员专属群点击这里加入QQ群
客服邮箱
回到顶部