电脑桌面
添加小米粒文库到电脑桌面
安装后可以在桌面快捷访问

生产设备管理程序

生产设备管理程序_第1页
1/13
生产设备管理程序_第2页
2/13
生产设备管理程序_第3页
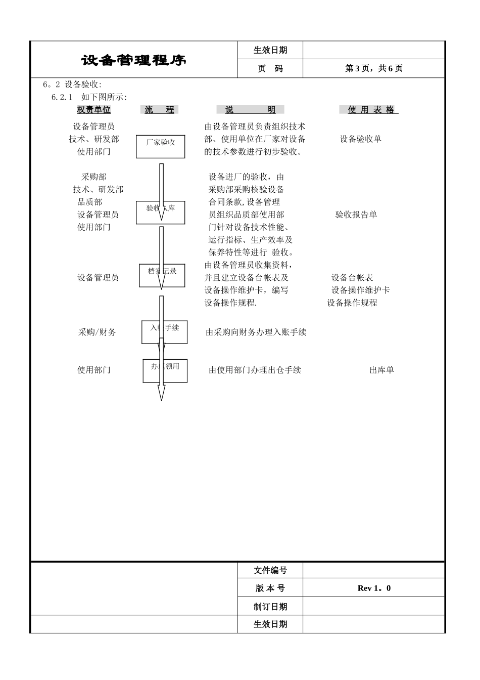
3/13
文件编号版 本 号Rev 3。0制订日期设备管理程序生效日期页 码第 1 页,共 6 页制订/修订一览:版 本 号 ( Rev 。 No。)日 期变 更 描 述拟订审 核确 认备注:会 签批 准拟 制 者1。 市场部2.研发部3.技术部审 核4.工程服务部5。财务部6.品管部核 准7. 制造部8。采购部9.综合管理部/ /分发部门市场部研发部技术部工程服务部财务部品管部制造部采购部综合管理部签收文件编号版 本 号Rev 1.0制订日期设备管理程序生效日期页 码第 2 页,共 6 页1、目的: 为加强设备的技术、经济和效益等综合管理,使其保持良好的运行状态,以提高使用效率,满足公司正常检测、生产的需要。2、范围:本公司所有的研发、检测、生产设备.3、定义: 无4、权责:4。1 本公司研发、检测、生产设备的运行管理职能者为技术部指定的设备管理员。4。2 设备管理员负责新设备的定位及必要的安装协助,设备的维护保养工作;4。3 设备管理员、技术、研发部负责新设备所需的工艺技术参数的制定; 4。4 设备管理员根据设备技术参数大纲,进行设备选型,并负责监察设备制造进度和核查质量以及新设备的使用和维护培训;4.5 制造部、品质部负责新设备、新工艺实施情况的反馈并根据实施情况提出更改建议;5、作业流程:无6、作业内容:6.1 设备的申购:6。1。1 公司因产量上升,技术革新,产品开发、品质测量等原因需要添置设备时,需求设备的部门负责人应填写“设备需求申请单”(见附件 1)交设备管理员,需求部门应简述一下所需设备的参数和技术要求交设备管理员,设备管理员应根据申请情况进行调查与考证核实,然后制定相应的设备采购“设备采购提案文”(见附件 2),把设备采购“设备采购提案文"报到公司责任副总经理办进行审批,设备管理员把设备采购“设备采购提案文”复制 1 份交于采购进行购置。6.1。2 新开发设备或新型号设备由设备管理员根据产品生产需求进行选型。6.1。3 实验设备由设备需求部门提出设备参数需求和设备图纸制作,经部门经理审批,总经理核准。6。1.4 生产使用设备采购“设备采购提案文”经责任副总经理审批核准后,由设备管理员配合公司采购部依《采购管理程序》实施。6。1。5 实验设备“设备采购提案文”经责任副总经理审批核准后,由设备管理员及需求部门负责人配合采购部依《采购管理程序》实施。6.1.6 公司购置的设备,必须根据“技术上先进,经济上合理,能源消耗小,满足工艺需要”的原则进行。文...

1、当您付费下载文档后,您只拥有了使用权限,并不意味着购买了版权,文档只能用于自身使用,不得用于其他商业用途(如 [转卖]进行直接盈利或[编辑后售卖]进行间接盈利)。
2、本站所有内容均由合作方或网友上传,本站不对文档的完整性、权威性及其观点立场正确性做任何保证或承诺!文档内容仅供研究参考,付费前请自行鉴别。
3、如文档内容存在违规,或者侵犯商业秘密、侵犯著作权等,请点击“违规举报”。

碎片内容

生产设备管理程序

确认删除?
VIP
微信客服
  • 扫码咨询
会员Q群
  • 会员专属群点击这里加入QQ群
客服邮箱
回到顶部