电脑桌面
添加小米粒文库到电脑桌面
安装后可以在桌面快捷访问

电子标书技术标

电子标书技术标_第1页
1/7
电子标书技术标_第2页
2/7
电子标书技术标_第3页
3/7
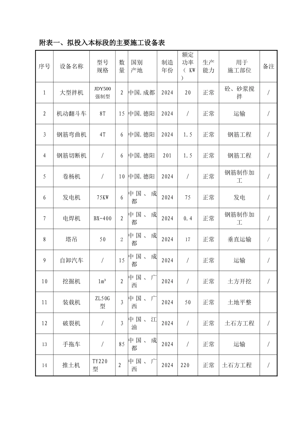
第五章 资源配备计划一、工种配备该工程由于工期短,交叉作业繁,施工中将出现渠道安装、涵管安装、渠系配套构筑物工程同时施工的局面,虽按流水布局分批错时施工,但就工序而言,对工种要求较严格。因此在劳动力组织应从多方面考虑。二、劳动力配备(1)劳动力相对集中,同时应按流水布局考虑工作面,均衡投入。(2)按工种投入,在交叉作业面应加强计划调度工作,尽量避开冲撞,影响工期进度。(3)尽量发挥机械优势,减轻劳动强度,担高劳动率,达到缩短工期,实现抢工期的目标。(4)由于工期紧,劳动量大,如按部就班的作业方法将无法完成施工任务,根据进度计划要求,工人分三班作业,节假日不放假,因此劳动力投入应充分考虑到这一点,应有充分的劳动力资源。 (5)安排原则:劳动力实行专业化组织,按不同工种,不同施工部位来划分作业班组,使各专业班组从事性质相同的工作,提高操作的熟练程度和劳动生产率以确保工程施工质量和施工进度.a、根据本工程各阶段施工重点,相应调配各专业劳动力,实行动态管理.b、参加现场施工的所有特别工种人员必须持证上岗,并将证件复印件报监理和项目经理部备案。c、各施工人员,必须接受建筑施工安全生产教育,经考试合格后方可上岗作业,未经建筑施工安全生产教育或考试不合格者,严禁上岗作业。d、每日上班前,各专业工长及班组负责人必须召集所辖全体人员,针对当天任务,结合安排技术交底内容和作业环境、设施、设备状况、本队人员技术素养、安全意识、自我保护意识以及思想状态,有针对性地进行班前安全活动提出具体注意事项,跟踪落实,并做好活动纪录.e、严格根据劳务用工政策法规进行施工用工管理,用人上实行竞争上岗的制度,以确保上岗人员的质量.每日上班前,班组负责人,必须召集所辖全体人员,针对当天任务,结合安全技术交底内容和作业环境、设施、设备状况、本队人员技术素养、安全意识、自我保护意识以及思想状态,有针对性地进行班前安全活动提出具体注意事项跟踪落实,并做好活动纪录。本工程劳动力用量情况详附表.第七章 机械设备配置计划设备运行好坏,重在管理.我公司在配备精良设备的同时,更配备了强有力的专业工程技术人员和专业的安装维修队伍,以维护设备的正常运行,为提高施工效率,缩短工期做出充分的保障。对大型设备的管理工作,各级职能部门分工协作,对设备的选择、安装、验收都有完善的制度,避开重大机械事故发生,在施工中加强设备的维护、保养,以保持机械设备的完好。合理组织施...

1、当您付费下载文档后,您只拥有了使用权限,并不意味着购买了版权,文档只能用于自身使用,不得用于其他商业用途(如 [转卖]进行直接盈利或[编辑后售卖]进行间接盈利)。
2、本站所有内容均由合作方或网友上传,本站不对文档的完整性、权威性及其观点立场正确性做任何保证或承诺!文档内容仅供研究参考,付费前请自行鉴别。
3、如文档内容存在违规,或者侵犯商业秘密、侵犯著作权等,请点击“违规举报”。

碎片内容

电子标书技术标

确认删除?
VIP
微信客服
  • 扫码咨询
会员Q群
  • 会员专属群点击这里加入QQ群
客服邮箱
回到顶部