电脑桌面
添加小米粒文库到电脑桌面
安装后可以在桌面快捷访问

省安全生产应急救援基地建设基本标准配备

省安全生产应急救援基地建设基本标准配备_第1页
1/23
省安全生产应急救援基地建设基本标准配备_第2页
2/23
省安全生产应急救援基地建设基本标准配备_第3页
3/23
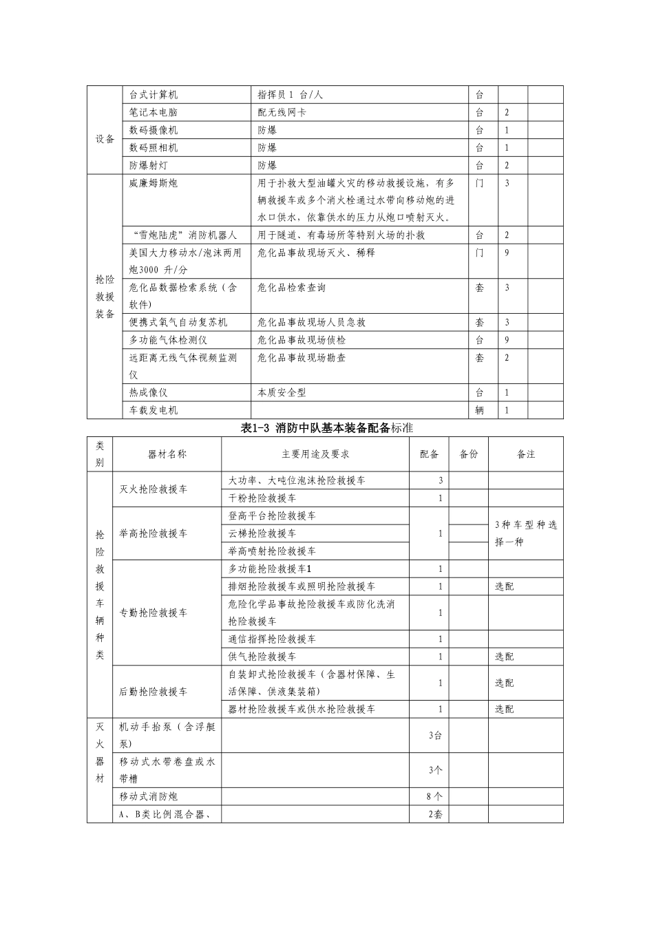
表 1-1 基地基础设施建设建筑面积表房屋类别名称面积(平方米)综合基地储备基地区域基地业务用房值班调度室302020气体分析化验室2020救援车库500300技术装备库(储备库)8001000400装备性能检测维护室200100会议室15030100综合训练馆600500监控室20辅助用房休息待机室1004060阅览室4030文体室10080食堂200120医务室3020浴室、备勤室、仓库等200150办公、住宿用房20002001200室外训练场地90005000表1—2 危化品应急救援大队队部基本装备配备标准类别装备名称要求单位数量备注车辆指挥车安装GPS、音视频传输系统,附有通信警报装置辆 3(卫星)应急抢险通讯指挥车(多路音视频通讯系统)危化品事故现场通讯指挥台 1宿营车辆 1通讯器材移动电话指挥员 1 部/人部视频指挥系统双向可视可通话(含灾区视频系统) 套1火警通讯指挥调度平台值班室配备(带录音)套 1对讲机手提式部 6应急救援信息平台套 1无线视频、数据监控系统危化品事故现场视频、数据监控并无线传输套 1灾区摄录系统危化品事故现场勘查套 1培训训练多媒体电教设备含投影仪套1智能教学演示装置套 1智能化模拟救灾演练系统具备高温、浓烟、自动生成功能套 1多功能体育训练器械套 1人机智能训练检测装置 检测人体生能指标套 1智能教学终端台 50信息处理传真机复印机台 1台 8速印机台 1设备台式计算机指挥员 1 台/人台笔记本电脑配无线网卡台 2数码摄像机防爆台 1数码照相机防爆台 1防爆射灯防爆台 2抢险救援装备威廉姆斯炮用于扑救大型油罐火灾的移动救援设施,有多辆救援车或多个消火栓通过水带向移动炮的进水口供水,依靠供水的压力从炮口喷射灭火。门 3“雪炮陆虎”消防机器人用于隧道、有毒场所等特别火场的扑救台 2美国大力移动水/泡沫两用炮3000 升/分危化品事故现场灭火、稀释门 9危化品数据检索系统(含软件)危化品检索查询套 3便携式氧气自动复苏机危化品事故现场人员急救套 3多功能气体检测仪危化品事故现场侦检台 9远距离无线气体视频监测仪危化品事故现场勘查套 2热成像仪本质安全型台 1车载发电机辆1表1-3 消防中队基本装备配备标准类别器材名称主要用途及要求配备备份备注抢险救援车辆种类灭火抢险救援车大功率、大吨位泡沫抢险救援车3干粉抢险救援车1举高抢险救援车登高平台抢险救援车13 种 车 型 种 选择一种云梯抢险救援车举高喷射抢险救援车专勤抢险救援车多功能抢险救援车11排烟抢险救援车或照明抢险救援车1选配危险化学品事故...

1、当您付费下载文档后,您只拥有了使用权限,并不意味着购买了版权,文档只能用于自身使用,不得用于其他商业用途(如 [转卖]进行直接盈利或[编辑后售卖]进行间接盈利)。
2、本站所有内容均由合作方或网友上传,本站不对文档的完整性、权威性及其观点立场正确性做任何保证或承诺!文档内容仅供研究参考,付费前请自行鉴别。
3、如文档内容存在违规,或者侵犯商业秘密、侵犯著作权等,请点击“违规举报”。

碎片内容

省安全生产应急救援基地建设基本标准配备

确认删除?
VIP
微信客服
  • 扫码咨询
会员Q群
  • 会员专属群点击这里加入QQ群
客服邮箱
回到顶部