电脑桌面
添加小米粒文库到电脑桌面
安装后可以在桌面快捷访问

三段式电流保护的设计(完整版)

三段式电流保护的设计(完整版)_第1页
1/11
三段式电流保护的设计(完整版)_第2页
2/11
三段式电流保护的设计(完整版)_第3页
3/11
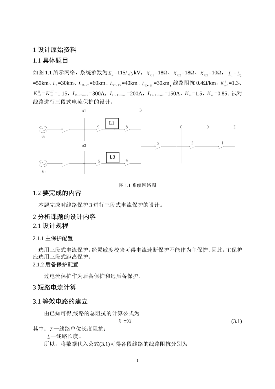
继电保护原理课程设计报告评语:考 勤(10)守 纪(10)设计过程(40)设计报告(30)小组答辩(10)总成绩(100)专 业:电气工程及其自动化 班 级: 电气 1103 姓 名: 马春辉 学 号: 201109353 指导教师: 苏宏升 兰州交通大学自动化与电气工程学院 2014 年 7 月 12 日 11 设计原始资料1.1 具体题目如图 1.1 所示网络,系统参数为=115/kV,=18Ω、=18Ω、=10Ω, ==50km、 =30km、=60km、=40km、=30km,线路阻抗 0.4Ω/km,=1.3、==1.15,=300A,=200A,=150A,=1.5,=0.85。试对线路进行三段式电流保护的设计。图 1.1 系统网络图1.2 要完成的内容 本题完成对线路保护 3 进行三段式电流保护的设计。2 分析课题的设计内容2.1 设计规程2.1.1 主保护配置 选用三段式电流保护,经灵敏度校验可得电流速断保护不能作为主保护。因此,主保护应选用三段式距离保护。2.1.2 后备保护配置过电流保护作为后备保护和远后备保护。3 短路电流计算3.1 等效电路的建立由已知可得,线路的总阻抗的计算公式为 (3.1) 其中: —线路单位长度阻抗; —线路长度。所以,将数据代入公式(3.1)可得各段线路的线路阻抗分别为A1BCDEG1G 31234589L1L3A32 经分析可知,最大运行方式即阻抗最小时,则有三台发电机运行,线路、运行,由题意知、连接在同一母线上,则式中 —最大运行方式下的阻抗值;最大运行方式等效电路如图 3.1 所示。同理,最小运行方式即阻抗值最大,分析可知在只有和运行,相应地有最小运行方式等效电路图如图 3.2 所示。 图 3.1 最大运行方式等效电路图图 3.2 最小运行方式等效电路图3.2 保护短路点及短路点的选取选取 B、C、D、E 点为短路点进行计算。3.3 短路电流的计算3.3.1 最大方式短路电流计算在最大运行方式下流过保护元件的最大短路电流的公式为 (3.2)式中 —系统等效电源的相电动势; —短路点至保护安装处之间的阻抗; 3 —保护安装处到系统等效电源之间的阻抗; —短路类型系数、三相短路取 1,两相短路取。(1)对于保护 2 等值电路图如图 3.1 所示,母线 D 最大运行方式下发生三相短路流过保护 2 的最大短路电流为 代入数据得: (2)对于保护 3 等值电路图如图 3.1 所示,母线 C 最大运行方式下发生三相短路流过保护 3 的最大短路电流为 代入数据得: 3.3.2 最小方式短路电流计算在最小运行方式下流过保护元件的最小短路电流的公式为 式中 —系...

1、当您付费下载文档后,您只拥有了使用权限,并不意味着购买了版权,文档只能用于自身使用,不得用于其他商业用途(如 [转卖]进行直接盈利或[编辑后售卖]进行间接盈利)。
2、本站所有内容均由合作方或网友上传,本站不对文档的完整性、权威性及其观点立场正确性做任何保证或承诺!文档内容仅供研究参考,付费前请自行鉴别。
3、如文档内容存在违规,或者侵犯商业秘密、侵犯著作权等,请点击“违规举报”。

碎片内容

三段式电流保护的设计(完整版)

您可能关注的文档

文章天下+ 关注
实名认证
内容提供者

各种文档应有尽有

确认删除?
VIP
微信客服
  • 扫码咨询
会员Q群
  • 会员专属群点击这里加入QQ群
客服邮箱
回到顶部