电脑桌面
添加小米粒文库到电脑桌面
安装后可以在桌面快捷访问

精装修工程管理程序

精装修工程管理程序_第1页
1/12
精装修工程管理程序_第2页
2/12
精装修工程管理程序_第3页
3/12
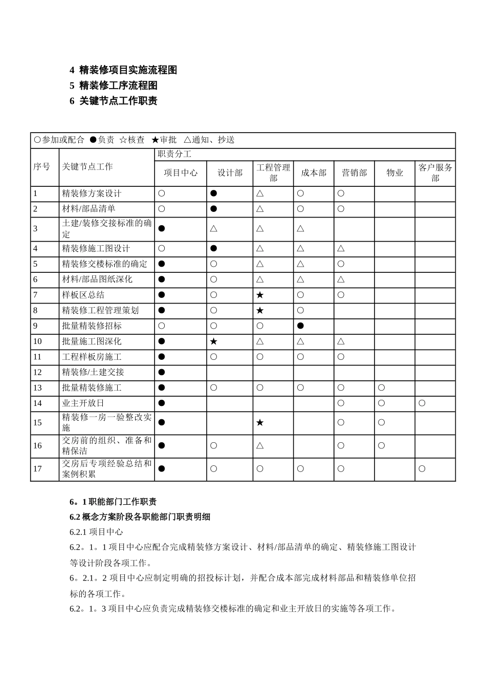
嘉友轩置业有限公司工程管理文件编号:JYX-GC-ZY002版本:1。0精装修工程管理程序编制日期审核日期批准日期修订记录日 期修订状态修改内容修改人审核人批准人1 目标为加强精装修管理,全面提高装修工程质量,法律规范精装修管理流程,减少不必要的变更和返工,提高公司开发的产品的竞争力和客户满意度,实现公司精装修工程的管理目标.2 适用范围本指引适用于嘉友轩置业所有开发项目的批量户内精装修工程的管理流程控制.3 定义 精装修工程:批量的户内精装修从项目定位到交房跟精装修有关的管理过程(不含室外和公共区域精装修)。该工程内容包含但不仅限于涂料工程、砖贴饰工程、木地板工程、户内门工程、吊顶工程、石材贴饰工程、橱柜工程、洁具安装工程、防水工程、强弱电工程、给排水工程等。4 精装修项目实施流程图5 精装修工序流程图6 关键节点工作职责6。1 职能部门工作职责6.2 概念方案阶段各职能部门职责明细6.2.1 项目中心6.2。1。1 项目中心应配合完成精装修方案设计、材料/部品清单的确定、精装修施工图设计等设计阶段各项工作。6。2.1。2 项目中心应制定明确的招投标计划,并配合成本部完成材料部品和精装修单位招标的各项工作。6.2。1。3 项目中心应负责完成精装修交楼标准的确定和业主开放日的实施等各项工作。○参加或配合 ●负责 ☆核查 ★审批 △通知、抄送序号关键节点工作职责分工项目中心设计部工程管理部成本部营销部物业客户服务部1精装修方案设计○●△○○ 2材料/部品清单○●△○○ 3土建/装修交接标准的确定●△ △△ 4精装修施工图设计○●△△△ 5精装修交楼标准的确定●○△△○ 6材料/部品图纸深化●○△△△ 7样板区总结●○★○○ 8精装修工程管理策划●○★○9批量精装修招标○○○● 10批量施工图深化●★△△△ 11工程样板房施工●○○○ ○ 12精装修/土建交接● 13批量精装修施工●○○○○○ 14业主开放日● ○○ ○15精装修一房一验整改实施● ★ ○ ○ 16交房前的组织、准备和精保洁●○△○○17交房后专项经验总结和案例积累●○○○○○6。2。1.4 项目中心应负责从施工过程中的材料/部品图纸深化、样板区总结、批量施工图深化、精装修/土建交接,到样板房和批量精装修的施工进度、质量、验收和移交的整个过程.6。2.2 设计管理部6.2。2。1 设计管理部负责精装修方案设计、材料/部品清单和批量精装修施工图的提交。6。2。2.2. 设计管理部配合完成精装修交楼标准的...

1、当您付费下载文档后,您只拥有了使用权限,并不意味着购买了版权,文档只能用于自身使用,不得用于其他商业用途(如 [转卖]进行直接盈利或[编辑后售卖]进行间接盈利)。
2、本站所有内容均由合作方或网友上传,本站不对文档的完整性、权威性及其观点立场正确性做任何保证或承诺!文档内容仅供研究参考,付费前请自行鉴别。
3、如文档内容存在违规,或者侵犯商业秘密、侵犯著作权等,请点击“违规举报”。

碎片内容

精装修工程管理程序

确认删除?
VIP
微信客服
  • 扫码咨询
会员Q群
  • 会员专属群点击这里加入QQ群
客服邮箱
回到顶部