电脑桌面
添加小米粒文库到电脑桌面
安装后可以在桌面快捷访问

经验总结控制程序

经验总结控制程序_第1页
1/3
经验总结控制程序_第2页
2/3
经验总结控制程序_第3页
3/3
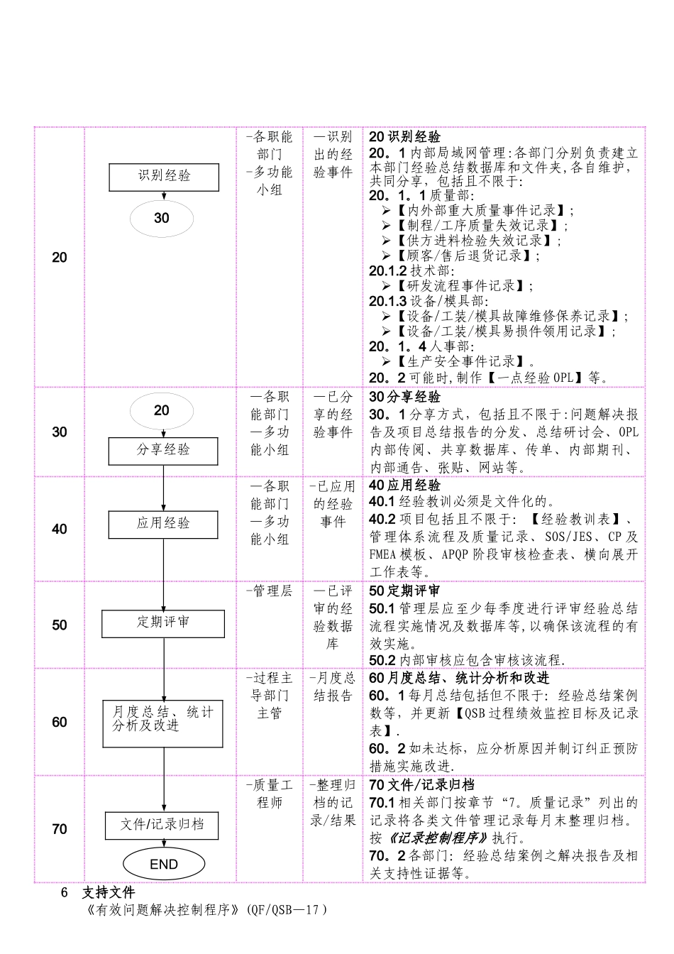
经验总结控制程序编制审核批准日期日期日期1 目的法律规范公司经验总结之职责、流程及实施要点等。2 适用范围适用于本公司所有部门及日常活动。3 定义或术语3.1 QSB:质量体系基础.3.2 经验总结:故人云“吃一堑,长一智”、“举一反三”等等皆谓之,即从以往或他人的成功与失败中总结出教训,以预防发生或避开再次发生失效。4 职责 4。1 开发部负责流程策划、维护及经验教训的评审。4.2 质量、技术、设备、开发及 HR 等相关部门负责各自部门的历史数据信息收集、数据库维护、经验的总结、分享及应用等管理。4。3 管理层负责经验评审等。5 作业流程及重要说明编号流程权责单位输出实施要点10—各职能部门-多功能小组-收集的历史数据10 收集历史数据10。1 要求:根据已经发生的事件,根据策划的表格分类记录信息,并做好相关链接。10。2 依据,包括且不限于:开发—新品设计/试验/实验等;技术—新品开发;品质—顾客抱怨、制程失效及进料检验不良等问题解决报告;设备—设备维修保养记录;HR-安全事故;售后服务-服务信息记录等;以及下列途径:如:APQP 流程、分层审核、防错装置验证、验证岗位问题、持续改进项目、合理化建议项目、组织内外部审核、风险降低—逆FMEA 活动等。START收集历史数据20-各职能部门-多功能小组—识别出的经验事件20 识别经验20。1 内部局域网管理:各部门分别负责建立本部门经验总结数据库和文件夹,各自维护,共同分享,包括且不限于:20。1。1 质量部:【内外部重大质量事件记录】;【制程/工序质量失效记录】;【供方进料检验失效记录】;【顾客/售后退货记录】;20.1.2 技术部:【研发流程事件记录】;20.1.3 设备/模具部:【设备/工装/模具故障维修保养记录】;【设备/工装/模具易损件领用记录】;20。1。4 人事部:【生产安全事件记录】。20。2 可能时,制作【一点经验 OPL】等。30—各职能部门—多功能小组—已分享的经验事件30 分享经验30。1 分享方式,包括且不限于:问题解决报告及项目总结报告的分发、总结研讨会、OPL内部传阅、共享数据库、传单、内部期刊、内部通告、张贴、网站等。40—各职能部门—多功能小组-已应用的经验事件40 应用经验40.1 经验教训必须是文件化的。40.2 项目包括且不限于:【经验教训表】、管理体系流程及质量记录、SOS/JES、CP 及FMEA 模板、APQP 阶段审核检查表、横向展开工作表等。50-管理层—已评审的经验数据库50 定期评审50.1 管...

1、当您付费下载文档后,您只拥有了使用权限,并不意味着购买了版权,文档只能用于自身使用,不得用于其他商业用途(如 [转卖]进行直接盈利或[编辑后售卖]进行间接盈利)。
2、本站所有内容均由合作方或网友上传,本站不对文档的完整性、权威性及其观点立场正确性做任何保证或承诺!文档内容仅供研究参考,付费前请自行鉴别。
3、如文档内容存在违规,或者侵犯商业秘密、侵犯著作权等,请点击“违规举报”。

碎片内容

经验总结控制程序

您可能关注的文档

确认删除?
VIP
微信客服
  • 扫码咨询
会员Q群
  • 会员专属群点击这里加入QQ群
客服邮箱
回到顶部