电脑桌面
添加小米粒文库到电脑桌面
安装后可以在桌面快捷访问

基于PLC控制的污水处理系统设计》图纸

基于PLC控制的污水处理系统设计》图纸_第1页
1/4
基于PLC控制的污水处理系统设计》图纸_第2页
2/4
基于PLC控制的污水处理系统设计》图纸_第3页
3/4
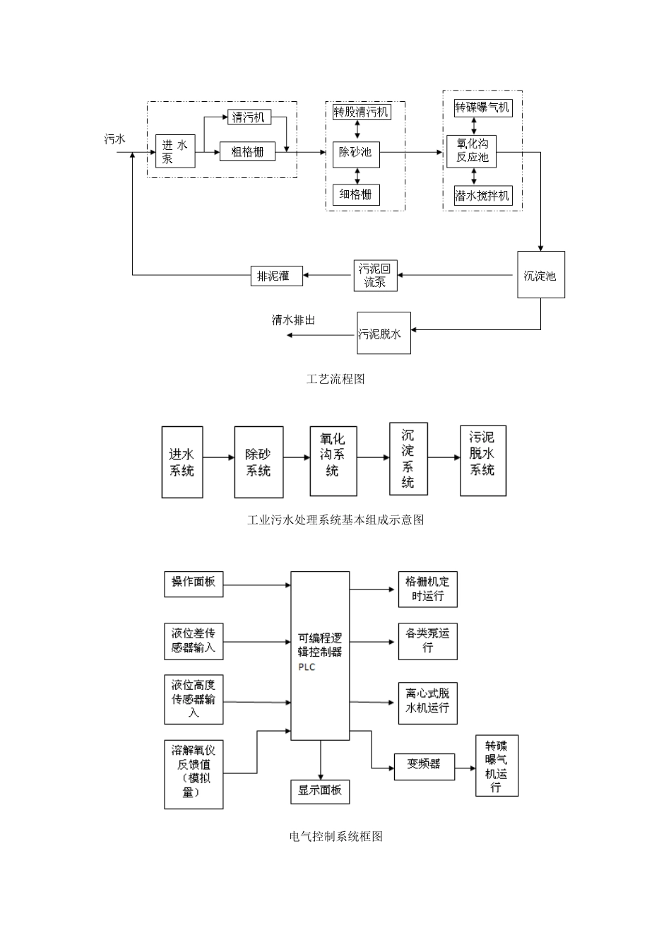
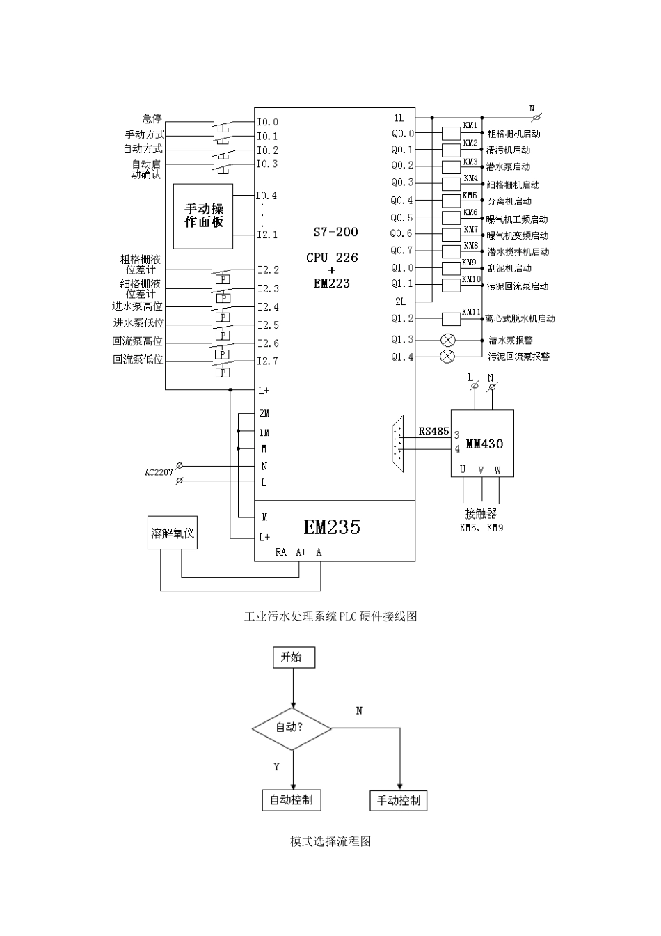
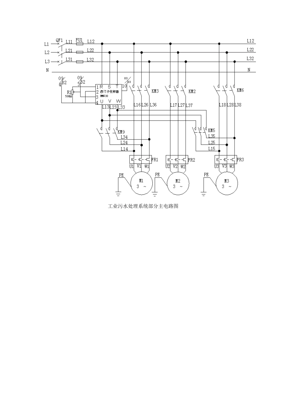
工艺流程图工业污水处理系统基本组成示意图电气控制系统框图工业污水处理系统部分主电路图工业污水处理系统 PLC 硬件接线图模式选择流程图

1、当您付费下载文档后,您只拥有了使用权限,并不意味着购买了版权,文档只能用于自身使用,不得用于其他商业用途(如 [转卖]进行直接盈利或[编辑后售卖]进行间接盈利)。
2、本站所有内容均由合作方或网友上传,本站不对文档的完整性、权威性及其观点立场正确性做任何保证或承诺!文档内容仅供研究参考,付费前请自行鉴别。
3、如文档内容存在违规,或者侵犯商业秘密、侵犯著作权等,请点击“违规举报”。

碎片内容

基于PLC控制的污水处理系统设计》图纸

确认删除?
VIP
微信客服
  • 扫码咨询
会员Q群
  • 会员专属群点击这里加入QQ群
客服邮箱
回到顶部