电脑桌面
添加小米粒文库到电脑桌面
安装后可以在桌面快捷访问

设备维护保养制度及考核标准

设备维护保养制度及考核标准_第1页
1/9
设备维护保养制度及考核标准_第2页
2/9
设备维护保养制度及考核标准_第3页
3/9
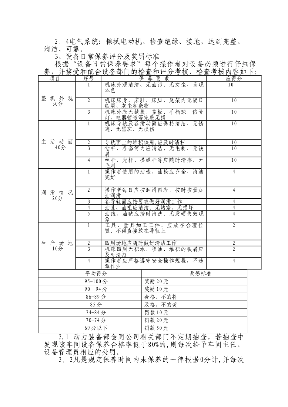
陕西延长石油机械装备制造有限公司设备维护保养及考核细则一、设备日常保养及考核细则:设备的日常维护保养,一般有日保养和周保养,又称日例保和周例保。 1.日例保,日例保由设备操作工人当班进行,仔细做到班前四件事、班中五注意和班后四件事. 1。1班前四件事:消化图样资料,检查交接班记录、擦拭设备,按规定润滑加油、检查手柄位置和手动运转部位是否正确、灵活,安全装置是否可靠、低速运转检查传动是否正常,润滑、冷却是否通畅. 1.2班中五注意:注意运转声音、注意设备的温度、注意压力、液位、电气、液压、气压系统、注意仪表信号、注意安全保险是否正常。 1。3班后四件事:关闭开关,所有手柄放到零位;清除铁屑、脏物,擦净设备导轨面和滑动面上的油污,并加油;清扫工作场地,整理附件、工具;填写交接班记录,办理交接班手续。 2、周例保,周例保由设备操作工在每周末进行,保养时间为:一般设备1小时,精、大、稀设备2小时. 2.1 外观: 擦净设备导轨、各传动部位及外露部分,清扫工作场地.2.2操纵传动: 检查各部位的技术状况,紧固松动部位,调整配合间隙。检查互锁、保险装置。 2。3 液压润滑: 清洗油线、防尘毡、滤油器,油箱添加油或换油。检查液压系统,达到油质清洁,油路畅通,无渗漏,无损伤。 2。4电气系统:擦拭电动机、检查绝缘、接地,达到完整、清洁、可靠。 3、设备日常保养评分及奖罚标准 根据“设备日常保养要求”每个操作者对设备必须进行仔细保养,并接受和配合设备部门的检查和评分考核,检查考核内容如下:平均得分奖惩标准95-100 分奖励 20 元90—94 分奖励 10 元86-89 分合格,不的将85 分及格,不的奖74-84 分罚款 10 元70-74 分罚款 20 元69 分以下罚款 50 元3.1 动力装备部会同公司相关部门不定期抽查,若抽查中发现该车间设备保养合格率低于80%的,则每次给予车间主任、设备管理员相应的处罚。 3。2凡是规定保养时间内未保养的一律根据0分计,并每次项目 序号 保 养 要 求 应得分整 机 外 观 30分 1 机床外观清洁、无油污、无灰尘、呈现本色 10 2 机床床身、床肚、床脚、尾架内无隔日铁屑、灰尘和杂物 10 3 机床外表无缺损、盖板、手柄球、信号灯、电器管道等完整无损 10 主 活 动 面 40分 1 机床导轨及各滑动面应保持清洁、无锈迹、无黑斑、无损伤 10 2 导轨面上的堆积铁屑,应及时清扫 10 3 钻杆、各套筒内应清洁,无毛刺、无铁屑 10 4 丝杆...

1、当您付费下载文档后,您只拥有了使用权限,并不意味着购买了版权,文档只能用于自身使用,不得用于其他商业用途(如 [转卖]进行直接盈利或[编辑后售卖]进行间接盈利)。
2、本站所有内容均由合作方或网友上传,本站不对文档的完整性、权威性及其观点立场正确性做任何保证或承诺!文档内容仅供研究参考,付费前请自行鉴别。
3、如文档内容存在违规,或者侵犯商业秘密、侵犯著作权等,请点击“违规举报”。

碎片内容

设备维护保养制度及考核标准

您可能关注的文档

确认删除?
VIP
微信客服
  • 扫码咨询
会员Q群
  • 会员专属群点击这里加入QQ群
客服邮箱
回到顶部