电脑桌面
添加小米粒文库到电脑桌面
安装后可以在桌面快捷访问

LED-驱动电路大全

LED-驱动电路大全_第1页
1/9
LED-驱动电路大全_第2页
2/9
LED-驱动电路大全_第3页
3/9
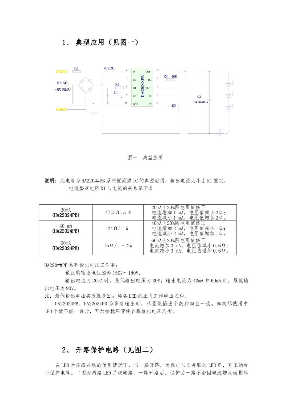
HA220##PB 系列恒流源应用技巧光华源科技 研发中心 代祯、黄桂香、建刚关键词:恒流源 LED 驱动 应用技巧摘要:随着照明事业的不断进展,LED 因其节能环保的优越特性而成为照明业的进展潮流。LED 的恒流驱动技术也成为 LED 照明业的首要问题。HA220##PB 系列恒流源因其具有小体积,宽工作电压围,与独特的使能端而被业界认同。本文从该芯片的典型应用,使能端应用,以与使能端的扩展应用方面着手,着重分析如何用此芯片驱动各种 LED 智能彩灯,帮助广阔 LED 灯客户制作各种五颜六色的智能灯。随着 LED 照明技术的不断进展,驱动 LED 的恒流源也就提到议事日程上来了,LED 和恒流源驱动,他们是一对不可分离的伴侣,光华源科技自主研制开发生产的 HA220##PB 系列恒流源从众多产品中脱颖而出,成为众多 LED 驱动电源 IC 中的佼佼者。纵观 HA220##PB 系列恒流源,发现其具有以下几个优点:1、 输入电压围宽,适应 AC85V~AC265V 电压输入;2、 输出电流恒定,电流大小可由外围电路整定,且恒流精度高;3、 效率高,在纯阻性负载情况下,效率高达 95%;4、 可驱动 LED 个数多,可将 LED 按实际需要串联、或串并联相结合的方法带动多个 LED 灯珠;5、 HA220##PB 系列恒流源体积小,仅为 DIP10 封装,可嵌入小体积灯具;6、 外围电路简洁,因无电感,无变压器,稳定性好;7、 有使能端,可利用使能端做成多种智能灯具,实现多种功能。HA220##PB 系列恒流源的应用:利用此恒流源体积小的特点,可将其设计到小体积封装的 LED 灯具,可取代日光灯、白炽灯等主照明,作为工业照明设备、装饰照明设备,园林景观照明灯具与节能灯具等;利用使能端,可设计成各种变幻莫测的彩灯,用于大中型喷泉、溶洞等高档水景的彩色投光照明,利用输出电流可由外围电路设定的特点,可将其应用于 LCD 平面显示背光源的驱动中,还可应用于电子显示器以与其它不需与电源隔离的应用中作为 LED 的驱动电路。下面,对 HA220##PB 系列恒流源的应用做一个简单分析,与大家共享。HA220##PB 系列恒流源 DIP10 封装,其引脚排列图如下:脚位符号定义脚位符号定义1EN使能端(悬空使能)2RS启动电阻引出端3OUT-输出负端4BC补偿电阻端5OUT+输出正端6IN+输入正端7NC空脚(用户禁用)8RT电流调整端9CP平滑端10GND地1、 典型应用(见图一)利用隔离方式使能 图一 典型应用说明:此电路为 HA220##PB 系列恒流源 IC 的典型应...

1、当您付费下载文档后,您只拥有了使用权限,并不意味着购买了版权,文档只能用于自身使用,不得用于其他商业用途(如 [转卖]进行直接盈利或[编辑后售卖]进行间接盈利)。
2、本站所有内容均由合作方或网友上传,本站不对文档的完整性、权威性及其观点立场正确性做任何保证或承诺!文档内容仅供研究参考,付费前请自行鉴别。
3、如文档内容存在违规,或者侵犯商业秘密、侵犯著作权等,请点击“违规举报”。

碎片内容

LED-驱动电路大全

MY shop+ 关注
实名认证
内容提供者

欢迎挑选适合自己的材料。

相关文档

确认删除?
VIP
微信客服
  • 扫码咨询
会员Q群
  • 会员专属群点击这里加入QQ群
客服邮箱
回到顶部