电脑桌面
添加小米粒文库到电脑桌面
安装后可以在桌面快捷访问

公路工程施工设计方案探析

公路工程施工设计方案探析_第1页
1/12
公路工程施工设计方案探析_第2页
2/12
公路工程施工设计方案探析_第3页
3/12
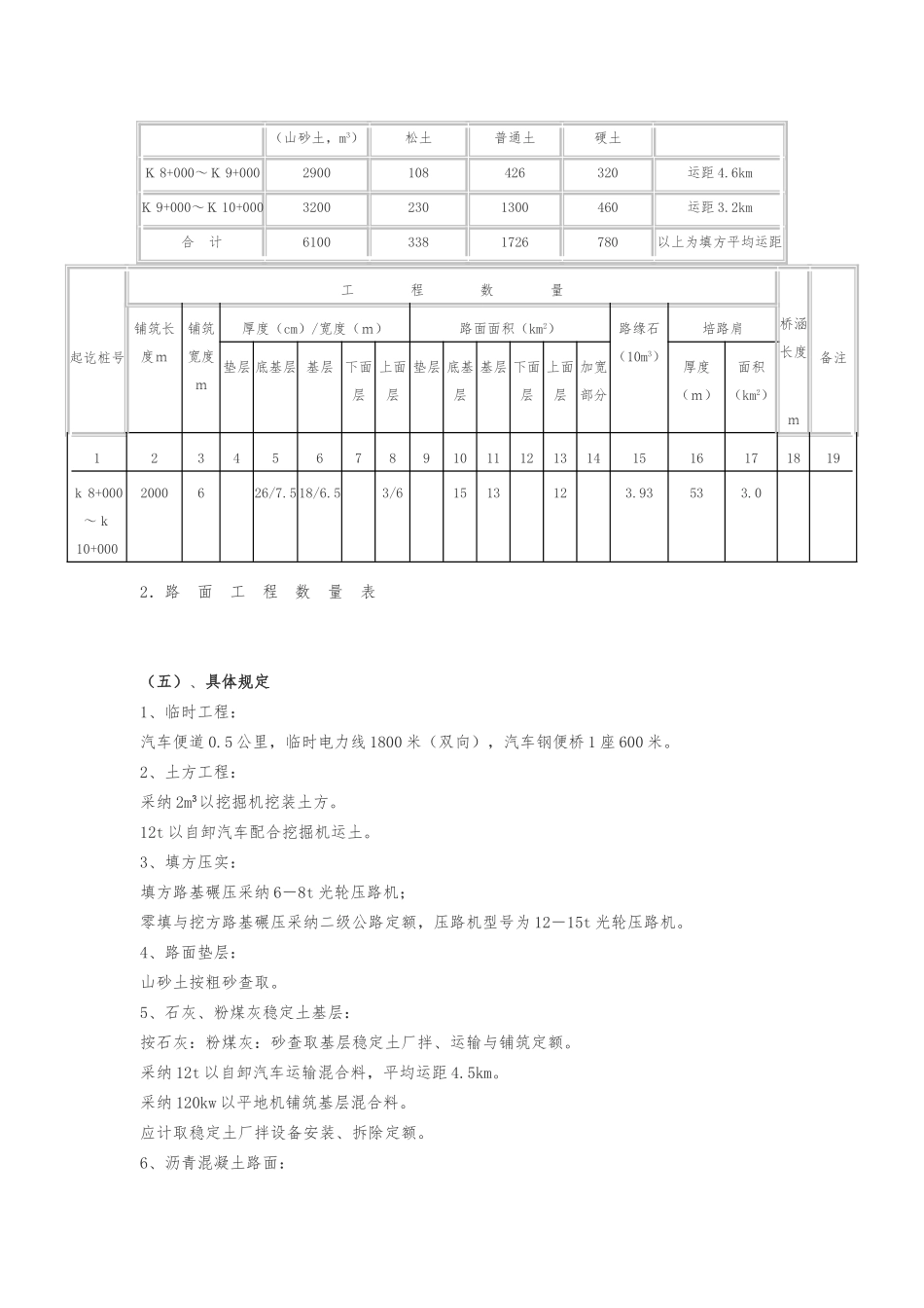
公路施工组织设计方案 《公路施工组织与概预算》课程设计公路施工组织设计方案 市南关区加关至大南公路 05 标段 目 录一、编制说明与工程概况·····2(一)、编制围·········2(二)、编制依据·········2(三)、工程概况·········2(四)、主要工程数量表······2(五)、具体规定·········3(六)施工部署··········5二、路基施工工艺········5(一)、施工准备·········5(二)、基底处理·········6(三)、路基借方施工工艺·····6(四)、路基填方施工工艺·····6(五)、压实工艺试验·······12(六)、路堤填筑·········13(七)、路基整修·········13三、沥青路面施工工艺······13(一)、混合料的拌和·······13(二)、混合料的运输·······14(三)、混合料的摊铺·······15(四)、混合料的压实·······16(五)、接缝的处理········17四、质量保证措施········17五、安全保证措施 ·······17六、环境保护措施········18 一、编制说明与工程概况(一)、编制围本施工组织计划方案的编制围为: 市南关区加关至大南公路 05 标段公路(起点 K8+000,终点 K10+000)工程与为完成本合同段工程与工程缺陷责任期所包含的各种临时设施工程。(二)、编制依据1、业主颁发的《市南关区加关至大南公路 05 标段公路工程施工招标文件》、《设计图纸》、《标前会议纪要》与《补遗书》等。2、国家与交通部现行的公路工程设计规、施工规、验收标准、公路工程概预算编制办法、公路工程概预算定额、公路工程施工定额。3、公司拥有的施工设备、管理水平、技术力量和以往山岭区高速公路工程建设的施工经验。4、赴工程所在地现场考察取得的资料。(三)、工程概况本路段起点位于长东公路加官村路口,起点 K8+000,终点 K10+000,全长 2km,距市50km。路线等级为平原微丘区三级公路,全部为旧路改建工程。路基宽 7.5m,路面宽 6m。土路肩2×0.75m,采纳培路肩形式。路面面层采纳 3cm 细粒式沥青混凝土(LH-15),基层采纳 18cm 二灰山砂,底基层采纳 26cm山砂土。(四)、主要工程数量表1.路基每公里土石方数量表里程桩号填 方挖 方(m3)备 注(山砂土,m3)松土普通土硬土K 8+000~K 9+0002900108426320运距 4.6kmK 9+000~K 10+00...

1、当您付费下载文档后,您只拥有了使用权限,并不意味着购买了版权,文档只能用于自身使用,不得用于其他商业用途(如 [转卖]进行直接盈利或[编辑后售卖]进行间接盈利)。
2、本站所有内容均由合作方或网友上传,本站不对文档的完整性、权威性及其观点立场正确性做任何保证或承诺!文档内容仅供研究参考,付费前请自行鉴别。
3、如文档内容存在违规,或者侵犯商业秘密、侵犯著作权等,请点击“违规举报”。

碎片内容

公路工程施工设计方案探析

您可能关注的文档

确认删除?
VIP
微信客服
  • 扫码咨询
会员Q群
  • 会员专属群点击这里加入QQ群
客服邮箱
回到顶部