电脑桌面
添加小米粒文库到电脑桌面
安装后可以在桌面快捷访问

创新船舶产业科技开发新能源节能项目

创新船舶产业科技开发新能源节能项目_第1页
1/4
创新船舶产业科技开发新能源节能项目_第2页
2/4
创新船舶产业科技开发新能源节能项目_第3页
3/4
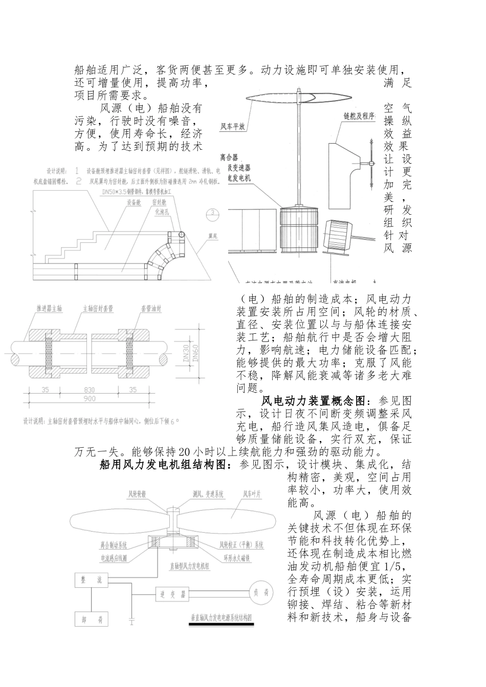
创新船舶产业科技 开发新能源节能项目——风源(电)船舶设计与应用简介风源(电)船舶是以风电设备驱动为主的水上交通运输工具。是创新船舶产业科技、开发新能源节能项目,拟寻帮助实现科技立项和产业化进展。在外观上和结构上,风源(电)船舶与其他船差不多,但它们的动力来源大不一样,一般的船靠燃油发电机驱动,风源(电)船舶使用的电能主要是依靠特别的集电装置“船用风力发电机”获得的。电流通过控制设备到达牵引电机, “船用风电动力装置”使风源(电)船舶获得航行时所需的动力。驳船风电动力设备的设计与安装参见图示,设计功率保证航速达到 25公里/n,续航能力达到 20 小时以上。风电设备安装于船顶、船舱趋后,并可根据船形设计安装。对于方案的设计,主要依赖现代工业,无论是设计选用材料、制造工艺或防腐与外装饰诸方面,国外均已具备相当成熟的经验,船舶制造的所有材料随处可见。国外技术成熟、品牌多样的能直接借用到本课题讨论的新型材料、配套电气、机械设备等,是本方案能得以实现的可靠保证。风源(电)游艇的设计与装配:参见图示,风源(电)游艇的设计功率保证航速达到 45公里/n,续航能力 20小时以上。风源(电)船舶适用广泛,客货两便甚至更多。动力设施即可单独安装使用,还可增量使用,提高功率,满 足项目所需要求。 风源(电)船舶没有空 气污染,行驶时没有噪音,操 纵方便,使用寿命长,经济效 益高。为了达到预期的技术效 果让 设计 更加 完美 ,研 发组 织针 对风 源(电)船舶的制造成本;风电动力装置安装所占用空间;风轮的材质、直径、安装位置以与与船体连接安装工艺;船舶航行中是否会增大阻力,影响航速;电力储能设备匹配;能够提供的最大功率;克服了风能不稳,降解风能衰减等诸多老大难问题。风电动力装置概念图:参见图示,设计日夜不间断变频调整采风充电,船行造风集风造电,俱备足够质量储能设备,实行双充,保证万无一失。能够保持 20 小时以上续航能力和强劲的驱动能力。船用风力发电机组结构图:参见图示,设计模块、集成化,结构精密,美观,空间占用率较小,功率大,使用效能高。风源(电)船舶的关键技术不但体现在环保节能和科技转化优势上,还体现在制造成本相比燃油发动机船舶便宜 1/5,全寿命周期成本更低;实行预埋(设)安装,运用铆接、焊结、粘合等新材料和新技术,船身与设备结合牢固,船舶风驰电掣、美观、安全可靠。目前,世界上有不少国家正讨论...

1、当您付费下载文档后,您只拥有了使用权限,并不意味着购买了版权,文档只能用于自身使用,不得用于其他商业用途(如 [转卖]进行直接盈利或[编辑后售卖]进行间接盈利)。
2、本站所有内容均由合作方或网友上传,本站不对文档的完整性、权威性及其观点立场正确性做任何保证或承诺!文档内容仅供研究参考,付费前请自行鉴别。
3、如文档内容存在违规,或者侵犯商业秘密、侵犯著作权等,请点击“违规举报”。

碎片内容

创新船舶产业科技开发新能源节能项目

一二三四传媒+ 关注
实名认证
内容提供者

大量资料供您选择,没有合适的可以联系小二。

确认删除?
VIP
微信客服
  • 扫码咨询
会员Q群
  • 会员专属群点击这里加入QQ群
客服邮箱
回到顶部