电脑桌面
添加小米粒文库到电脑桌面
安装后可以在桌面快捷访问

割草机跟踪调查表汇编

割草机跟踪调查表汇编_第1页
1/18
割草机跟踪调查表汇编_第2页
2/18
割草机跟踪调查表汇编_第3页
3/18
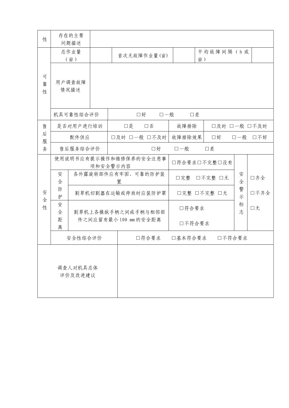
附表 1 割草机跟踪调查表 调查人:调查单位: 调查地点:被调查人或组织: 调查日期: 年 月 日 购机户情况姓 名电 话邮 编地 址机手所受培训从事机务工作时间年机具基本情况机具型号名称购机编号生产企业购机日期经销企业配套动力三包服务卡□有 □无合格证□有 □无使用说明书□有 □无能否指导用户使用□能 □基本能 □不能作业跟踪情况单 位 面 积 干 草 重 ( kg/hm2)牧草品种草场类型跟踪时间(h)作业量(亩)纯工作时间(h)割茬高度(%)重割率(%)漏割率(%)故障部位原因处理情况处理故障所需时间故障部件使用时间作业跟踪情况描述适用根据作业跟踪情况,结合用户调查情况对机具适用性进行综合评价□适用 □基本适用 □不适用性存在的主要问题描述可靠性总作业量(亩)首次无故障作业量(亩)平 均 故 障 间 隔 ( h 或亩)用户调查故障情况描述机具可靠性综合评价□好 □一般 □差售后服务是否对用户进行培训□是 □否故障排除□及时 □一般 □不及时配件供应□及时 □一般 □不及时故障排除效果□好 □一般 □不好售后服务综合评价□好 □一般 □差安全性使用说明书应有提示操作和维修保养的安全注意事项和安全警示内容□符合要求□不完整□没有安全警示标志□齐全□不齐全 □无安全防护各外露旋转部件应有牢固、可靠的防护装置□完整 □不完整 □无割草机切割器在运输或停放时应装防护罩□完整 □不完整 □无安全距离割草机上各操纵手柄之间或手柄与相邻部件之间应留有最小 100 mm 的安全距离□符合要求□不符合要求安全性综合评价□符合要求 □基本符合要求 □不符合要求调查人对机具总体评价及改进建议作业跟踪时机具作业照片注: 1、调查内容带有选项的,请在所选项的□内划“√”。2、提供调查时机具照片 调查人签字: 被调查人签字:割草机跟踪调查表(续)项目检测方法检测结果割茬高度(mm)沿割幅的方向在全割幅内测量,用钢板尺,在往返行程等间隔各测 20根,取平均值。往返平均(mm)重割率(%)在往返行程内,沿割幅的方向在全割幅内各取1m2 的两个测点,计算各测点内无头草节数与牧草 株 数 之 比 , 取 平 均往返1212Zs(节/m2)Zs(节/m2)zz(株/m2)zz(株/m2)值。sc(%)sc(%)平均 sc(%) 漏割率(%)收割后未被切割牧草高于割茬部分的重量与取样面积内应收获牧草重量之比。在往返行程内,沿机组前进的方向在全割幅范围 内 各 取 1m2 的 两 个...

1、当您付费下载文档后,您只拥有了使用权限,并不意味着购买了版权,文档只能用于自身使用,不得用于其他商业用途(如 [转卖]进行直接盈利或[编辑后售卖]进行间接盈利)。
2、本站所有内容均由合作方或网友上传,本站不对文档的完整性、权威性及其观点立场正确性做任何保证或承诺!文档内容仅供研究参考,付费前请自行鉴别。
3、如文档内容存在违规,或者侵犯商业秘密、侵犯著作权等,请点击“违规举报”。

碎片内容

割草机跟踪调查表汇编

确认删除?
VIP
微信客服
  • 扫码咨询
会员Q群
  • 会员专属群点击这里加入QQ群
客服邮箱
回到顶部