电脑桌面
添加小米粒文库到电脑桌面
安装后可以在桌面快捷访问

各类机械设备检查验收表

各类机械设备检查验收表_第1页
1/34
各类机械设备检查验收表_第2页
2/34
各类机械设备检查验收表_第3页
3/34
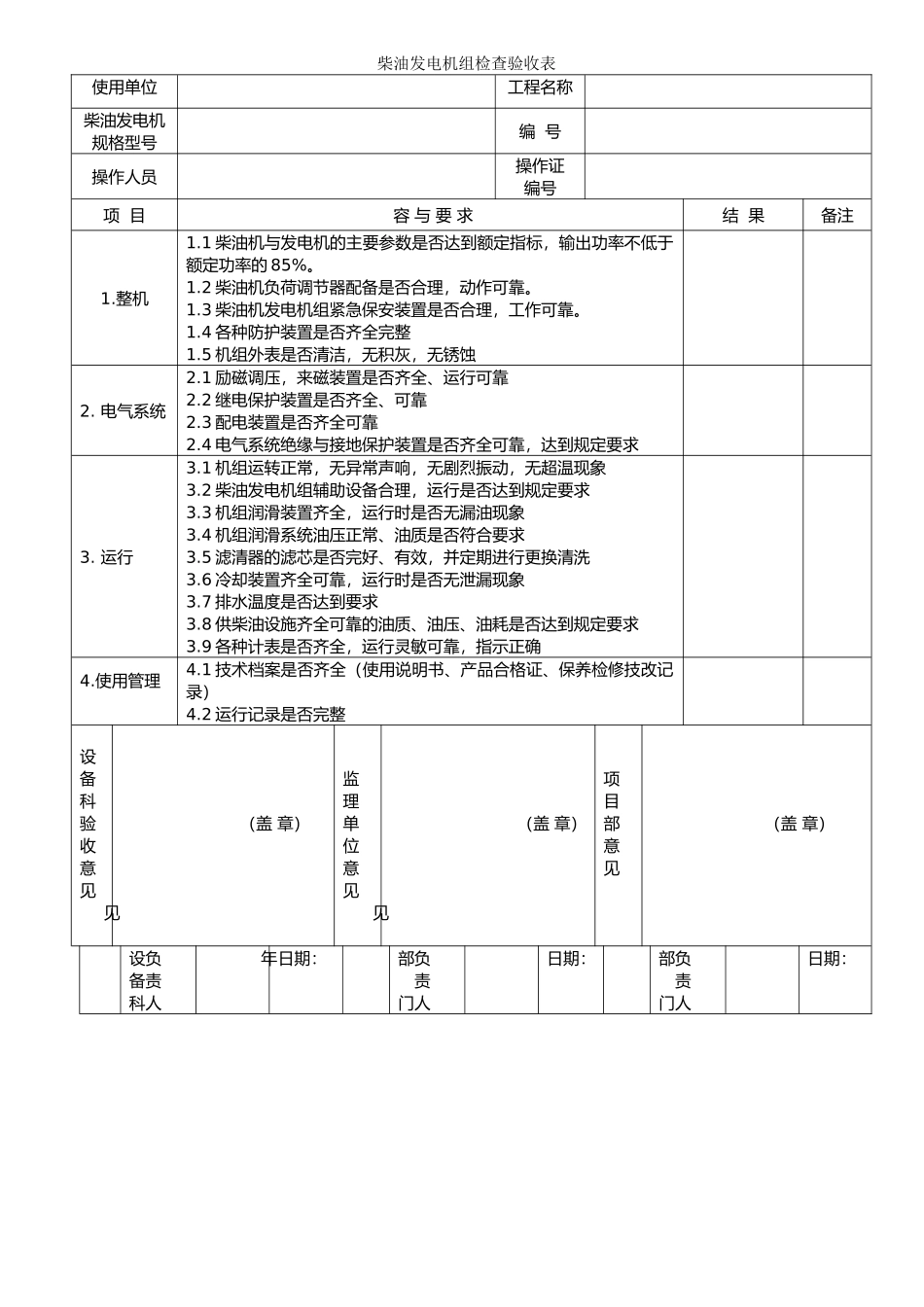
各类机械设备检查验收表----------------------- -----------------------日期:柴油发电机组检查验收表使用单位工程名称柴油发电机规格型号编 号操作人员操作证编号项 目 容 与 要 求结 果备注1.整机1.1 柴油机与发电机的主要参数是否达到额定指标,输出功率不低于额定功率的 85%。1.2 柴油机负荷调节器配备是否合理,动作可靠。1.3 柴油机发电机组紧急保安装置是否合理,工作可靠。1.4 各种防护装置是否齐全完整1.5 机组外表是否清洁,无积灰,无锈蚀2. 电气系统2.1 励磁调压,来磁装置是否齐全、运行可靠2.2 继电保护装置是否齐全、可靠2.3 配电装置是否齐全可靠2.4 电气系统绝缘与接地保护装置是否齐全可靠,达到规定要求3. 运行3.1 机组运转正常,无异常声响,无剧烈振动,无超温现象3.2 柴油发电机组辅助设备合理,运行是否达到规定要求3.3 机组润滑装置齐全,运行时是否无漏油现象3.4 机组润滑系统油压正常、油质是否符合要求3.5 滤清器的滤芯是否完好、有效,并定期进行更换清洗3.6 冷却装置齐全可靠,运行时是否无泄漏现象3.7 排水温度是否达到要求3.8 供柴油设施齐全可靠的油质、油压、油耗是否达到规定要求3.9 各种计表是否齐全,运行灵敏可靠,指示正确4.使用管理4.1 技术档案是否齐全(使用说明书、产品合格证、保养检修技改记录)4.2 运行记录是否完整设备科验收意见见(盖 章)监理单位意见见(盖 章)项目部意见(盖 章)设负备责科人年 日期:部负责门人日期:部负责门人日期:空气压缩机与附属设备检查验收表使用单位工程名称空压机与附属设备规格型号编 号操作人员操作证编号项 目 容 与 要 求结 果备注1.整机1.1 排气量、工作压力参数是否达到额定指标1.2 管路敷设是否合理,整机是否清洁、无油污、无泄漏现象1.3 零部件与附属机具是否齐全1.4 进、排气阀是否不漏气,无严重积炭、积灰现象2. 动力装置 ( 燃机 、 电 动机)2.1 燃机启动性能是否良好,运转无异响,油压水温是否正常,滤清装置是否齐全、清洁,润滑良好。电动机配务是否合理,温升和运行是否正常,无异响2.2 电器和电控装置是否齐全、可靠,有接地或接零保护措施3 . 安 全装置3.1 各安全阀(包括储气罐)动作是否灵敏可靠3.2 压力表、油压表是否灵敏可靠,温度计测温是否正确3.3 自动调节器、调节功能是否可靠3.4 各种表阀是否定期校验4. 冷却系统4.1 冷却水进水温度是否超过 35℃4.2 在满...

1、当您付费下载文档后,您只拥有了使用权限,并不意味着购买了版权,文档只能用于自身使用,不得用于其他商业用途(如 [转卖]进行直接盈利或[编辑后售卖]进行间接盈利)。
2、本站所有内容均由合作方或网友上传,本站不对文档的完整性、权威性及其观点立场正确性做任何保证或承诺!文档内容仅供研究参考,付费前请自行鉴别。
3、如文档内容存在违规,或者侵犯商业秘密、侵犯著作权等,请点击“违规举报”。

碎片内容

各类机械设备检查验收表

您可能关注的文档

确认删除?
VIP
微信客服
  • 扫码咨询
会员Q群
  • 会员专属群点击这里加入QQ群
客服邮箱
回到顶部