电脑桌面
添加小米粒文库到电脑桌面
安装后可以在桌面快捷访问

工程施工管理指导

工程施工管理指导_第1页
1/29
工程施工管理指导_第2页
2/29
工程施工管理指导_第3页
3/29
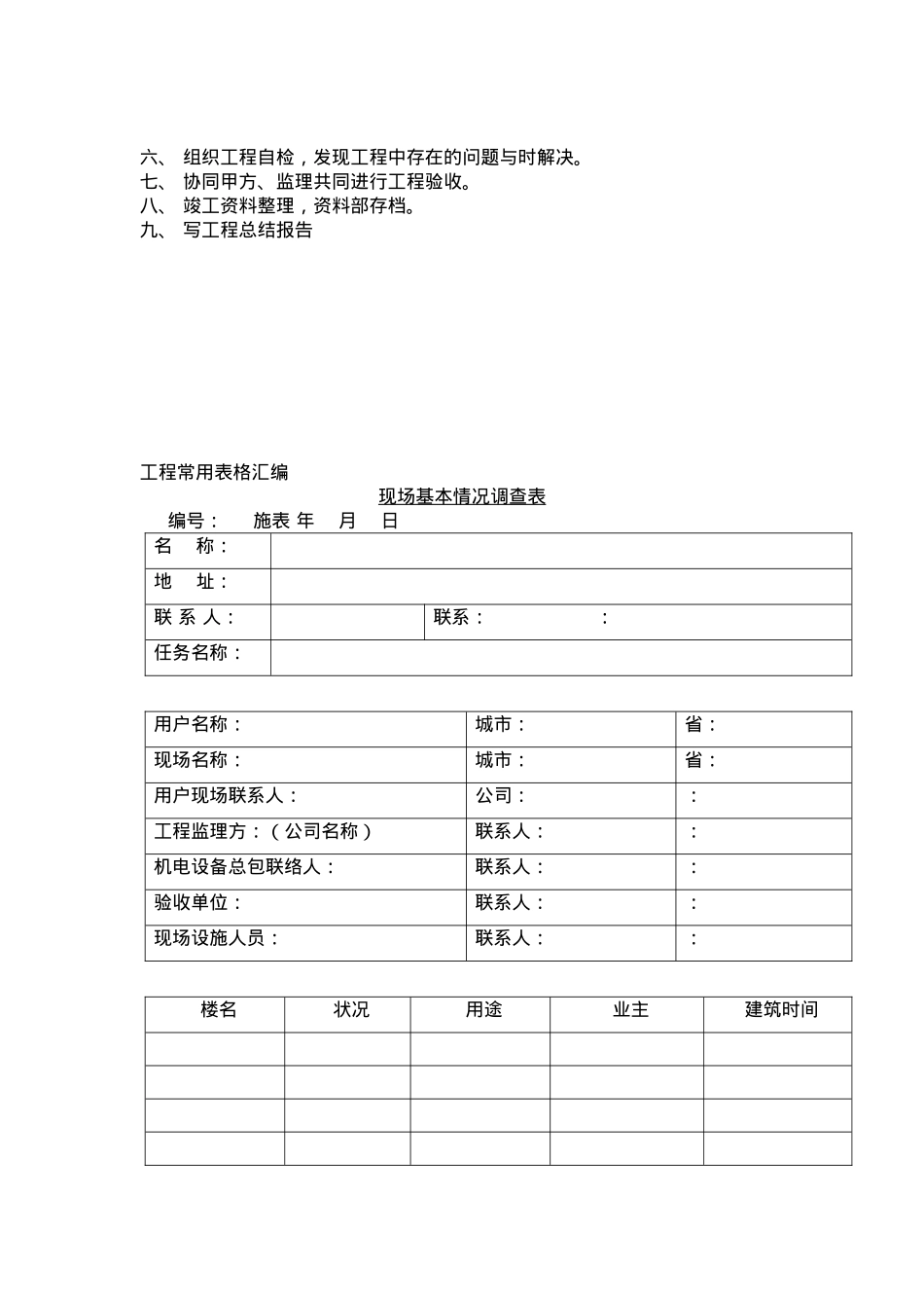
工程施工管理指导----------------------- -----------------------日期:工程施工管理指导流程工程施工管理指导流程细节一、 工程部在接到工程施工任务后,与设计人员共同进行现场勘察,沟通现场实际情况与设计方案存在的出入,出图、并出勘察纪要,以备设计整改。二、 提交施工组织设计方案,进行部交底,施工方案应包括工期进度安排、材料准备、施工流程、设备安装量表、工期质量材料保障措施,部交底后确定工程解决方案。三、 对甲方进行施工技术交底,交底容以设计思路为辅,施工方案为主,交底后编写可行的施工组织设计。四、 向监理报审施工组织设计,打开工报告,准备施工资料,施工资料包括:1) 落实水、电、库房、办公场地2)仓库管理须配备专职仓管员,仓管员须对施工中设备材料的进出仓做好登记、在设备开箱时对设备的外观、型号进行检查作好记录、设备材料堆放有续仓库须做好防潮放火工作。2) 施工队伍安全文明施工教育,施工队伍施工交底,落实施工队伍安全管理制度。3) 设备材料报甲方认质,报监理材料审验。4) 向公司提交人员、资金、材料计划。五、 工程实施阶段:1) 安全管理,对于危险、超高、易燃、易爆、高压等环境做好保障措施。2) 进度管理,合理安排工作计划,按工程整体进度表进行规划,月底前报下月进度计划,包括资金、材料、人员的使用,报本月完成工作量,加强现场协调。3) 质量控制,根据规检查工作,控制成本,现场变更与时得到甲方与监理确认。4)同甲方、监理方定期进行现场例会,会后填写会议纪要4) 施工资料与时整理积累,做好施工日志。5) 催要阶段工程款。六、 组织工程自检,发现工程中存在的问题与时解决。七、 协同甲方、监理共同进行工程验收。八、 竣工资料整理,资料部存档。九、 写工程总结报告工程常用表格汇编现场基本情况调查表 编号:施表 年月日 名称: 地址: 联 系 人: 联系::任务名称:用户名称:城市:省:现场名称:城市:省:用户现场联系人:公司::工程监理方:(公司名称)联系人::机电设备总包联络人:联系人::验收单位:联系人::现场设施人员:联系人::楼名状况用途业主建筑时间本表一式七份:建设单位、施工单位。商务部、工程部、财务部、施工人员、存档。 签收: 部门: 日期: 图 纸 会 审 记 录编号:施表 年月日 建 设 单 位单位工程 设 计 单 位分部工程 施 工 单 位会审日期 主 持 人 记录会审地...

1、当您付费下载文档后,您只拥有了使用权限,并不意味着购买了版权,文档只能用于自身使用,不得用于其他商业用途(如 [转卖]进行直接盈利或[编辑后售卖]进行间接盈利)。
2、本站所有内容均由合作方或网友上传,本站不对文档的完整性、权威性及其观点立场正确性做任何保证或承诺!文档内容仅供研究参考,付费前请自行鉴别。
3、如文档内容存在违规,或者侵犯商业秘密、侵犯著作权等,请点击“违规举报”。

碎片内容

工程施工管理指导

确认删除?
VIP
微信客服
  • 扫码咨询
会员Q群
  • 会员专属群点击这里加入QQ群
客服邮箱
回到顶部