电脑桌面
添加小米粒文库到电脑桌面
安装后可以在桌面快捷访问

工程焊接厂房施组织设计概述VIP专享

工程焊接厂房施组织设计概述_第1页
1/44
工程焊接厂房施组织设计概述_第2页
2/44
工程焊接厂房施组织设计概述_第3页
3/44
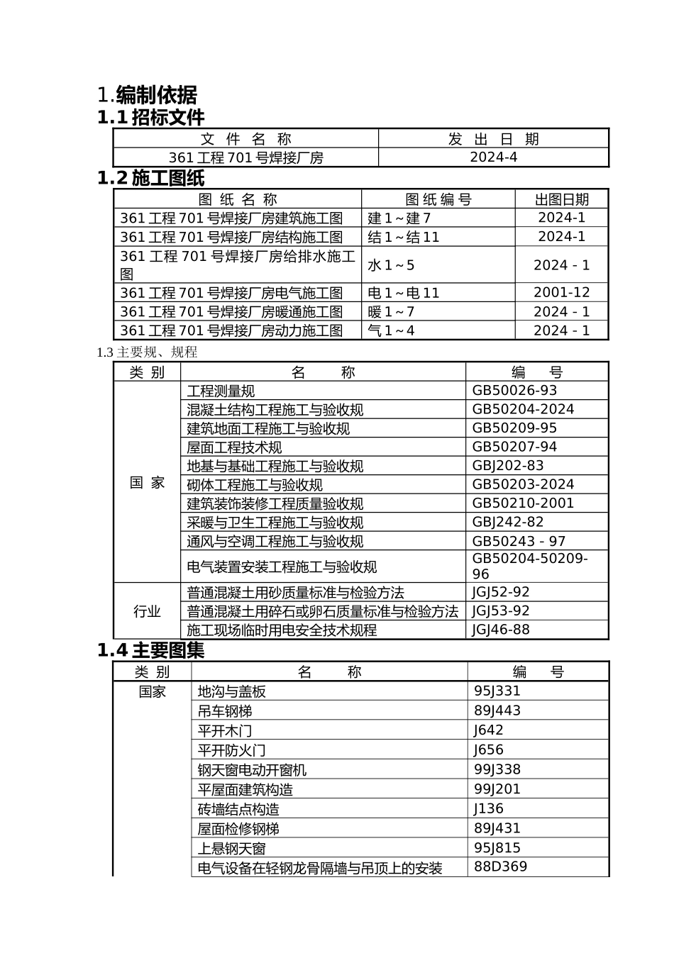
工程焊接厂房施组织设计概述----------------------- -----------------------日期:1.编制依据1.1 招标文件文 件 名 称发 出 日 期361 工程 701 号焊接厂房2024-41.2 施工图纸图 纸 名 称图 纸 编 号出图日期361 工程 701 号焊接厂房建筑施工图建 1~建 72024-1361 工程 701 号焊接厂房结构施工图结 1~结 112024-1361 工程 701 号焊接厂房给排水施工图水 1~52024-1361 工程 701 号焊接厂房电气施工图电 1~电 112001-12361 工程 701 号焊接厂房暖通施工图暖 1~72024-1361 工程 701 号焊接厂房动力施工图气 1~42024-11.3 主要规、规程类 别名 称编 号国 家工程测量规GB50026-93混凝土结构工程施工与验收规GB50204-2024建筑地面工程施工与验收规GB50209-95屋面工程技术规GB50207-94地基与基础工程施工与验收规GBJ202-83砌体工程施工与验收规GB50203-2024建筑装饰装修工程质量验收规GB50210-2001采暖与卫生工程施工与验收规GBJ242-82通风与空调工程施工与验收规GB50243-97电气装置安装工程施工与验收规GB50204-50209-96行业普通混凝土用砂质量标准与检验方法JGJ52-92普通混凝土用碎石或卵石质量标准与检验方法JGJ53-92施工现场临时用电安全技术规程JGJ46-881.4 主要图集类 别名 称编 号国家地沟与盖板95J331吊车钢梯89J443平开木门J642平开防火门J656钢天窗电动开窗机99J338平屋面建筑构造99J201砖墙结点构造J136屋面检修钢梯89J431上悬钢天窗95J815电气设备在轻钢龙骨隔墙与吊顶上的安装88D369利用建筑物金属体做防雷与接地装置安装88SD566接地装置安装86D563电缆桥架安装86SD169钢管明配线安装86D468国家建筑物抗震构造详图97G329混凝土结构施工图平面整体表示法制图规则和构造详图00G1011.5m×6.0m 预应力钢筋混凝土屋面板G410预应力钢筋混凝土折线形屋架G415Π 形钢筋混凝土天窗架G316钢筋混凝土吊车梁G323吊车轨道联结G-325柱间支撑97G336电动平开大门98SJ613管道和设备保温87S159管道支架与吊架S161单栓室消火栓箱安装99S202卫生设备安装99S304建筑排水用硬聚氯乙烯管道安装96S341砖砌室雨水检查口井01S519砖砌室排水检查口井01S519侧墙式通气帽安装99S220散热器与其管道安装96T922热力设备与管道保温87R441-1离心式通风机在砖墙、柱上安装T102风管支吊架T616钢制蝶阀T302-5配气器与其安装91R614软管接头(不带减压孔板)CR606室热力管道支吊架95R402建筑电气安装工程图集吕...

1、当您付费下载文档后,您只拥有了使用权限,并不意味着购买了版权,文档只能用于自身使用,不得用于其他商业用途(如 [转卖]进行直接盈利或[编辑后售卖]进行间接盈利)。
2、本站所有内容均由合作方或网友上传,本站不对文档的完整性、权威性及其观点立场正确性做任何保证或承诺!文档内容仅供研究参考,付费前请自行鉴别。
3、如文档内容存在违规,或者侵犯商业秘密、侵犯著作权等,请点击“违规举报”。

碎片内容

工程焊接厂房施组织设计概述

确认删除?
VIP
微信客服
  • 扫码咨询
会员Q群
  • 会员专属群点击这里加入QQ群
客服邮箱
回到顶部