电脑桌面
添加小米粒文库到电脑桌面
安装后可以在桌面快捷访问

工程竣工验收检验批质量验收记录表

工程竣工验收检验批质量验收记录表_第1页
1/73
工程竣工验收检验批质量验收记录表_第2页
2/73
工程竣工验收检验批质量验收记录表_第3页
3/73
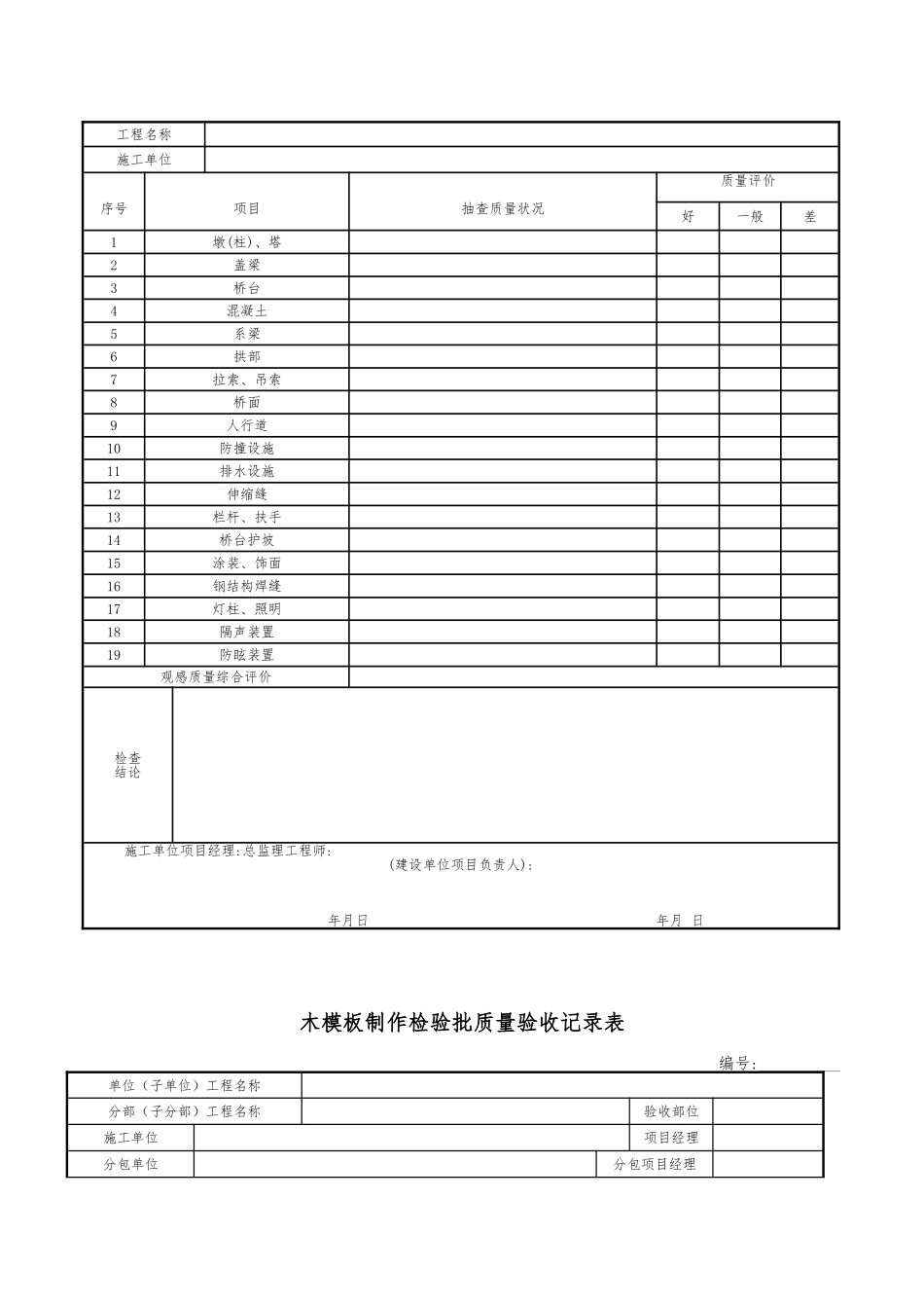
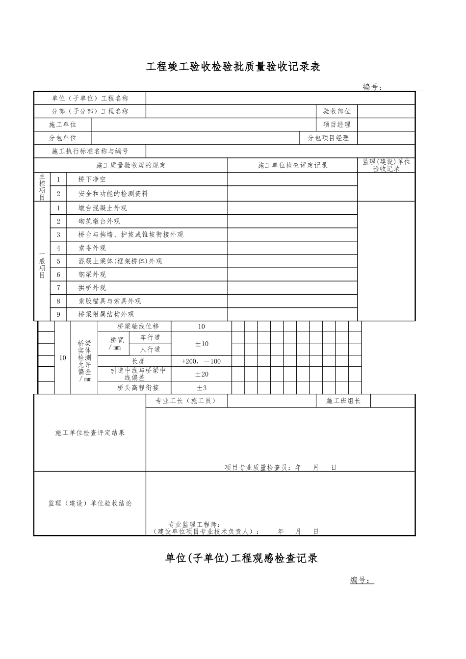
工程竣工验收检验批质量验收记录表编号:__________单位(子单位)工程名称分部(子分部)工程名称验收部位施工单位项目经理分包单位分包项目经理施工执行标准名称与编号施工质量验收规的规定施工单位检查评定记录监理(建设)单位验收记录主控项目1桥下净空2安全和功能的检测资料一般项目1墩台混凝土外观2砌筑墩台外观3桥台与挡墙、护坡或锥坡衔接外观4索塔外观5混凝土梁体(框架桥体)外观6钢梁外观7拱桥外观8索股锚具与索具外观9桥梁附属结构外观10桥梁实体检测允许偏差/mm桥梁轴线位移10桥宽/mm车行道±10人行道长度+200,-100引道中线与桥梁中线偏差±20桥头高程衔接±3施工单位检查评定结果专业工长(施工员)施工班组长项目专业质量检查员:年 月 日监理(建设)单位验收结论专业监理工程师:(建设单位项目专业技术负责人): 年 月 日单位(子单位)工程观感检查记录编号:工程名称施工单位序号项目抽查质量状况质量评价好一般差1墩(柱)、塔2盖梁3桥台4混凝土5系梁6拱部7拉索、吊索8桥面9人行道10防撞设施11排水设施12伸缩缝13栏杆、扶手14桥台护坡15涂装、饰面16钢结构焊缝17灯柱、照明18隔声装置19防眩装置观感质量综合评价检查结论施工单位项目经理:总监理工程师:(建设单位项目负责人):年月日 年月 日木模板制作检验批质量验收记录表编号:__________单位(子单位)工程名称分部(子分部)工程名称验收部位施工单位项目经理分包单位分包项目经理施工执行标准名称与编号施工质量验收规的规定施工单位检查评定记录监理(建设)单位验收记录主控项目1模板、支架和拱架制作要求2立柱基础有足够的支撑面和排水、防冻融措施一般项目1木模板制作允许偏差/mm模板的长度和宽度±52不刨光模板相邻两板表面高低差33刨光模板和相邻两板表面高低差14平板模板表面最大的局部不平(刨光模板)35平板模板表面最大的局部不平(不刨光模板)36榫槽嵌接紧密度2施工单位检查评定结果专业工长(施工员)施工班组长项目专业质量检查员:年 月 日监理(建设)单位验收结论专业监理工程师:(建设单位项目专业技术负责人): 年 月 日钢模板制作检验批质量验收记录表编号 :__________ 单位(子单位)工程名称分部(子分部)工程名称验收部位施工单位项目经理分包单位分包项目经理施工执行标准名称与编号施工质量验收规的规定施工单位检查评定记录监理(建设)单位验收记录主控1模板、支架和拱架制作要求项目2立柱基础有足够的支撑面和排水、防冻融措施一般项...

1、当您付费下载文档后,您只拥有了使用权限,并不意味着购买了版权,文档只能用于自身使用,不得用于其他商业用途(如 [转卖]进行直接盈利或[编辑后售卖]进行间接盈利)。
2、本站所有内容均由合作方或网友上传,本站不对文档的完整性、权威性及其观点立场正确性做任何保证或承诺!文档内容仅供研究参考,付费前请自行鉴别。
3、如文档内容存在违规,或者侵犯商业秘密、侵犯著作权等,请点击“违规举报”。

碎片内容

工程竣工验收检验批质量验收记录表

您可能关注的文档

确认删除?
VIP
微信客服
  • 扫码咨询
会员Q群
  • 会员专属群点击这里加入QQ群
客服邮箱
回到顶部