电脑桌面
添加小米粒文库到电脑桌面
安装后可以在桌面快捷访问

建筑施工现场临时用电接地电阻测试记录文本表

建筑施工现场临时用电接地电阻测试记录文本表_第1页
1/6
建筑施工现场临时用电接地电阻测试记录文本表_第2页
2/6
建筑施工现场临时用电接地电阻测试记录文本表_第3页
3/6
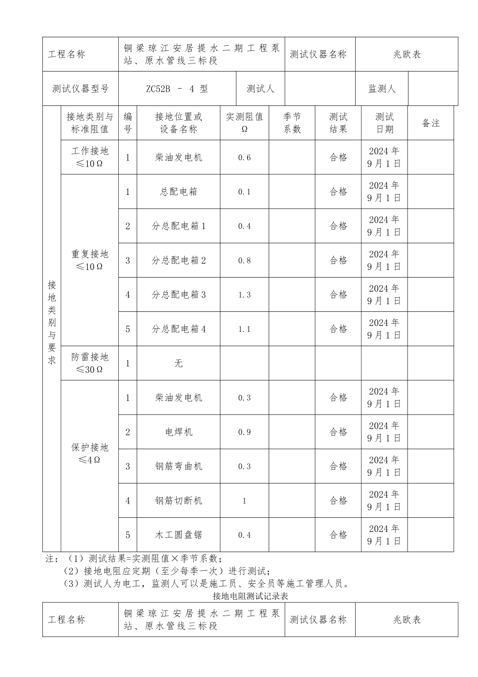
接地电阻测试记录表工程名称铜 梁 琼 江 安 居 提 水 二 期 工 程 泵站、原水管线三标段测试仪器名称兆欧表测试仪器型号ZC52B – 4 型测试人监测人接地类别与要求接地类别与标准阻值编号接地位置或设备名称实测阻值Ω季节系数测试结果测试日期备注工作接地≤10Ω1柴油发电机0.5合格2024 年8 月 1 日重复接地≤10Ω1总配电箱0.2合格2024 年8 月 1 日2分总配电箱 10.3合格2024 年8 月 1 日3分总配电箱 20.8合格2024 年8 月 1 日4分总配电箱 31.2合格2024 年8 月 1 日5分总配电箱 41.1合格2024 年8 月 1 日防雷接地≤30Ω1无保护接地≤4Ω1柴油发电机0.2合格2024 年8 月 1 日2电焊机0.9合格2024 年8 月 1 日3钢筋弯曲机0.3合格2024 年8 月 1 日4钢筋切断机0.9合格2024 年8 月 1 日5木工圆盘锯0.4合格2024 年8 月 1 日注:(1)测试结果=实测阻值×季节系数;(2)接地电阻应定期(至少每季一次)进行测试;(3)测试人为电工,监测人可以是施工员、安全员等施工管理人员。接地电阻测试记录表工程名称铜 梁 琼 江 安 居 提 水 二 期 工 程 泵站、原水管线三标段测试仪器名称兆欧表测试仪器型号ZC52B – 4 型测试人监测人接地类别与要求接地类别与标准阻值编号接地位置或设备名称实测阻值Ω季节系数测试结果测试日期备注工作接地≤10Ω1柴油发电机0.6合格2024 年9 月 1 日重复接地≤10Ω1总配电箱0.1合格2024 年9 月 1 日2分总配电箱 10.4合格2024 年9 月 1 日3分总配电箱 20.8合格2024 年9 月 1 日4分总配电箱 31.3合格2024 年9 月 1 日5分总配电箱 41.1合格2024 年9 月 1 日防雷接地≤30Ω1无保护接地≤4Ω1柴油发电机0.3合格2024 年9 月 1 日2电焊机0.9合格2024 年9 月 1 日3钢筋弯曲机0.3合格2024 年9 月 1 日4钢筋切断机1合格2024 年9 月 1 日5木工圆盘锯0.4合格2024 年9 月 1 日注:(1)测试结果=实测阻值×季节系数;(2)接地电阻应定期(至少每季一次)进行测试;(3)测试人为电工,监测人可以是施工员、安全员等施工管理人员。接地电阻测试记录表工程名称铜 梁 琼 江 安 居 提 水 二 期 工 程 泵站、原水管线三标段测试仪器名称兆欧表测试仪器型号ZC52B – 4 型测试人监测人接地类别与要求接地类别与标准阻值编号接地位置或设备名称实测阻值Ω季节系数测试结果测试日期备注工作接地≤10Ω1...

1、当您付费下载文档后,您只拥有了使用权限,并不意味着购买了版权,文档只能用于自身使用,不得用于其他商业用途(如 [转卖]进行直接盈利或[编辑后售卖]进行间接盈利)。
2、本站所有内容均由合作方或网友上传,本站不对文档的完整性、权威性及其观点立场正确性做任何保证或承诺!文档内容仅供研究参考,付费前请自行鉴别。
3、如文档内容存在违规,或者侵犯商业秘密、侵犯著作权等,请点击“违规举报”。

碎片内容

建筑施工现场临时用电接地电阻测试记录文本表

元素商铺+ 关注
实名认证
内容提供者

欢迎挑选合适的文档

确认删除?
VIP
微信客服
  • 扫码咨询
会员Q群
  • 会员专属群点击这里加入QQ群
客服邮箱
回到顶部