电脑桌面
添加小米粒文库到电脑桌面
安装后可以在桌面快捷访问

柴油主机和辅机的安装检验分析报告

柴油主机和辅机的安装检验分析报告_第1页
1/13
柴油主机和辅机的安装检验分析报告_第2页
2/13
柴油主机和辅机的安装检验分析报告_第3页
3/13
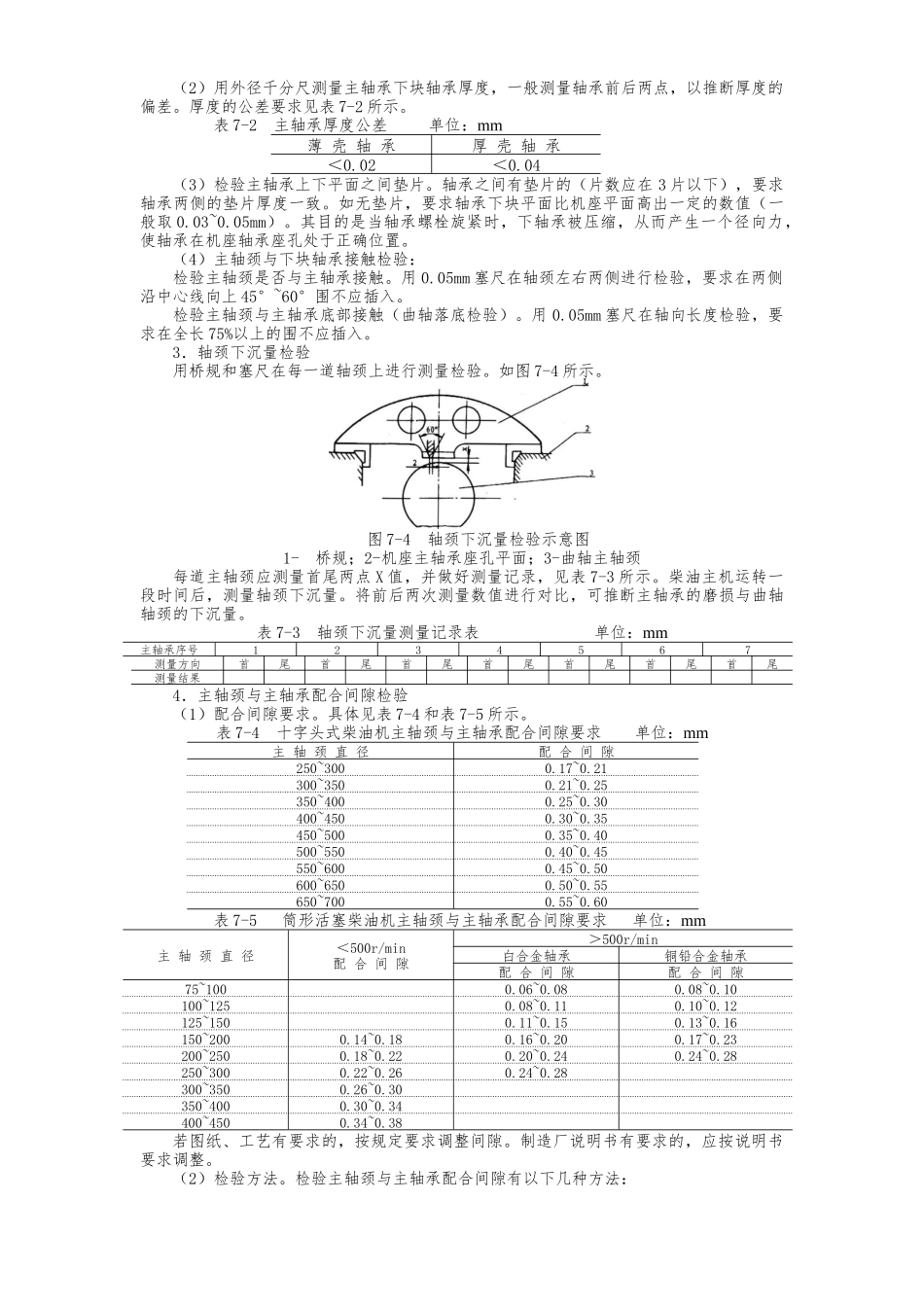
第七章柴油主机和辅机的安装检验第一节柴油主机安装检验船用小型柴油机,通常采纳整机吊装工艺进行安装,大型船舶的柴油机,在起重能力与码头设施具备条件的情况下,也可采纳整机吊装。目前大多数船厂由于受起得能力、运输和码头条件等方面的限制,对大型柴油主机大多实行组装吊运办法。即主机在制造厂经验船师、船东代表验收后,将主机拆成若干大部件,经油封保养后装箱发往造船厂,船厂再按工艺阶段将部件吊到船上进行组装。本节主要介绍组装检验,按安装顺序进行阐述。一、主机基座加工检验船舶柴油主机的基座要承受柴油主机的全部重量。除此之外,它还要承受柴油主机运转时运动部件所产生的不平衡的惯性力和反作用力矩所引起的力,以与船舶运行中(如摇摆时)所产生的柴油主机倾倒的力。因此,基座应具有足够的刚性和强度。中小型柴油机的基座通常是钢板焊接结构件,并焊接在船体双层底上;大型柴油机基座,通常依靠双层底结构作为基座。(一)检验前应具备的条件1.基座使用的材料应有船检证书;2.基座的安装、焊接质量已符合规定的技术要求。(二)检验容和方法1.接触检验(1)将小平板放到基座的面板上,用 0.05mm 的塞尺进行检验,一般不应插入,但局部允许插入,其深度不大于 10mm。用 0.10mm 塞尺检验,不应插入。(2)在平板上涂上一层薄薄的色油,然后放到面板上来回拖动,平板拿掉后检验面板上的色油点,要求在每 25×25(mm2)面积不少于 3 点,接合面大于 75%。2.基座面板倾斜度检验将直尺横放在基座上,用塞尺检查直尺与面板之间倾斜度。倾斜度通常应小于 1:100,且要求向外倾斜,便于今后配制垫片。3.螺栓孔质量检验(1)用径千分尺或气缸表检验螺栓孔直径,要求圆柱度和圆度符合图样要求。(2)螺栓孔的表面粗糙度应符合图样要求。二、主机机座安装检验主机机座有以下几方面作用:1.在机座上面安装机架、连杆、活塞、气缸盖等部件,能承受这些部件的重量。2.机座上装有主轴承,用以安装曲轴。机座与机架作为曲轴旋转的空间。3.机座可作油池用,收集和盛储滑油。4.机座能承受各运动部件所产生的惯性力。为了满足上述用途,要求机座有足够的强度、刚度。假如机座变形,将导致上述运动件发生故障或加速磨损。(一)检验前应具备的条件机座须有验船部门的合格证书和钢印。(二)检验容和方法1.机座平面平面度检验对机座平面平面度的检验方法有许多种,通常,工厂采纳何种方法施工,检验时就采纳与这种施工方法相应...

1、当您付费下载文档后,您只拥有了使用权限,并不意味着购买了版权,文档只能用于自身使用,不得用于其他商业用途(如 [转卖]进行直接盈利或[编辑后售卖]进行间接盈利)。
2、本站所有内容均由合作方或网友上传,本站不对文档的完整性、权威性及其观点立场正确性做任何保证或承诺!文档内容仅供研究参考,付费前请自行鉴别。
3、如文档内容存在违规,或者侵犯商业秘密、侵犯著作权等,请点击“违规举报”。

碎片内容

柴油主机和辅机的安装检验分析报告

您可能关注的文档

确认删除?
VIP
微信客服
  • 扫码咨询
会员Q群
  • 会员专属群点击这里加入QQ群
客服邮箱
回到顶部