电脑桌面
添加小米粒文库到电脑桌面
安装后可以在桌面快捷访问

测量系统分析程序

测量系统分析程序_第1页
1/4
测量系统分析程序_第2页
2/4
测量系统分析程序_第3页
3/4
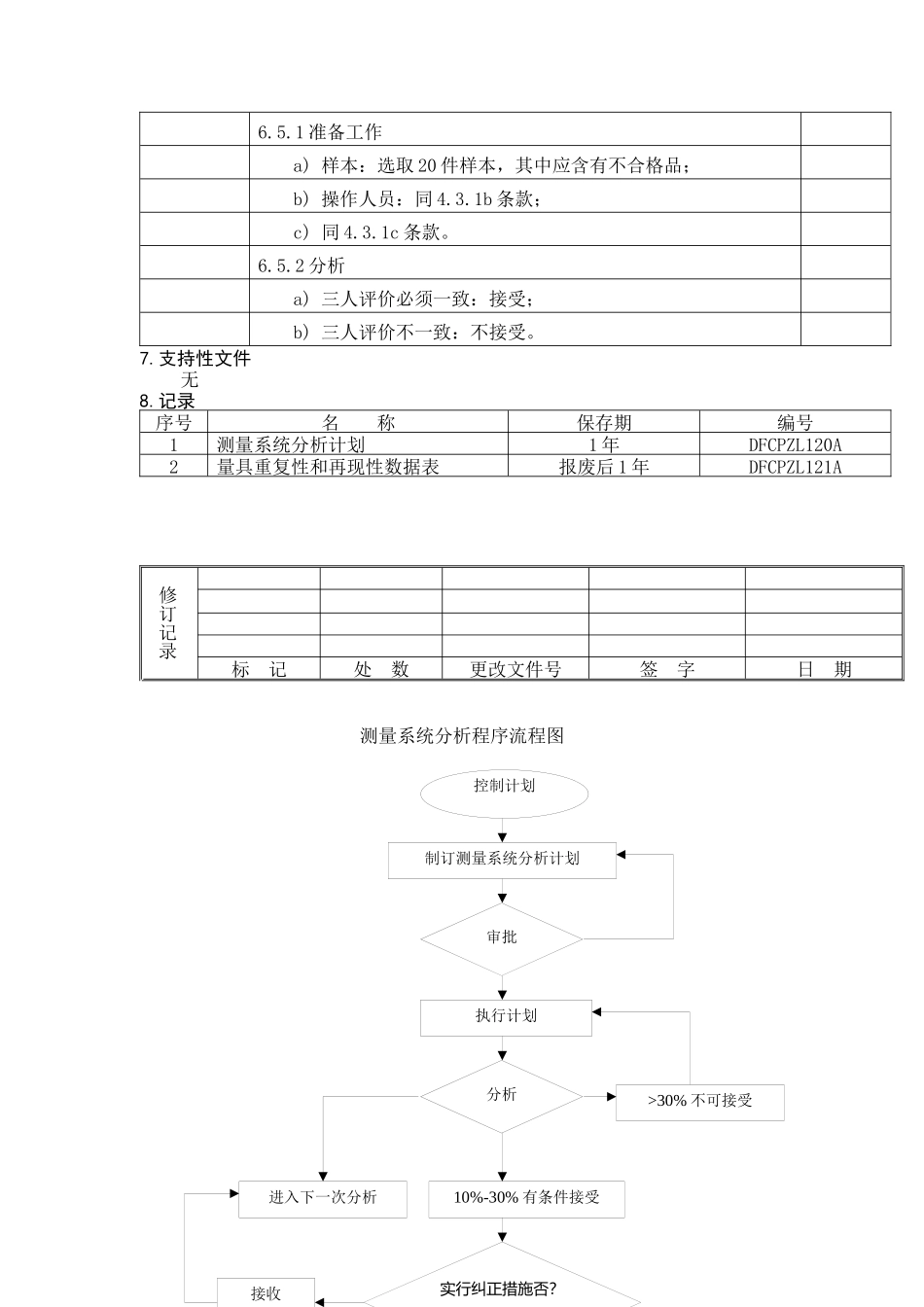
1.目的 对测量系统变差进行分析评估,以确定测量系统是否满足规定的要求。2.适用范围 适用于本公司用以保证产品质量符合规定要求的所有测量系统的分析管理。3.引用文件ISO/TS16949:2024《质量管理体系—汽车行业生产件与相关服务件的组织实施 ISO9001:2000 的特别要求》。4.术语a) 测量系统:用来对被测特性赋值的操作、程序、量具、设备、软件以及操作人员的集合,用来获得测量结果的整个过程。b) 稳定性:是测量系统在某持续时间内测量同一基准或零件的单一特性值时获得的测量值总变差。c) 重复性:是由一个评价人,采纳一种测量仪器,多次测量同一零件的同一特性时获得的测量值变差。d) 再现性:是由不同的评价人,采纳相同的测量仪器,测量同一零件的同一特性,测量平均值的变差。e) 线性:是在量具预期的工作范围内,偏倚值的差值。5.职责5.1 质量部负责测量系统分析计划(MSA)归口管理。5.2 技术开发部负责编制控制计划。5.3APQP 小组负责测量系统分析计划具体实施。6.工作流程责任单位工作内容记录APQP 小组6.1 制订测量系统分析(MSA)计划MSA 计划6.1.1 制订“测量系统分析计划”,规划各种测量系统方法和内容、人员及进度要求等。质量部6.1.2 质量部长审核计划,主管副总经理批准计划。质量部6.1.3 将计划分发至相关部门。6.2 测量系统分析频率6.2.1 投入生产控制用体现在“控制计划”中的计量器具、新投入、发生变化时测量系统都需进行分析。6.2.2 产品在进行质量先期策划时,各工序用体现在“控制计划”中的所有计量器具都需进行测量系统分析。6.2.3 上述各种计量器具每一年重复分析一次。APQP 小组6.3 分析方法6.3.1 准备工作a) 样本:取已确定特性的 10 个样件,并编号;b) 操 作 人 员 : 专 业 从 事 测 量 的 人 员 2 ~ 3 名 。 编 号 为A、B、C;c) 已校准合格的量具。APQP 小组6.3.2 收集数据a) 操作人员 A 随机顺序测量 10 个样件(测量人员应不知样件编号),由另一个将结果填写在“量具重复性和再现性数据表”相应空中,B、C 如上测量,结果也分别填入空格中。量 具 重复 性 和再 现 性数据表b) 重复以上操作,再各自随机顺序测量 10 个样件一次,结果填写在表中相应空格。c) 再次重复以上操作,各自随机顺序测量 10 个样件一次,结果填写在表中相应空格。APQP 小组6.3.3 计算6.3.4 结果分析:经过计算得出该测量系统的重复性和再现性%R﹠R...

1、当您付费下载文档后,您只拥有了使用权限,并不意味着购买了版权,文档只能用于自身使用,不得用于其他商业用途(如 [转卖]进行直接盈利或[编辑后售卖]进行间接盈利)。
2、本站所有内容均由合作方或网友上传,本站不对文档的完整性、权威性及其观点立场正确性做任何保证或承诺!文档内容仅供研究参考,付费前请自行鉴别。
3、如文档内容存在违规,或者侵犯商业秘密、侵犯著作权等,请点击“违规举报”。

碎片内容

测量系统分析程序

确认删除?
VIP
微信客服
  • 扫码咨询
会员Q群
  • 会员专属群点击这里加入QQ群
客服邮箱
回到顶部