电脑桌面
添加小米粒文库到电脑桌面
安装后可以在桌面快捷访问

电镀件检验规范标准

电镀件检验规范标准_第1页
1/18
电镀件检验规范标准_第2页
2/18
电镀件检验规范标准_第3页
3/18
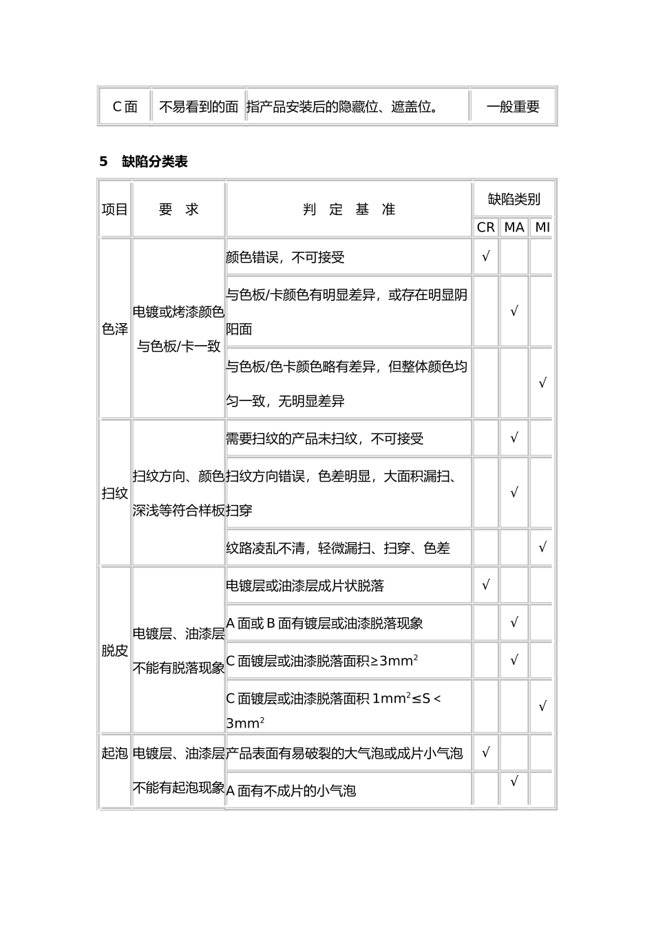
电镀检验标准1 围本规适用于冲压件加工之电镀品和电镀-封漆品的最终检验和出货检验。 2 引用标准GB/T 2828.1-2024 按接收质量限(AQL)检索的逐批检验抽样计划GB6461-2024 金属基体上金属和其他无机覆盖层经腐蚀试验后的试样和试件的评级GB/T 6739-2024 色漆和清漆 铅笔法测定漆膜硬度GB/T 1733-93 漆膜耐水性测定法 3 定义3.1 致命缺陷(critical defect)可能导致危与生命或造成非安全状态的缺陷,或可能损坏重要的最终产品的基本功能的缺陷(产品的极重要质量特性不符合规定,或质量特性极严重不符合规定)。3.2 严重缺陷(majoy defect)不构成致命缺陷,但可能导致功能失误或降低原有使用功能的缺陷(产品的重要质量特性不符合规定,或质量特性严重不符合规定)。3.3 轻微缺陷(minor defect)对产品的使用性能没有影响或只有轻微影响的缺陷(产品的一般质量特性不符合规定,或质量特性轻微不符合规定)。3.4 致命不合格品(critical defective)包含一个或多个致命缺陷,可能包含严重缺陷和(或)轻微缺陷的一种不合格品。3.5 严重不合格品(major defective)包含一个或多个严重缺陷,可能包含轻微缺陷但不包含致命缺陷的一种不合格品。3.6 轻微不合格品(minor defective)包含一个或多个轻微缺陷,但不包含致命缺陷和严重缺陷的一种不合格品。注:本规将不符合有电沉积覆盖层和相关精饰单位产品规定要求的所有缺陷视为严重缺陷。3.7 检验批(inspection lot) 由同一生产单位在同一时间或大约同一时间,按同一规在基本一致的条件下生产的,并按同一质量要求提交作接收或拒收检验的同一类型的一组镀覆产品。3.8 样本量(sample size) 取自一个批并且提供有关该批的信息的一个或一组产品称为样本。样本量即样本中产品的数量。 4 表面分区区域特性 围重要程度A 面主要外露面指产品的正面,即产品安装后最容易看到的部位。极重要B 面次要外露面指产品的侧面、向下外露面、边位、角位、接合位、弯曲位。重要C 面不易看到的面 指产品安装后的隐藏位、遮盖位。一般重要 5 缺陷分类表项目要 求判 定 基 准缺陷类别CR MA MI色泽电镀或烤漆颜色与色板/卡一致颜色错误,不可接受√ 与色板/卡颜色有明显差异,或存在明显阴阳面 √ 与色板/色卡颜色略有差异,但整体颜色均匀一致,无明显差异 √扫纹扫纹方向、颜色深浅等符合样板需要扫纹的产品未扫纹,不可接受 √ 扫纹方向错误,色差明显,大...

1、当您付费下载文档后,您只拥有了使用权限,并不意味着购买了版权,文档只能用于自身使用,不得用于其他商业用途(如 [转卖]进行直接盈利或[编辑后售卖]进行间接盈利)。
2、本站所有内容均由合作方或网友上传,本站不对文档的完整性、权威性及其观点立场正确性做任何保证或承诺!文档内容仅供研究参考,付费前请自行鉴别。
3、如文档内容存在违规,或者侵犯商业秘密、侵犯著作权等,请点击“违规举报”。

碎片内容

电镀件检验规范标准

您可能关注的文档

确认删除?
VIP
微信客服
  • 扫码咨询
会员Q群
  • 会员专属群点击这里加入QQ群
客服邮箱
回到顶部