电脑桌面
添加小米粒文库到电脑桌面
安装后可以在桌面快捷访问

视频安防系统培训手册VIP专享

视频安防系统培训手册_第1页
1/7
视频安防系统培训手册_第2页
2/7
视频安防系统培训手册_第3页
3/7
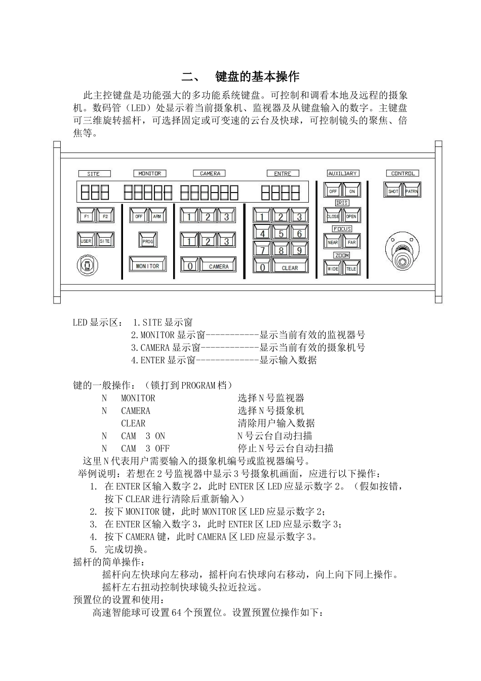
视频安防系统培训手册一、监控系统概述二、键盘的简单操作三、硬盘录象机的简单操作四、防盗报警系统概述一、 监控系统概述 本系统采纳日本池川的闭路电视监控系列的设备,通过前端的日/夜型智能快球摄像机、彩色半球摄像机、电梯专用摄像机 46 台对宁波综合通信楼的主要出入口、地下停车库和各楼层进出口、重要工艺设备用房、电梯轿厢等重要场所进行全天候监视、录像,及时了解和监视各个场所的动态情况,对突发的紧急势态及时有效的进行处理。采纳计算机系统对闭路电视监控系统进行集中管理和控制。系统设有一个监控中心,一层消控中心为监控总中心。监控分中心管理大楼的 46 个前端摄像机;监控总中心采纳美国 AD 切换距阵系统,通过切换台在总控中心的主控键盘上可以控制所有的前端摄像机。它的系统拓扑图如图所示:二、 键盘的基本操作 此主控键盘是功能强大的多功能系统键盘。可控制和调看本地及远程的摄象机。数码管(LED)处显示着当前摄象机、监视器及从键盘输入的数字。主键盘可三维旋转摇杆,可选择固定或可变速的云台及快球,可控制镜头的聚焦、倍焦等。LED 显示区: 1.SITE 显示窗 2.MONITOR 显示窗-----------显示当前有效的监视器号3.CAMERA 显示窗------------显示当前有效的摄象机号4.ENTER 显示窗-------------显示输入数据键的一般操作:(锁打到 PROGRAM 档) N MONITOR 选择 N 号监视器 N CAMERA 选择 N 号摄象机 CLEAR 清除用户输入数据 N CAM 3 ON N 号云台自动扫描 N CAM 3 OFF 停止 N 号云台自动扫描 这里 N 代表用户需要输入的摄象机编号或监视器编号。 举例说明:若想在 2 号监视器中显示 3 号摄象机画面,应进行以下操作:1. 在 ENTER 区输入数字 2,此时 ENTER 区 LED 应显示数字 2。(假如按错,按下 CLEAR 进行清除后重新输入)2. 按下 MONITOR 键,此时 MONITOR 区 LED 应显示数字 2;3. 在 ENTER 区输入数字 3,此时 ENTER 区 LED 应显示数字 3;4. 按下 CAMERA 键,此时 CAMERA 区 LED 应显示数字 3。5. 完成切换。摇杆的简单操作: 摇杆向左快球向左移动,摇杆向右快球向右移动,向上向下同上操作。 摇杆左右扭动控制快球镜头拉近拉远。预置位的设置和使用:高速智能球可设置 64 个预置位。设置预置位操作如下:1、按键盘上的 CLEAR 键,清除 ENTER 区域显示的数字;2、输入要设置预置位的摄象机号,显示在...

1、当您付费下载文档后,您只拥有了使用权限,并不意味着购买了版权,文档只能用于自身使用,不得用于其他商业用途(如 [转卖]进行直接盈利或[编辑后售卖]进行间接盈利)。
2、本站所有内容均由合作方或网友上传,本站不对文档的完整性、权威性及其观点立场正确性做任何保证或承诺!文档内容仅供研究参考,付费前请自行鉴别。
3、如文档内容存在违规,或者侵犯商业秘密、侵犯著作权等,请点击“违规举报”。

碎片内容

视频安防系统培训手册

确认删除?
VIP
微信客服
  • 扫码咨询
会员Q群
  • 会员专属群点击这里加入QQ群
客服邮箱
回到顶部