电脑桌面
添加小米粒文库到电脑桌面
安装后可以在桌面快捷访问

市政污水管道技术交底VIP专享

市政污水管道技术交底_第1页
1/18
市政污水管道技术交底_第2页
2/18
市政污水管道技术交底_第3页
3/18
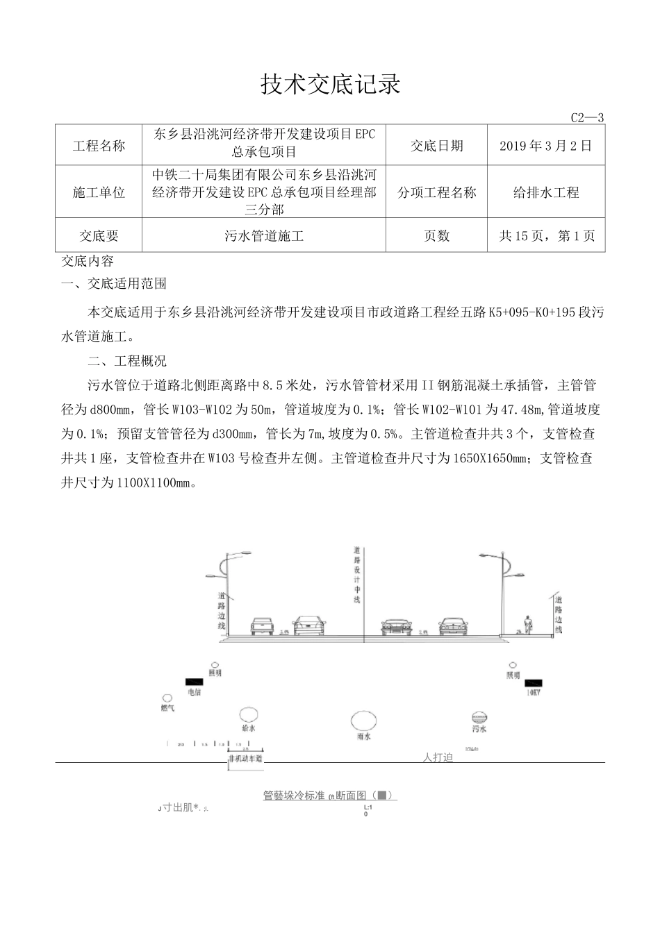
L:10技术交底记录C2—3工程名称东乡县沿洮河经济带开发建设项目 EPC总承包项目交底日期2019 年 3 月 2 日施工单位中铁二十局集团有限公司东乡县沿洮河经济带开发建设 EPC 总承包项目经理部三分部分项工程名称给排水工程交底要污水管道施工页数共 15 页,第 1 页交底内容一、交底适用范围本交底适用于东乡县沿洮河经济带开发建设项目市政道路工程经五路 K5+095-K0+195 段污水管道施工。二、工程概况污水管位于道路北侧距离路中 8.5 米处,污水管管材采用 II 钢筋混凝土承插管,主管管径为 d800mm,管长 W103-W102 为 50m,管道坡度为 0.1%;管长 W102-W101 为 47.48m,管道坡度为 0.1%;预留支管管径为 d300mm,管长为 7m,坡度为 0.5%。主管道检查井共 3 个,支管检查井共 1 座,支管检查井在 W103 号检查井左侧。主管道检查井尺寸为 1650X1650mm;支管检查井尺寸为 1100X1100mm。Ir % j, dn 人打迫管藝垛冷标准 ( ft 断面图 ( ■) J寸出肌*.;l.三、管道施工1•测量放样:由技术人员根据施工图纸放样出检查井的位置和高程,并下发技术交底,施工人员根据技术交底确定开挖深度和宽度。2•沟槽开挖:不扰动天然地基,管道基础应落在有一定承载能力得到原状土层上,否则应进行地基处理,地基处理符合设计要求,沟槽槽壁应平整,边坡坡度为 1:0.75,当采用人工挖土时,堆土高度不宜超过 1.5 米,且距槽口边缘不小于 0.8 米,采用机械开挖时,槽底应保留0.15 米土层用人工清槽,且不得超挖,如若超挖应用砂石将超挖部分回填密实,沟槽开挖较深时,应根据开挖根据合理确定分层开挖深度。3.管道基础基础处理形式为清除素土层后,开挖至设计标高,采用集配良好的砂砾石(200mm)厚,压实系数不小于 0.95,地基承载力不小于 120kpa,材料基础一般为中粗砂,亦可采用天然级配砂砾,其最大粒径不宜大于 25mm。排水管:排水管基础采用 C20 混凝土基础,具体尺寸见下表:*--J - - '*■-■-■■…*■■■■■-■■■他 TXliiiW„..-■■r-r--■■■»■\Hii«ilia“TJI«ii■.a.IJL-JIA.I.«,二■-.VJJ.y/.VAlf■.T7.V.W.tKW7.T7.V.;.T.;-;-QBEj 眇槪土皑翻他彌軀备注:管道底开挖宽度为 2.44m,混凝土采用 C20 混凝土基础。4.管道施工4.1 排水管道施工流程图:排水:工程施工工艺济程圏4.2 管沟开挖管沟采用人工配合挖掘机开挖,为了减少管沟开挖的土方数量,根据土质情况,按规范要求...

1、当您付费下载文档后,您只拥有了使用权限,并不意味着购买了版权,文档只能用于自身使用,不得用于其他商业用途(如 [转卖]进行直接盈利或[编辑后售卖]进行间接盈利)。
2、本站所有内容均由合作方或网友上传,本站不对文档的完整性、权威性及其观点立场正确性做任何保证或承诺!文档内容仅供研究参考,付费前请自行鉴别。
3、如文档内容存在违规,或者侵犯商业秘密、侵犯著作权等,请点击“违规举报”。

碎片内容

市政污水管道技术交底

确认删除?
VIP
微信客服
  • 扫码咨询
会员Q群
  • 会员专属群点击这里加入QQ群
客服邮箱
回到顶部