电脑桌面
添加小米粒文库到电脑桌面
安装后可以在桌面快捷访问

机床主传动系统设计

机床主传动系统设计_第1页
1/9
机床主传动系统设计_第2页
2/9
机床主传动系统设计_第3页
3/9
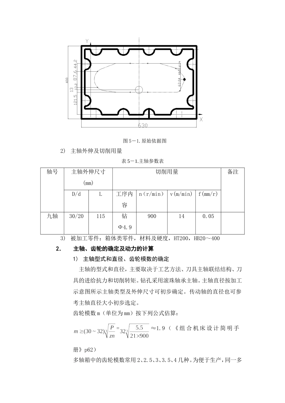
机床主传动系统设计多轴箱是组合机床的重要专用部件。它是根据加工示意图所确定的工件加工孔的数量和位置、切削用量和主轴类型设计的传递各主轴运动的动力部件。其动力来自通用的动力箱,与动力箱一起安装于进给滑台,可完成钻扩铰镗孔等加工工序。通用主轴箱采用标准主轴,借助导向套引导刀具来保证被加工孔的位置精度5.1 大型主轴箱的组成大型通用主轴箱由通用零件如箱体、主轴、传动轴、齿轮和附加机构等组成。有箱体、前盖、后盖、上盖、侧盖等为箱体类零件;主轴、传动轴、手柄轴、传动齿轮、动力箱或电动机齿轮等为传动类零件;叶片泵、分油器、注油标、排油塞、油盘和防油套等为润滑及防油元件。5.2 多轴箱通用零件1.通用箱体类零件 箱体材料为 HT200,前、后、侧盖等材料为HT150。多轴箱的标准厚度为 180mm,前盖厚度为 55mm,后盖厚度为90mm。2.通用主轴1) 滚锥轴承主轴2) 滚针轴承主轴3) 滚珠轴承主轴:前支承为推力球轴承、后支承为向心球轴承或圆锥滚子轴承。因推力球轴承设置在前端,能承受单方向的轴向力,适用于钻孔主轴。3.通用传动轴通用传动轴一般用 45#钢,调质 T235;滚针轴承传动轴用 20Cr 钢,热处理 S0.5~C59。4.通用齿轮和套多轴箱用通用齿轮有:传动齿轮、动力箱齿轮和电机齿轮。5.3 通用多轴箱设计1.多轴箱设计原始依据图1) 多轴箱设计原始依据图图 5-1.原始依据图2) 主轴外伸及切削用量表 5-1.主轴参数表轴号主轴外伸尺寸(mm)切削用量备注D/dL工序内容n(r/min) v(m/min)f(mm/r)九轴30/20115钻Ф4.9900140.053) 被加工零件:箱体类零件,材料及硬度,HT200,HB20~4002.主轴、齿轮的确定及动力的计算1) 主轴型式和直径、齿轮模数的确定 主轴的型式和直径,主要取决于工艺方法、刀具主轴联结结构、刀具的进给抗力和切削转矩。钻孔采用滚珠轴承主轴。主轴直径按加工示意图所示主轴类型及外伸尺寸可初步确定。传动轴的直径也可参考主轴直径大小初步选定。齿轮模数 m(单位为 mm)按下列公式估算:=≈1.9 ( 《 组 合 机 床 设 计 简 明 手册》p62)多轴箱中的齿轮模数常用 2、2.5、3、3.5、4 几种。为便于生产,同一多轴箱中的模数规格最好不要多于两种。因此选用齿轮模数为 2、3 两种。2) 多轴箱所需动力的计算多轴箱的动力计算包括多轴箱所需的功率和进给力两项。传动系统确定之后,多轴箱所需功率按下列公式计算:(《组合机床设计简明手册》p62)4.76kw+0.074×...

1、当您付费下载文档后,您只拥有了使用权限,并不意味着购买了版权,文档只能用于自身使用,不得用于其他商业用途(如 [转卖]进行直接盈利或[编辑后售卖]进行间接盈利)。
2、本站所有内容均由合作方或网友上传,本站不对文档的完整性、权威性及其观点立场正确性做任何保证或承诺!文档内容仅供研究参考,付费前请自行鉴别。
3、如文档内容存在违规,或者侵犯商业秘密、侵犯著作权等,请点击“违规举报”。

碎片内容

机床主传动系统设计

您可能关注的文档

确认删除?
VIP
微信客服
  • 扫码咨询
会员Q群
  • 会员专属群点击这里加入QQ群
客服邮箱
回到顶部