电脑桌面
添加小米粒文库到电脑桌面
安装后可以在桌面快捷访问

挂网锚喷支护施工方案.

挂网锚喷支护施工方案._第1页
1/17
挂网锚喷支护施工方案._第2页
2/17
挂网锚喷支护施工方案._第3页
3/17
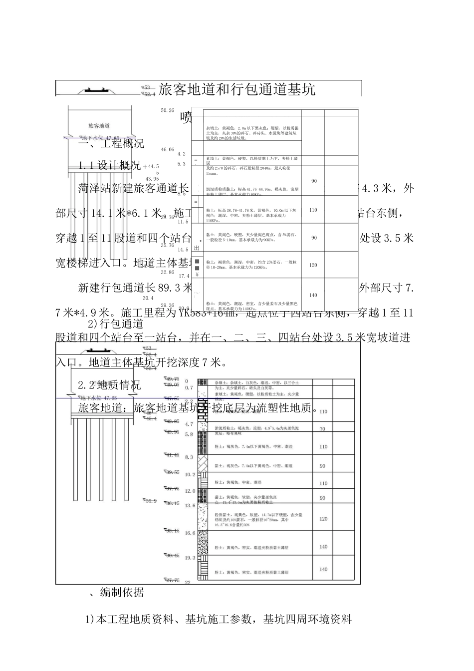
注:本表一式 4 份,施工单位 2 份,监理单位 1 份、指挥部 1份施工组织设计(方案)报审表监理合同段:施工合同段:编号:致山东济铁工程建设监理有限责任公司荷泽站客运设施改造工程监理站(项目监理机构):我单位根据施工合同的有关规定已编制完成荷泽站客运设施改造工程旅客地道和行包地道基坑喷锚支护工程的施工组织设计(方案),并经我单位技术负责人审查批准,请予以审查。附:施工组织设计(方案)施工单位(章)负责人日期专业监理工程师意见:专业监理工程师日期—总监理工程师意见:项目监理机构(章)总监理工程师日期菏泽站客运设施改造工程旅客地道和行包通道基坑喷锚支护施工方案编制:职称:审核:职称:审批:职称:中铁十局集团有限公司菏泽站客运设施改造工程项目经理部二 O 一三年八月旅客地道和行包通道基坑喷锚支护施工方案一、工程概况1.1 设计概况菏泽站新建旅客通道长 90.05 米,结构净宽 12.3 米、净高 4.3 米,外部尺寸 14.1 米*6.1 米。施工里程为 YK583+447m,起点位于四站台东侧,穿越 1 至 11 股道和四个站台至新建站房,并在二、三、四站台处设 3.5 米宽楼梯进入口。地道主体基坑开挖深度 8.35 米。新建行包通道长 89.3 米,结构净宽 6.3 米、净高 3.5 米,外部尺寸 7.7 米*4.9 米。施工里程为 YK583+164m,起点位于四站台东侧,穿越 1 至 11股道和四个站台至一站台,并在一、二、三、四站台处设 3.5 米宽坡道进入口。地道主体基坑开挖深度 7 米。2.2 地质情况旅客地道:旅客地道基坑开挖底层为流塑性地质。50.26046.06 4.2十 44.5543.9541.7638.7635.765.38.511.514.5二34.532.8617.430.429.3620.9杂填土:黄褐色,2.0m 以下黑灰色;硬塑,以粉质黏土为主,夹杂 30%的碎石、碎砖头、水泥块等建筑垃圾及约 20%的生活垃圾。=^素填土:黄褐色,硬塑,以粉质黏土为主,夹粉土薄层及约 2570 的碎石,碎石般粒径 2040m,最人粒径15umm。淤泥质粉质黏土:标高 41.76-44.96m。褐灰色,流塑夹粉土薄层。基本承载力 90KPa。90=粉土:标高 38.76-41.76 米,黄褐色,10.0m 以下灰褐色;潮湿,中密,夹粉土薄层。基本承载力110KPa。110•出黏土:黄褐色,硬塑,夹少量褐色斑点,含 5%姜石,一般粒径 5-10mm。基本承载力为 90KPa。90粉土:褐黄色,潮湿,中密,约含 25%姜石,一般粒径 10-20mm。基本承载力为 120KPa。120■■¥1"■-'|粉土:黄褐色,潮湿,...

1、当您付费下载文档后,您只拥有了使用权限,并不意味着购买了版权,文档只能用于自身使用,不得用于其他商业用途(如 [转卖]进行直接盈利或[编辑后售卖]进行间接盈利)。
2、本站所有内容均由合作方或网友上传,本站不对文档的完整性、权威性及其观点立场正确性做任何保证或承诺!文档内容仅供研究参考,付费前请自行鉴别。
3、如文档内容存在违规,或者侵犯商业秘密、侵犯著作权等,请点击“违规举报”。

碎片内容

挂网锚喷支护施工方案.

wxg+ 关注
实名认证
内容提供者

该用户很懒,什么也没介绍

确认删除?
VIP
微信客服
  • 扫码咨询
会员Q群
  • 会员专属群点击这里加入QQ群
客服邮箱
回到顶部