电脑桌面
添加小米粒文库到电脑桌面
安装后可以在桌面快捷访问

电子作业指导书模板

电子作业指导书模板_第1页
1/20
电子作业指导书模板_第2页
2/20
电子作业指导书模板_第3页
3/20
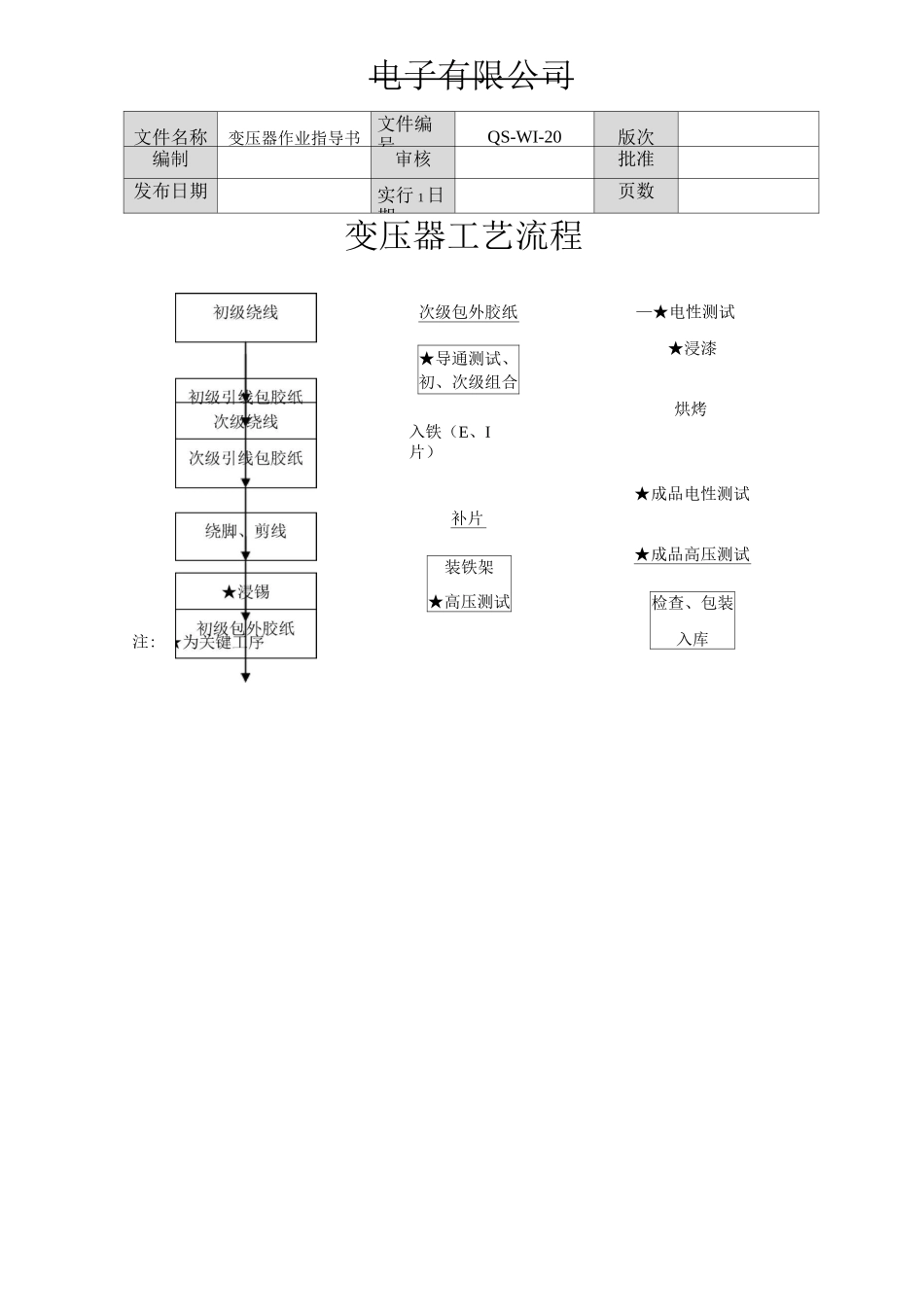
电子有限公司作业指导书文件编号:QS-WI-20版本:受控状态:编制:审核:批准:发布日期:实施日期:电子有限公司文件名称目录文件编号QS-WI-20版次编制审核批准发布日期实行日期页数目录序号文件名称文件编号工序编号初级饶线作业指导书QS-WI-20次级饶线作业指导书QS-WI-202初级引线包胶纸作业指导书QS-WI-203次级引线包胶纸作业指导书QS-WI-204饶脚、剪线作业指导书QS-WI-205锓锡作业指导书QS-WI-206初级包外胶纸作业指导书QS-WI-207次级包外胶纸作业指导书QS-WI-208导通测试、组合作业指导书QS-WI-209入、片作业指导书QS-WI-2010补片作业指导书QS-WI-2011装铁夹作业指导书QS-WI-2012电性测试作业指导书QS-WI-2013高压测试作业指导书QS-WI-2014电子有限公司文件名称变压器作业指导书文件编号QS-WI-20版次编制审核批准发布日期实行 1日期页数变压器工艺流程注:次级包外胶纸★导通测试、初、次级组合入铁(E、I片)补片装铁架★高压测试—★电性测试★浸漆烘烤★成品电性测试★成品高压测试检查、包装入库电子有限公司作业指导书产品名称产品型号工序文件编号版本页数制订时间变压器EI 型变压器初级绕线QS-WI-20A/012006-1-5操作说明:确定绕线机设定,将胶芯插入绕线机轴上。按图()所示:把漆包线头拉下,沿胶芯线糟绕大半个圈,线头从卡线糟拉出并缠绕在机嘴中心糟上圈,在图示位置贴一块线头胶纸,固定线头。开机绕完圈数后,按图()所示:用指头将漆包线拉长土,卡入线糟剪断,分别在图()所示位置贴上皱纹纸。取下胶芯将线头缠好在胶芯上后整齐摆放在胶盆内。耳子纸皱纹纸//图(1)图(2)图(3)图(4)注意事项:进出线槽位要正确,进线一定要在耳子纸内。绕线圈数要准确。绕线要求平整、均匀、紧实,线包不可有抛线、松散、肥大。工设1绕线机作业序号名称2机嘴1胶芯3剪刀、六角匙2漆包线制成:审核:核准:电子有限公司作业指导书产品名称产品型号工序文件编号版本页数制订时间变压器EI 型变压器次级绕线QS-WI-20A/012006-1-5操作说明:确定绕线机设定,将胶芯插入绕线机轴上。按图()所示:把漆包线头拉下,沿胶芯线糟绕大半个圈,线头从卡线糟拉出并缠绕在机嘴中心糟上,固定线头。开机绕完圈数后,按图()所示:用指头将漆包线拉长土,卡入线糟剪断。取下胶芯将线头缠好在胶芯上后整齐摆放在胶盆内。图(1)图(2)图(3)图(4)注意事项:绕线圈数要准确进出线槽位要正确。绕线要求平整、均匀、紧实,线包不可有抛线、松散、肥...

1、当您付费下载文档后,您只拥有了使用权限,并不意味着购买了版权,文档只能用于自身使用,不得用于其他商业用途(如 [转卖]进行直接盈利或[编辑后售卖]进行间接盈利)。
2、本站所有内容均由合作方或网友上传,本站不对文档的完整性、权威性及其观点立场正确性做任何保证或承诺!文档内容仅供研究参考,付费前请自行鉴别。
3、如文档内容存在违规,或者侵犯商业秘密、侵犯著作权等,请点击“违规举报”。

碎片内容

电子作业指导书模板

您可能关注的文档

确认删除?
VIP
微信客服
  • 扫码咨询
会员Q群
  • 会员专属群点击这里加入QQ群
客服邮箱
回到顶部