电脑桌面
添加小米粒文库到电脑桌面
安装后可以在桌面快捷访问

建筑主体的维修养护计划

建筑主体的维修养护计划_第1页
1/7
建筑主体的维修养护计划_第2页
2/7
建筑主体的维修养护计划_第3页
3/7
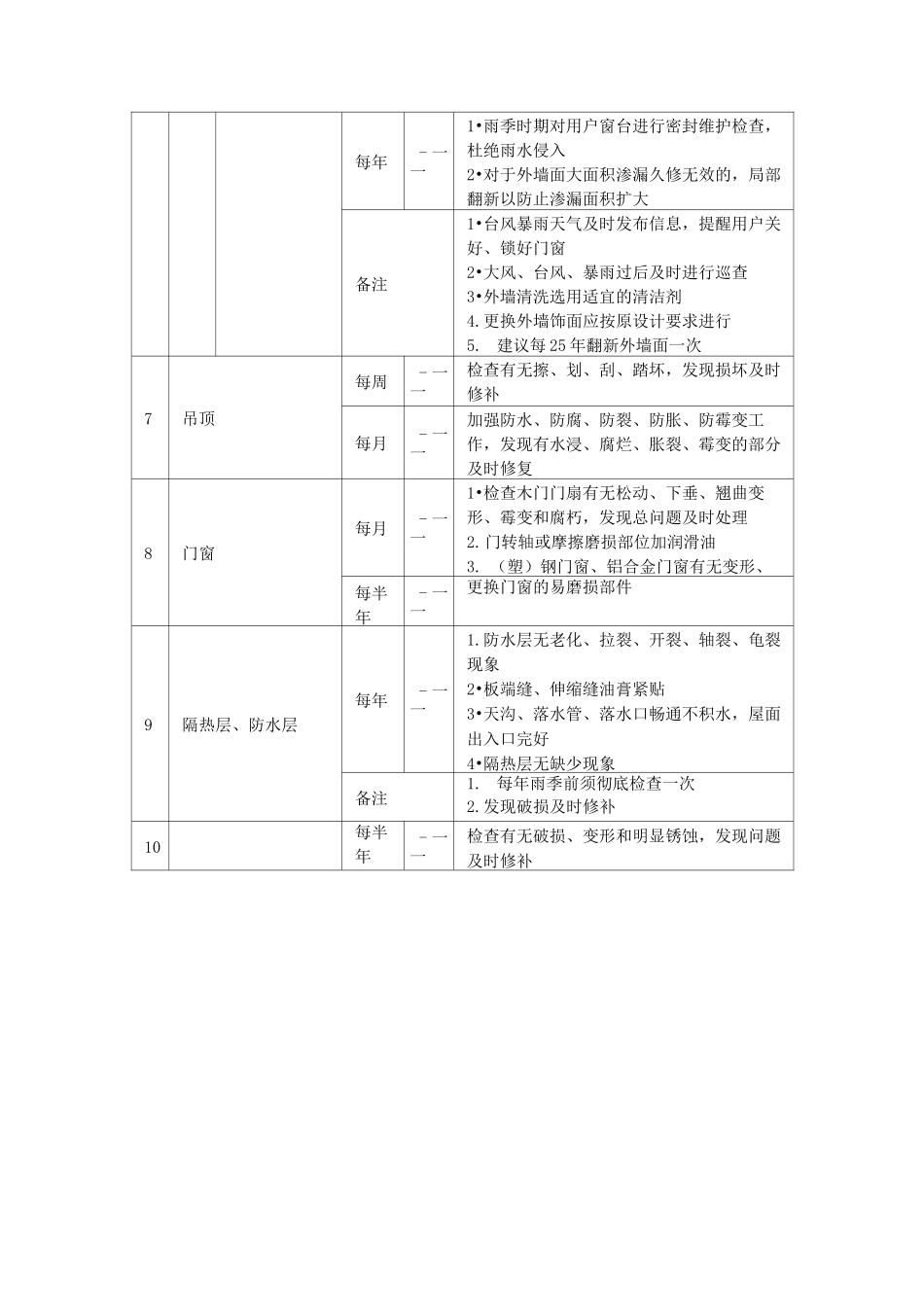
序号项目时 间间隔次数维修养护内容1地基基础半年- 一一1.检查地基有无超过允许范围的不均匀沉降2•检查基础有无开裂、破损,勒脚有无破损每季- 一一适时安排白蚁的防治和消杀工作,走访用户,了解其办公室内有无发现白蚁,检查公共部位有无白蚁每年- 一一检查房屋基础结构性能是否完好以及地基沉降总量情况2承重结构梁每季- 一一检查有无变形、裂缝、腐蚀每年- 一一检查整体结构性能是否完好板每季- 一一检查有无弯曲变形、裂缝、腐蚀每年- 一一检查整体结构性能是否完好柱每季- 一一检查有无倾斜,变形、裂缝、腐蚀每年- 一一检查整体结构性能是否完好承重墙每季- 一一检查有无孔洞、裂缝、腐蚀每年- 一一检查整体结构性能是否完好备注:对于承重结构各部件,若出现因设计或不可抗拒因素引起的严重损坏,我们委托专豕进行分析、计算,拟订维修方案,由专业公司实施处理3非承重墙每月- 一一检查墙体是否平直、有无裂缝、孔洞、风化等缺陷每年- 一一检查墙体结构性能是否完好4楼地面每季- 一一1.检查楼地面是否平整完好,有无空鼓和破裂 2•检查地面饰面材料有无松脱、空鼓、破损,发现问题及时处理3•更换大面积松脱、破损的地面饰面材料每年- 一一检查楼地面面结构功能的完好性5公共通道、门厅等每周- 一一1.检查地面有无起砂、空鼓、开裂、松脱,发现异常及时修复2.公共通道及门厅的墙面有无污迹和剥落,发现异常随时处理每半年- 一一1•检查扶手、踏步有无损坏,发现异常随时修复2.补换损坏的地板3•修复空鼓的地板每年- 一一油漆扶手6外墙面铝型材、玻璃幕墙、大理石每周- 一一1.修补外墙饰面裂缝、脱落部分2•更换破碎的玻璃外墙饰面,发现问题立刻处理每半年- 一一1.结合外墙清洗作业,一并检查外墙面的使用状况2.特别注意检查玻璃幕墙的玻璃是否有松动迹象每年- 一一1•雨季时期对用户窗台进行密封维护检查,杜绝雨水侵入2•对于外墙面大面积渗漏久修无效的,局部翻新以防止渗漏面积扩大备注1•台风暴雨天气及时发布信息,提醒用户关好、锁好门窗2•大风、台风、暴雨过后及时进行巡查3•外墙清洗选用适宜的清洁剂4.更换外墙饰面应按原设计要求进行5.建议每 25 年翻新外墙面一次7吊顶每周- 一一检查有无擦、划、刮、踏坏,发现损坏及时修补每月- 一一加强防水、防腐、防裂、防胀、防霉变工作,发现有水浸、腐烂、胀裂、霉变的部分及时修复8门窗每月- 一一1•检查木门门扇有无松动、下垂、翘曲变形、霉变和腐朽...

1、当您付费下载文档后,您只拥有了使用权限,并不意味着购买了版权,文档只能用于自身使用,不得用于其他商业用途(如 [转卖]进行直接盈利或[编辑后售卖]进行间接盈利)。
2、本站所有内容均由合作方或网友上传,本站不对文档的完整性、权威性及其观点立场正确性做任何保证或承诺!文档内容仅供研究参考,付费前请自行鉴别。
3、如文档内容存在违规,或者侵犯商业秘密、侵犯著作权等,请点击“违规举报”。

碎片内容

建筑主体的维修养护计划

wxg+ 关注
实名认证
内容提供者

该用户很懒,什么也没介绍

确认删除?
VIP
微信客服
  • 扫码咨询
会员Q群
  • 会员专属群点击这里加入QQ群
客服邮箱
回到顶部