电脑桌面
添加小米粒文库到电脑桌面
安装后可以在桌面快捷访问

电缆耐压试验报告

电缆耐压试验报告_第1页
1/3
电缆耐压试验报告_第2页
2/3
电缆耐压试验报告_第3页
3/3
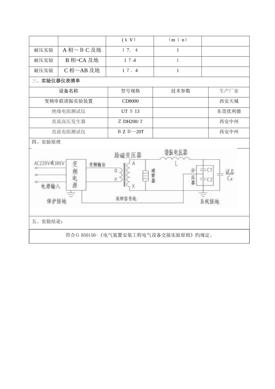
试 验 报 告T ES TING REPORT S 工程:项目: 实验人员: 审 核: 批 准: 实验日期: 电力工程有限公司1 0kV 电力电缆实验报告电缆规格实验日期电缆起点电缆终点电缆长度电缆厂家温度湿度试 验 数 据一、绝缘电阻测试绝缘电阻(MΩ)接线方式耐压前耐压后A 相~BC 及地B相~CA 及地C 相~A B及地二、直流电阻测试相别导体屏蔽层A~BB~CC~A三、绝缘护套直流耐压及泄漏电流相别泄漏电流2.5 k V5kV7.5 kV10kV1minABC四、沟通耐压实验项目实验接线耐压值加压时间结论(k V)(m i n)耐压实验A 相~B C 及地1 7.41耐压实验B 相~CA 及地1 7.41耐压实验C 相~AB 及地1 7.41三、实验仪器仪表清单设备名称型号规格技术参数生产厂家变频串联谐振实验装置CD8000西安天城绝缘电阻测试仪UT 5 13东莞优利德直流高压发生器Z DH200/2西安中州直流电阻测试仪B Z D—20T西安中州四、实验原理五、实验结论:符合G B50150-《电气装置安装工程电气设备交接实验原则》旳规定。

1、当您付费下载文档后,您只拥有了使用权限,并不意味着购买了版权,文档只能用于自身使用,不得用于其他商业用途(如 [转卖]进行直接盈利或[编辑后售卖]进行间接盈利)。
2、本站所有内容均由合作方或网友上传,本站不对文档的完整性、权威性及其观点立场正确性做任何保证或承诺!文档内容仅供研究参考,付费前请自行鉴别。
3、如文档内容存在违规,或者侵犯商业秘密、侵犯著作权等,请点击“违规举报”。

碎片内容

电缆耐压试验报告

您可能关注的文档

确认删除?
VIP
微信客服
  • 扫码咨询
会员Q群
  • 会员专属群点击这里加入QQ群
客服邮箱
回到顶部