电脑桌面
添加小米粒文库到电脑桌面
安装后可以在桌面快捷访问

线路、插座、开关接地检验记录

线路、插座、开关接地检验记录_第1页
1/3
线路、插座、开关接地检验记录_第2页
2/3
线路、插座、开关接地检验记录_第3页
3/3
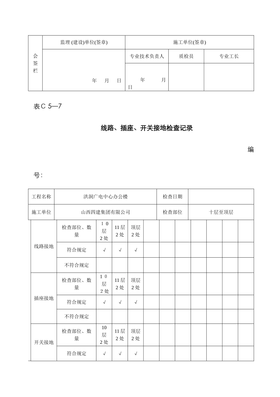
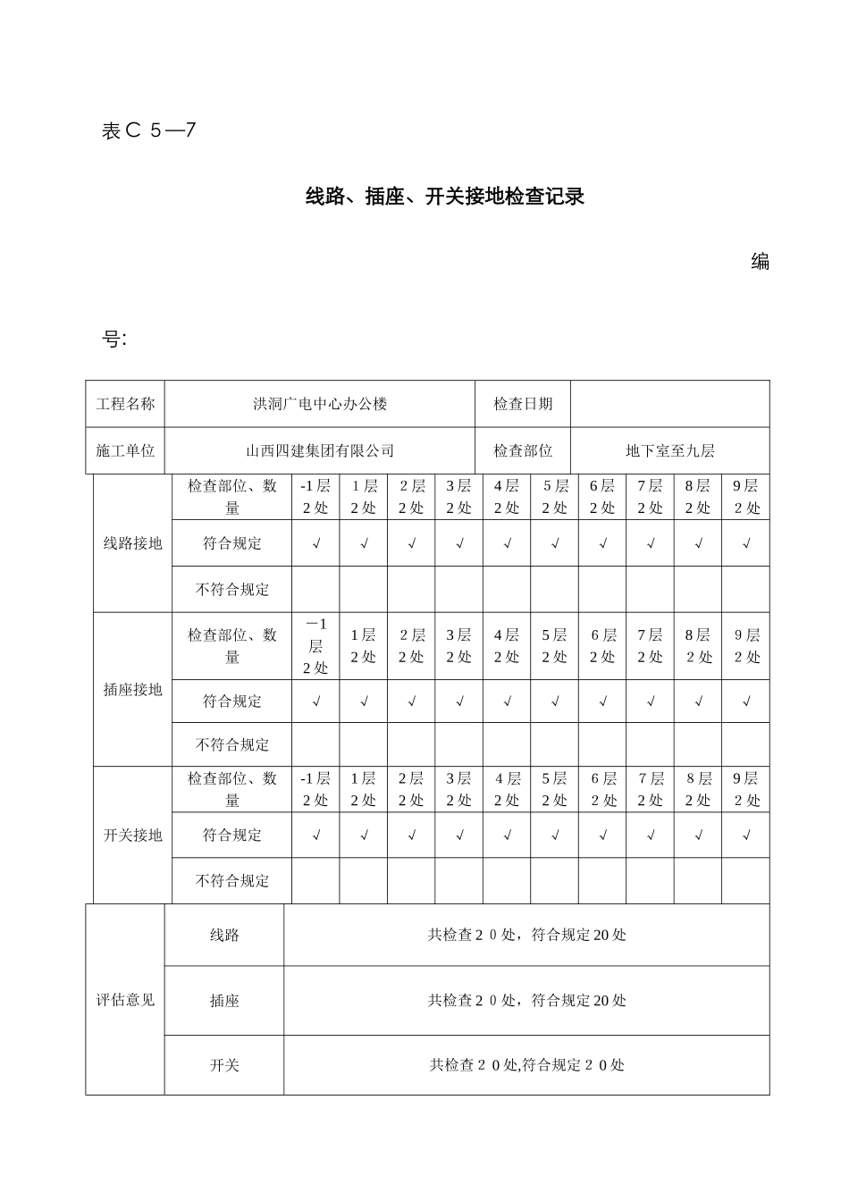
表 C 5—7线路、插座、开关接地检查记录编号:工程名称洪洞广电中心办公楼检查日期施工单位山西四建集团有限公司检查部位地下室至九层线路接地检查部位、数量-1 层2 处1层2 处2层2 处3 层2 处4 层2 处5层2 处6 层2 处7 层2 处8 层2 处9 层2处符合规定√√√√√√√√√√不符合规定插座接地检查部位、数量-1层2 处1 层2 处2层2 处3 层2 处4 层2 处5 层2 处6层2 处7 层2 处8 层2处9层2处符合规定√√√√√√√√√√不符合规定开关接地检查部位、数量-1 层2 处1 层2 处2 层2 处3 层2 处4层2 处5 层2 处6层2处7层2 处8层2 处9 层2处符合规定√√√√√√√√√√不符合规定评估意见线路共检查 2 0处,符合规定 20 处插座共检查 2 0处,符合规定 20 处开关共检查2 0 处,符合规定2 0 处会签栏监理 (建设)单位(签章)施工单位(签章)年 月 日专业技术负责人质检员专业工长年 月 日表C 5—7线路、插座、开关接地检查记录编号:工程名称洪洞广电中心办公楼检查日期施工单位山西四建集团有限公司检查部位十层至顶层线路接地检查部位、数量1 0层2 处11 层2 处顶层2 处符合规定√√√不符合规定插座接地检查部位、数量1 0层2处11 层2 处顶层2 处符合规定√√√不符合规定开关接地检查部位、数量10层2 处11 层2 处顶层2 处符合规定√√√不符合规定评估意见线路共检查 6 处,符合规定6处插座共检查 6 处,符合规定6处开关共检查 6 处,符合规定6处会签栏监理 (建设)单位(签章)施工单位(签章)年 月 日专业技术负责人质检员专业工长年 月 日

1、当您付费下载文档后,您只拥有了使用权限,并不意味着购买了版权,文档只能用于自身使用,不得用于其他商业用途(如 [转卖]进行直接盈利或[编辑后售卖]进行间接盈利)。
2、本站所有内容均由合作方或网友上传,本站不对文档的完整性、权威性及其观点立场正确性做任何保证或承诺!文档内容仅供研究参考,付费前请自行鉴别。
3、如文档内容存在违规,或者侵犯商业秘密、侵犯著作权等,请点击“违规举报”。

碎片内容

线路、插座、开关接地检验记录

确认删除?
VIP
微信客服
  • 扫码咨询
会员Q群
  • 会员专属群点击这里加入QQ群
客服邮箱
回到顶部