电脑桌面
添加小米粒文库到电脑桌面
安装后可以在桌面快捷访问

箱式变电站使用说明书

箱式变电站使用说明书_第1页
1/9
箱式变电站使用说明书_第2页
2/9
箱式变电站使用说明书_第3页
3/9
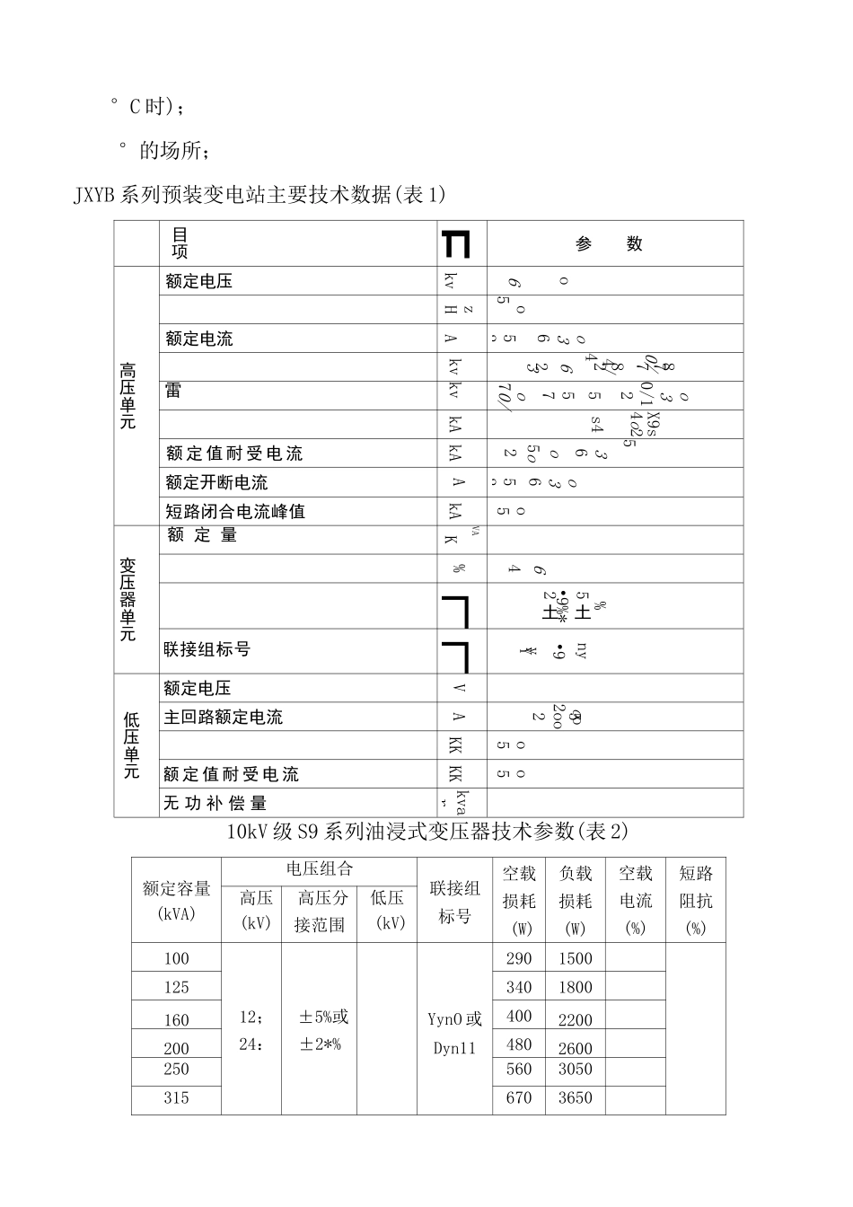
YB□-12/系列箱式变电站使用说明书贵阳千福安电气技术有限公司电话:2网址:地址:贵阳市白云区建设南路泰和花园1 概述产品适用范围YB 系列预装式变电站适用于三相交流 50Hz,10KV、6KV 电压等级的三相系统中作为受电、变配电用。预装式变电站箱体采用了阻燃性材料和非爆炸性元件,能深入到负荷中心,广泛应用于工矿、企业、高层楼宇、住宅小区、医院、机场、学校、地铁、商业中心、以及城市道路等场所。产品执行标准GB/T17467-1998《高压/低压预装式变电站》产品型号说明额定容量(kVA)低压侧电压等级(kV)高压侧电压等级(KV)箱体材料:彩钢复合板结构布局:M 目字形结构P 品字形结构MS 美式结构预装式变电站产品的正常使用条件°C;°C;C;C(适用于户外)°C 时);°的场所;JXYB 系列预装变电站主要技术数据(表 1)目项E数参高压单元压电定额kvo6zHo5流电定额Ao3652kv870/784/24623雷kvo30/12557o70/kAX9s4o2s4流电受耐值定额kA536o5o2流电断开定额Ao3652值峰流电合闭路短kAo5变压器单元量定额VAK%64□%5土•9%*2土号标组接联□ny•9yY低压单元压电定额V流电定额路回主Aoo52oo2KKo5流电受耐值定额KKo5量偿补功无kvar10kV 级 S9 系列油浸式变压器技术参数(表 2)额定容量(kVA)电压组合联接组标号空载损耗(W)负载损耗(W)空载电流(%)短路阻抗(%)高压(kV)高压分接范围低压(kV)10012;24:±5%或±2*%YynO 或Dyn11290150012534018001604002200200480260025056030503156703650额定容量(kVA)电压组合联接组标号空载损耗(W)负载损耗(W)空载电流(%)短路阻抗(%)高压(kV)高压分接范围低压(kV)10012;24;±5%或±2*%YynO 或Dyn11200150012524018001602702200200330260025040030503154803650400570430050068051006308106200800980750010001150103001250136012800160016401450010kV 级 SC9 系列环氧树脂干式变压器技术参数(表 4)额定容量(kVA)电压组合联接组标号空载损耗(W)负载损耗(W)空载电流(%)短路阻抗(%)高压(kV)高压分接范围低压(kV)10012;24;±5%或±2*%YynO 或Dyn11450167041255301850160610267020070028502508102920315990367040011004220额定容量(kVA)电压组合联接组标号空载损耗(W)负载损耗(W)空载电流(%)短路阻抗(%)高压(kV)高压分接范围低压(kV)10012;24;±5%或±2*%YynO 或Dyn114001570412547018501605402130200620253025072027503158803470400970398050011604880630134058706800152069501000177081301250209096901600245011...

1、当您付费下载文档后,您只拥有了使用权限,并不意味着购买了版权,文档只能用于自身使用,不得用于其他商业用途(如 [转卖]进行直接盈利或[编辑后售卖]进行间接盈利)。
2、本站所有内容均由合作方或网友上传,本站不对文档的完整性、权威性及其观点立场正确性做任何保证或承诺!文档内容仅供研究参考,付费前请自行鉴别。
3、如文档内容存在违规,或者侵犯商业秘密、侵犯著作权等,请点击“违规举报”。

碎片内容

箱式变电站使用说明书

确认删除?
VIP
微信客服
  • 扫码咨询
会员Q群
  • 会员专属群点击这里加入QQ群
客服邮箱
回到顶部