电脑桌面
添加小米粒文库到电脑桌面
安装后可以在桌面快捷访问

深圳大学实验报告VIP专享VIP免费

深圳大学实验报告_第1页
1/5
深圳大学实验报告_第2页
2/5
深圳大学实验报告_第3页
3/5
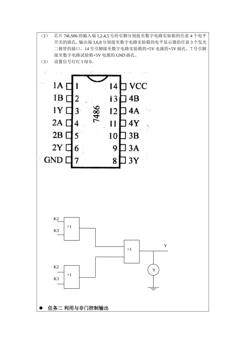
深圳大学实验报告课程名称:数字逻辑与数字系统实验项目名称:门电路逻辑功能及测试学院:计算机与软件学院专业:指导教师:报告人:学号:班级:实验时间:实验报告提交时间:教务部制实验目的与要求:一:实验目的(1)熟悉门电路逻辑,并掌握常用的逻辑电路功能测试方法;(2)熟悉RXS-1B数字电路实验箱及双踪示波器的使用方法。二:预习要求(1)阅读数字电路实验指南,掌握数字电路的实验要求和试验方法:(2)复习门电路的工作原理及相应的逻辑表达式;(3)熟悉所用集成电路的外引线排列图,了解各引出脚的功能(参考附录E);(4)学习双踪示波器和RXS-1B数字电路实验箱的使用方法。方法、步骤:任务一异或门逻辑功能测试(1)将一片74LS86插入RXS-1B数字电路试验箱。(2)芯片74LS86的输入端1,2,4,5号的引脚分别接至数字电路实验箱的任意4个电平开关的插孔,输出端3,6,8分别接至数字电路实验箱的电平显示器的任意3个发光二极管的插口,14号引脚接至数字电路实验箱的+5V电源的+5V插孔,7号引脚接至数字电路试验箱+5V电源的GND插孔。(3)设置信号灯红1绿0。任务二利用与非门控制输出=1K2K3=1K2K3=1YY选一片74LS00,在输入端A输入1kHz连续脉冲,将S端接至数字电路实验的任一逻辑电平开关,用示波器观察S端为0电平和1电平平时的输入端A和输出端Y的波形,并记录之实验过程及内容:任务一异或门逻辑功能测试K3,K2,K1,K0都设置为绿灯,A,B,Y都为绿灯。K3为红灯,K2,K1,K0都设置为绿灯,A,Y为红灯,B为绿灯。K3,K2为红灯,K1,K0都为绿灯,A,B,Y都为绿灯。K3,K2,K1为红灯,K0为绿灯,A为绿灯,B,Y都为红灯。K3,K2,K1,K0为红灯,A,B,Y都为绿灯。K3,K1都为绿灯,K2,,K0都为红灯,A,B为红灯,Y为绿灯。任务二利用与非门控制输出S为红灯时Y在绿灯和红灯中反复切换。S为绿灯时Y始终为红灯&ASY数据处理分析:任务一异或门逻辑功能测试A=(K3⊕K2)B=(K1⊕K0)Y=(K3⊕K2)⊕(K1⊕K0)输入输出K3K2K1K0ABYUy(直流电压值)0010111111010000001011010100010001010101000.126V3.389V0.125V3.277V0.125V0.162V任务二利用与非门控制输出Y=-——A——S输入输出SAY00->11->11->10->11->001->011->010->1深圳大学学生实验报告用纸实验结论:一.异或门的特点是判断数值相同与否,相同时候为0,不同时候为1。电平相同时输出低电平,电平不同时候输出高电平。二.与非门的特点是判断是否有低电平。有低电平时输出高电平,没有低电平时输出低电平。指导教师批阅意见:成绩评定:指导教师签字:年月日备注:注:1、报告内的项目或内容设置,可根据实际情况加以调整和补充。2、教师批改学生实验报告时间应在学生提交实验报告时间后10日内。

1、当您付费下载文档后,您只拥有了使用权限,并不意味着购买了版权,文档只能用于自身使用,不得用于其他商业用途(如 [转卖]进行直接盈利或[编辑后售卖]进行间接盈利)。
2、本站所有内容均由合作方或网友上传,本站不对文档的完整性、权威性及其观点立场正确性做任何保证或承诺!文档内容仅供研究参考,付费前请自行鉴别。
3、如文档内容存在违规,或者侵犯商业秘密、侵犯著作权等,请点击“违规举报”。

碎片内容

深圳大学实验报告

文章天下+ 关注
实名认证
内容提供者

各种文档应有尽有

确认删除?
VIP
微信客服
  • 扫码咨询
会员Q群
  • 会员专属群点击这里加入QQ群
客服邮箱
回到顶部