电脑桌面
添加小米粒文库到电脑桌面
安装后可以在桌面快捷访问

金属材料拉伸试验

金属材料拉伸试验_第1页
1/19
金属材料拉伸试验_第2页
2/19
金属材料拉伸试验_第3页
3/19
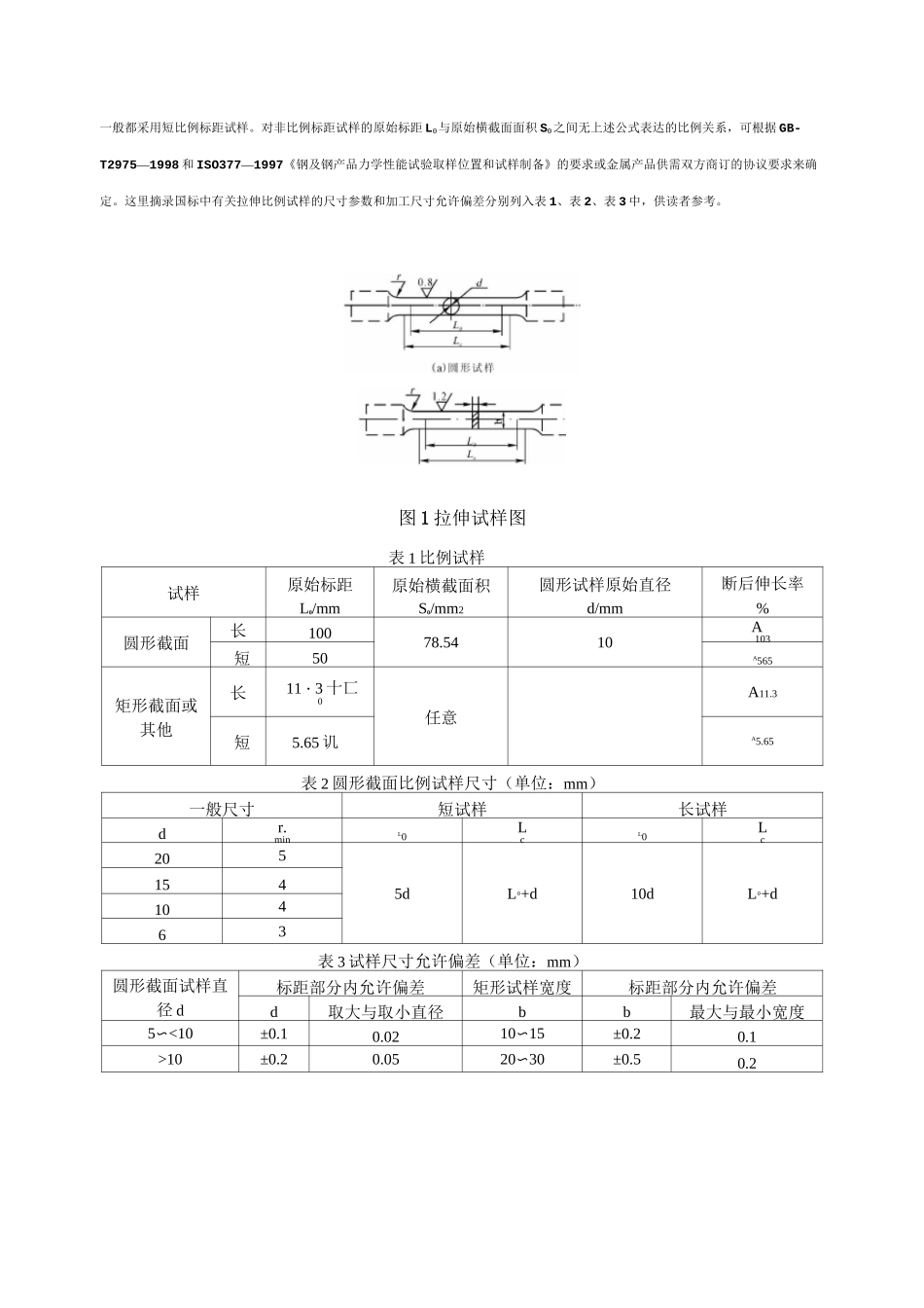
工程力学》实验指导书上海海洋大学金属材料拉伸实验一、实验目的1.测定低碳钢(如 Q235钢这种典型塑性材料)的下列力学性能指标:下屈服强度Rec(或称屈服极限、屈服点 q)、抗拉强度 Rm(或强度极限片)、断后伸长率 A 和断面JILLU收缩率 z。2. 测定铸铁(典型脆性材料)的抗拉强度 Rm(或强度极限毎)。3.观察塑性与脆性两种材料在拉伸过程中的各种现象。4.比较并分析低碳钢和铸铁的力学性能特点与断口破坏特征。二、实验仪器和设备1. 万能材料试验机,拉力试验机,电子式拉力试验机。2. 电子引伸计。3. 游标卡尺。4. 试样划线器。三、实验试样大量实验表明,实验时所用试样的形状、尺寸、取样位置和方向、表面粗糙度等因素,对其性能测试结果都有一定影响。为了使金属材料拉伸实验的结果具有符合性与可比性,国家制订有统一标准。本实验按照 GB/T228-2002eqvISO6892—1998《金属材料室温拉伸试验方法》第六章试样的要求制备试样。拉伸试样系由夹持、过渡和平行三部分构成。试样两端较粗段为夹持部分,其形状和尺寸可依实验室现有使用试验机夹头情况而定;试样两夹持段之间的均匀部分为实验测试的平行部分;而夹持与平行二部分之间为过渡部分,通常用圆弧进行光滑连接,以减少应力集中。拉伸试验可分为机加工试样和不经机加工的原状全截面试样。通常采用机加工的圆形截面试样如图 1(a)所示,亦可采用矩形截面试样如图 1(b)所示。图中 Lc 为试样平行段长度,L0 为试样原始标距(或称测量伸长变形的工作长度),d 为圆形试样平行部分的原始直径,a 为矩形试样平行部分的原始厚度,b 为矩形试样平行部分的原始宽度,S0为试样平行部分原始横截面面积,r 为过渡弧半径。拉伸试样分为比例和非比例标距两种。比例试样系按公式 L=K、M计算确定的试样,式中系数 K 通常为 5.65 或 11.3,前者称为短试样,后者称00为长试样。短试样的标距 L=5.65,町或 L0=5d,长试样的标距为 L=11.3{兀或 L0=10d,一般都采用短比例标距试样。对非比例标距试样的原始标距 L0与原始横截面面积 S0之间无上述公式表达的比例关系,可根据 GB-T2975—1998 和 ISO377—1997《钢及钢产品力学性能试验取样位置和试样制备》的要求或金属产品供需双方商订的协议要求来确定。这里摘录国标中有关拉伸比例试样的尺寸参数和加工尺寸允许偏差分别列入表 1、表 2、表 3 中,供读者参考。图 1 拉伸试样图表 1 比例试样试样原始标距L0/mm原...

1、当您付费下载文档后,您只拥有了使用权限,并不意味着购买了版权,文档只能用于自身使用,不得用于其他商业用途(如 [转卖]进行直接盈利或[编辑后售卖]进行间接盈利)。
2、本站所有内容均由合作方或网友上传,本站不对文档的完整性、权威性及其观点立场正确性做任何保证或承诺!文档内容仅供研究参考,付费前请自行鉴别。
3、如文档内容存在违规,或者侵犯商业秘密、侵犯著作权等,请点击“违规举报”。

碎片内容

金属材料拉伸试验

您可能关注的文档

wxg+ 关注
实名认证
内容提供者

该用户很懒,什么也没介绍

相关文档

确认删除?
VIP
微信客服
  • 扫码咨询
会员Q群
  • 会员专属群点击这里加入QQ群
客服邮箱
回到顶部